Запчасти Komatsu D155S-1 НАСОС ТРАНСМИССИИ(№.-) ГИДРОТРАНСФОРМАТОР И ТРАНСМИССИЯ

Схема запчастей Komatsu D155S-1 - НАСОС ТРАНСМИССИИ(№.-) ГИДРОТРАНСФОРМАТОР И ТРАНСМИССИЯ
FIT
1:1
100%

Артикул

Название

Примечание

Количество

|$0

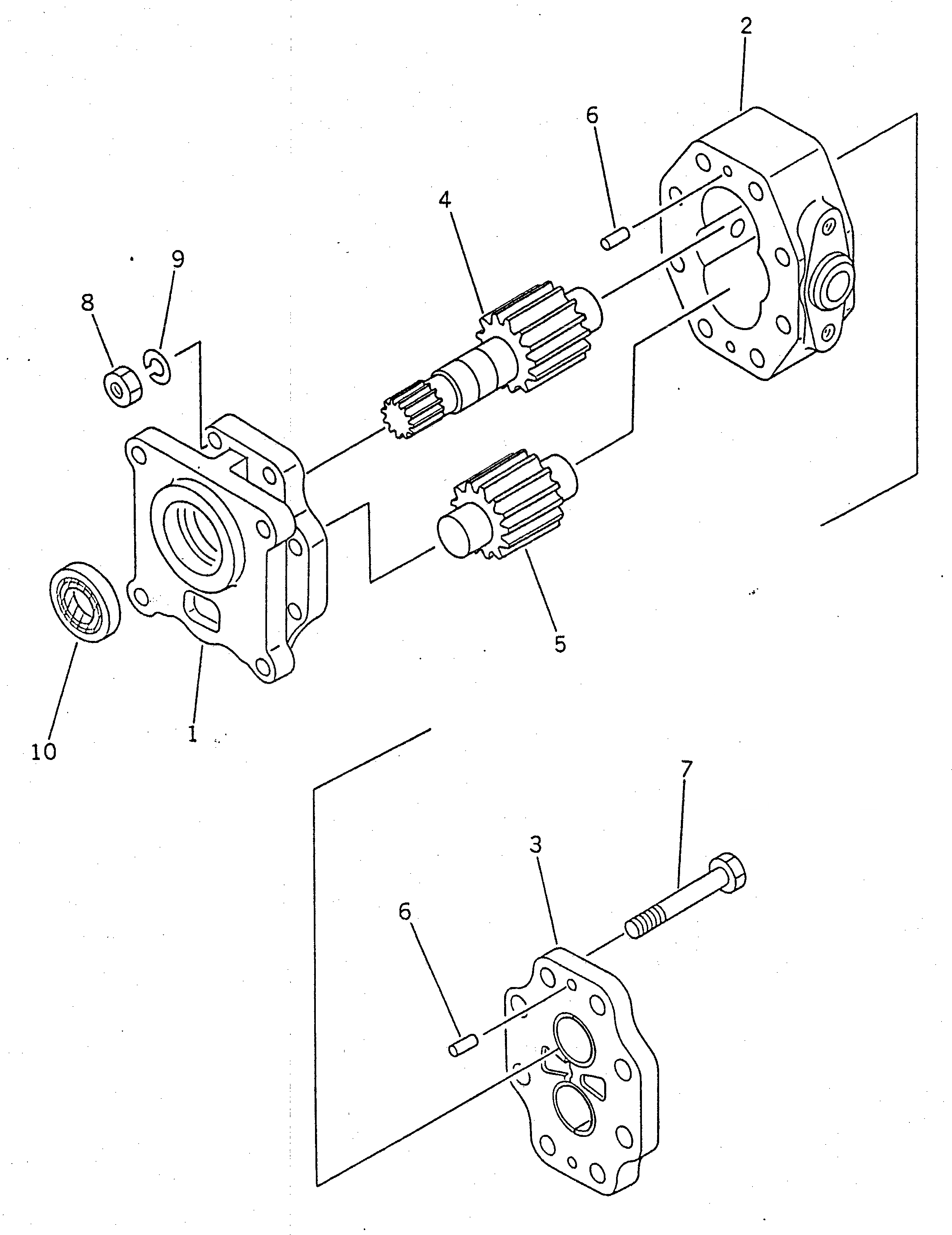
07433-71103

PUMP ASS'Y

SN: .-UP

1шт.

1

0

BRACKET

SN: .-UP

1шт.

2

0

CASE

SN: .-UP

1шт.

3

0

HOUSING

SN: .-UP

1шт.

4

0

GEAR,DRIVE

SN: 1010-UP

1шт.

5

0

GEAR,DRIVEN

SN: 1010-UP

1шт.

6

0

PIN,DOWEL

SN: .-UP

4шт.

7

0

BOLT

SN: .-UP

8шт.

8

0

NUT

SN: 1001-UP

8шт.

9

0

WASHER,SPRING

SN: 1001-UP

8шт.

10

07430-71160

SEAL,OIL

SN: 1001-UP

1шт.

Выбрано товаров: 11