Запчасти Komatsu D155S-1 НАСОС РУЛЕВ. УПРАВЛ-Я(№-.) СИСТЕМАУПРАВЛЕНИЯ ПОВОРОТОМ И КОНЕЧНАЯ ПЕРЕДАЧА

Схема запчастей Komatsu D155S-1 - НАСОС РУЛЕВ. УПРАВЛ-Я(№-.) СИСТЕМАУПРАВЛЕНИЯ ПОВОРОТОМ И КОНЕЧНАЯ ПЕРЕДАЧА
FIT
1:1
100%

Артикул

Название

Примечание

Количество

|$0

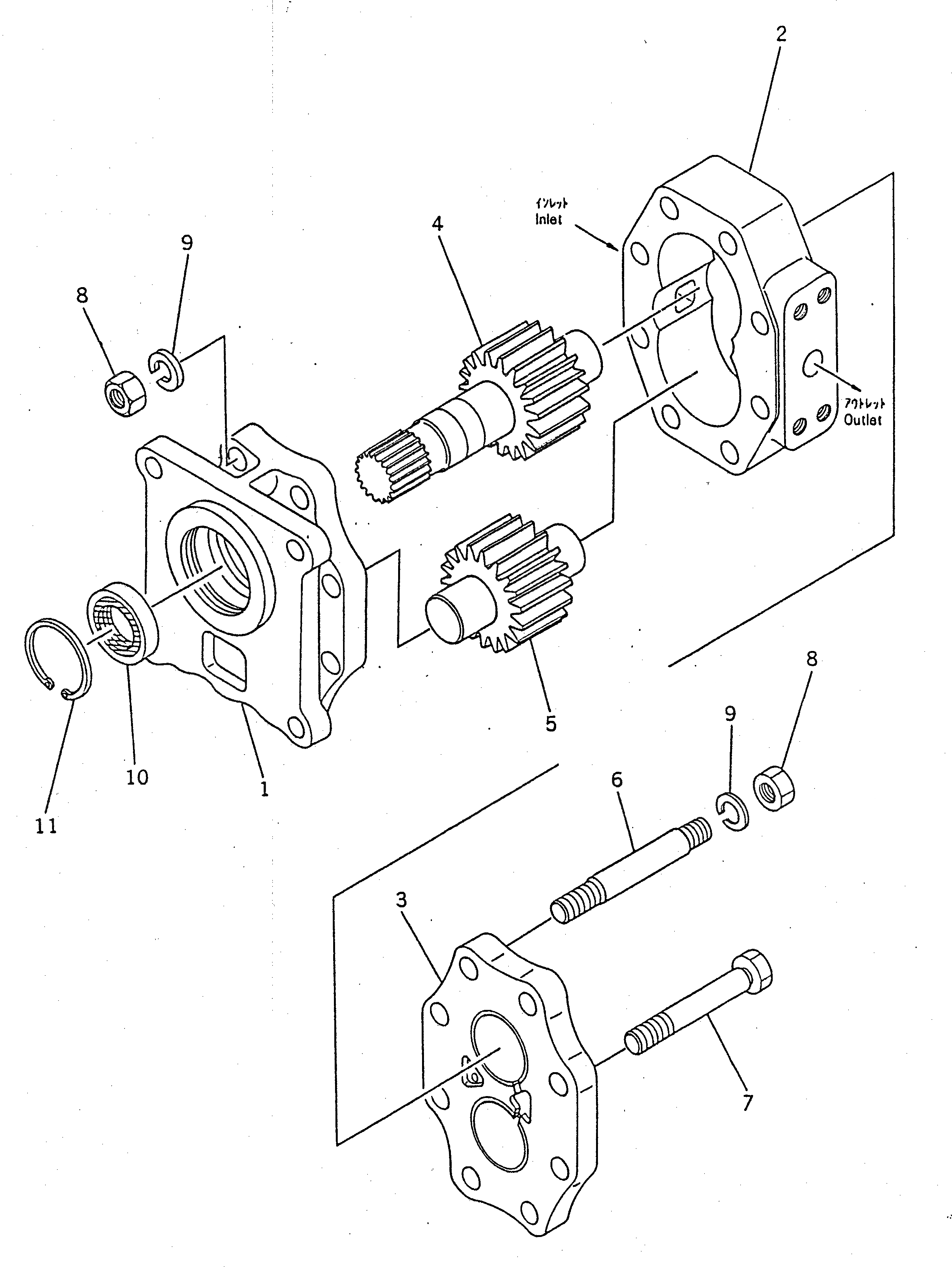
07440-72202

PUMP ASS'Y

SN: 1010-.

1шт.

1

0

BRACKET

SN: 1010-.

1шт.

2

0

CASE

SN: 1001-.

1шт.

3

0

HOUSING ASS'Y

SN: 1010-.

1шт.

4

0

GEAR,DRIVE

SN: 1010-@

1шт.

5

0

GEAR,DRIVEN

SN: 1010-@

1шт.

6

0

BOLT

SN: 1001-.

2шт.

7

0

BOLT

SN: 1001-.

6шт.

8

0

NUT

SN: 1001-.

10шт.

9

0

WASHER,SPRING

SN: 1001-.

10шт.

10

07438-71160

SEAL

SN: 1001-@

1шт.

11

04065-05520

RING,SNAP

SN: 1001-.

1шт.

Выбрано товаров: 12