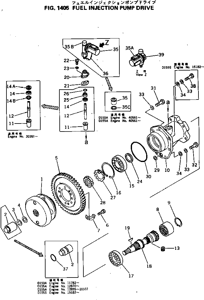
Запчасти Komatsu S6D155-4E ПРИВОД ТОПЛ. НАСОСА ТОПЛИВН. СИСТЕМА

Схема запчастей Komatsu S6D155-4E - ПРИВОД ТОПЛ. НАСОСА ТОПЛИВН. СИСТЕМА
FIT
1:1
100%

Артикул

Название

Примечание

Количество

1

6127-71-1132

AUTOMATIC TIMER A.,(SEE FIG.1457)

SN: 20000-UP

1шт.

1

6127-71-1130

AUTOMATIC TIMER A.

SN: 15182-19999

1шт.

2

6127-71-2212

NUT

SN: 15182-UP

1шт.

3

01602-02060

WASHER

SN: 15182-UP

1шт.

4

01643-32060

WASHER

SN: 15182-UP

1шт.

5

6127-71-3123

GEAR

SN: 15182-UP

1шт.

6

01050-31030

BOLT

SN: 15182-UP

6шт.

7

6127-71-3170

LOCK (K2)

SN: 15182-UP

3шт.

8

6127-71-3131

COUPLING

SN: 15182-UP

1шт.

9

04067-00050

RING

SN: 15182-UP

1шт.

|$10

6127-71-3004

DRIVE ASS'Y

SN: 30281-UP

1шт.

|$11

0

DRIVE ASS'Y

SN: 15182-30280

1шт.

10

6127-71-3312

HOUSING

SN: 30281-UP

1шт.

10

6127-71-3311

HOUSING

SN: 15182-30280

1шт.

|$14

6127-71-3202

DRIVE ASS'Y

SN: 30281-UP

1шт.

|$15

0

DRIVE ASS'Y

SN: 15182-30280

1шт.

11

6127-71-3231

BUSHING

SN: 30281-UP

1шт.

11

0

BUSHING

SN: 15182-30280

1шт.

12

6162-73-1910

SHAFT

SN: 30281-UP

1шт.

12

0

SHAFT

SN: 15182-30280

1шт.

13

6110-73-3220

GEAR

SN: 15182-UP

1шт.

14

6127-71-3250

SEAL (K2)

SN: 30281-UP

1шт.

14

6610-71-1911

SEAL (K2)

SN: 15182-30280

1шт.

14A

6610-71-1960

WASHER

SN: 30281-UP

1шт.

14B

6610-71-1970

SPACER

SN: 30281-UP

1шт.

15

06030-06308

BEARING

SN: 15182-UP

1шт.

16

04065-09030

RING

SN: 15182-UP

1шт.

17

06030-06209

BEARING

SN: 15182-UP

1шт.

18

6127-71-3115

SHAFT

SN: 15182-UP

1шт.

19

04010-00516

KEY

SN: 15182-UP

1шт.

20

6610-71-1920

HOUSING

SN: 15182-UP

1шт.

21

6610-71-1930

GASKET (K2)

SN: 15182-UP

1шт.

22

6110-73-3511

SCREW

SN: 15182-UP

2шт.

23

6110-73-3520

WASHER

SN: 15182-UP

2шт.

24

6127-71-3160

WASHER

SN: 15182-UP

1шт.

25

6127-71-3240

SPACER

SN: 15182-30280

1шт.

26

07000-02018

O-RING (K2)

SN: 15182-30280

1шт.

27

01658-13923

WASHER (K2)

SN: 15182-UP

1шт.

28

01530-13912

NUT

SN: 15182-UP

1шт.

29

6127-71-3380

GROMMET (K2)

SN: 15182-UP

1шт.

30

07000-03115

O-RING (K2)

SN: 15182-UP

1шт.

31

01010-31230

BOLT

SN: 20000-UP

5шт.

31

01010-31230

BOLT

SN: 15182-19999

4шт.

32

01010-31235

BOLT

SN: 15182-19999

1шт.

33

01602-01236

WASHER

SN: 15182-UP

7шт.

34

01641-21223

WASHER

SN: 15182-UP

3шт.

35

08684-00048

METER

SN: 15182-UP

1шт.

35A

08684-00012

WINDOW

SN: 15182-UP

1шт.

35B

6130-81-5290

CAP

SN: .-UP

1шт.

35B

0

CAP

SN: 15182-.

1шт.

36

6127-81-5180

WIRE

SN: 15182-UP

2шт.

37

07000-03032

O-RING (K2)

SN: 15182-UP

1шт.

38

01010-31240

BOLT

SN: 15182-UP

2шт.

39

600-832-1020

PLATE, CAUTION,(GERMAN)

SN: 24805-UP

1шт.

39

600-832-1030

PLATE, CAUTION,(FRENCH)

SN: 24805-UP

1шт.

1

6127-71-1132

AUTOMATIC TIMER A.,(SEE FIG.1457)

SN: 20000-UP

1шт.

1

6127-71-1130

AUTOMATIC TIMER A.

SN: 15182-19999

1шт.

2

6127-71-2212

NUT

SN: 15182-UP

1шт.

3

01602-02060

WASHER

SN: 15182-UP

1шт.

4

01643-32060

WASHER

SN: 15182-UP

1шт.

5

6127-71-3123

GEAR

SN: 15182-UP

1шт.

6

01050-31030

BOLT

SN: 15182-UP

6шт.

7

6127-71-3170

LOCK (K2)

SN: 15182-UP

3шт.

8

6127-71-3131

COUPLING

SN: 15182-UP

1шт.

9

04067-00050

RING

SN: 15182-UP

1шт.

|$10

6127-71-3004

DRIVE ASS'Y

SN: 30281-UP

1шт.

|$11

0

DRIVE ASS'Y

SN: 15182-30280

1шт.

10

6127-71-3312

HOUSING

SN: 30281-UP

1шт.

10

6127-71-3311

HOUSING

SN: 15182-30280

1шт.

|$14

6127-71-3202

DRIVE ASS'Y

SN: 30281-UP

1шт.

|$15

0

DRIVE ASS'Y

SN: 15182-30280

1шт.

11

6127-71-3231

BUSHING

SN: 30281-UP

1шт.

11

0

BUSHING

SN: 15182-30280

1шт.

12

6162-73-1910

SHAFT

SN: 30281-UP

1шт.

12

0

SHAFT

SN: 15182-30280

1шт.

13

6110-73-3220

GEAR

SN: 15182-UP

1шт.

14

6127-71-3250

SEAL (K2)

SN: 30281-UP

1шт.

14

6610-71-1911

SEAL (K2)

SN: 15182-30280

1шт.

14A

6610-71-1960

WASHER

SN: 30281-UP

1шт.

14B

6610-71-1970

SPACER

SN: 30281-UP

1шт.

15

06030-06308

BEARING

SN: 15182-UP

1шт.

16

04065-09030

RING

SN: 15182-UP

1шт.

17

06030-06209

BEARING

SN: 15182-UP

1шт.

18

6127-71-3115

SHAFT

SN: 15182-UP

1шт.

19

04010-00516

KEY

SN: 15182-UP

1шт.

20

6610-71-1920

HOUSING

SN: 15182-UP

1шт.

21

6610-71-1930

GASKET (K2)

SN: 15182-UP

1шт.

22

6110-73-3511

SCREW

SN: 15182-UP

2шт.

23

6110-73-3520

WASHER

SN: 15182-UP

2шт.

24

6127-71-3160

WASHER

SN: 15182-UP

1шт.

25

6127-71-3240

SPACER

SN: 15182-30280

1шт.

26

07000-02018

O-RING (K2)

SN: 15182-30280

1шт.

27

01658-13923

WASHER (K2)

SN: 15182-UP

1шт.

28

01530-13912

NUT

SN: 15182-UP

1шт.

29

6127-71-3380

GROMMET (K2)

SN: 15182-UP

1шт.

30

07000-03115

O-RING (K2)

SN: 15182-UP

1шт.

31

01010-31230

BOLT

SN: 20000-UP

5шт.

31

01010-31230

BOLT

SN: 15182-19999

4шт.

32

01010-31235

BOLT

SN: 15182-19999

1шт.

33

01602-01236

WASHER

SN: 15182-UP

7шт.

34

01641-21223

WASHER

SN: 15182-UP

3шт.

35

08684-00048

METER

SN: 15182-UP

1шт.

35A

08684-00012

WINDOW

SN: 15182-UP

1шт.

35B

6130-81-5290

CAP

SN: .-UP

1шт.

35B

0

CAP

SN: 15182-.

1шт.

36

6127-81-5180

WIRE

SN: 15182-UP

2шт.

37

07000-03032

O-RING (K2)

SN: 15182-UP

1шт.

38

01010-31240

BOLT

SN: 15182-UP

2шт.

39

600-832-1020

PLATE, CAUTION,(GERMAN)

SN: 24805-UP

1шт.

39

600-832-1030

PLATE, CAUTION,(FRENCH)

SN: 24805-UP

1шт.

Выбрано товаров: 0