Запчасти Komatsu S6D155-4E ТОПЛ. НАСОС (НАСОС)(№8-9999) ТОПЛИВН. СИСТЕМА

Схема запчастей Komatsu S6D155-4E - ТОПЛ. НАСОС (НАСОС)(№8-9999) ТОПЛИВН. СИСТЕМА
FIT
1:1
100%

Артикул

Название

Примечание

Количество

|$0

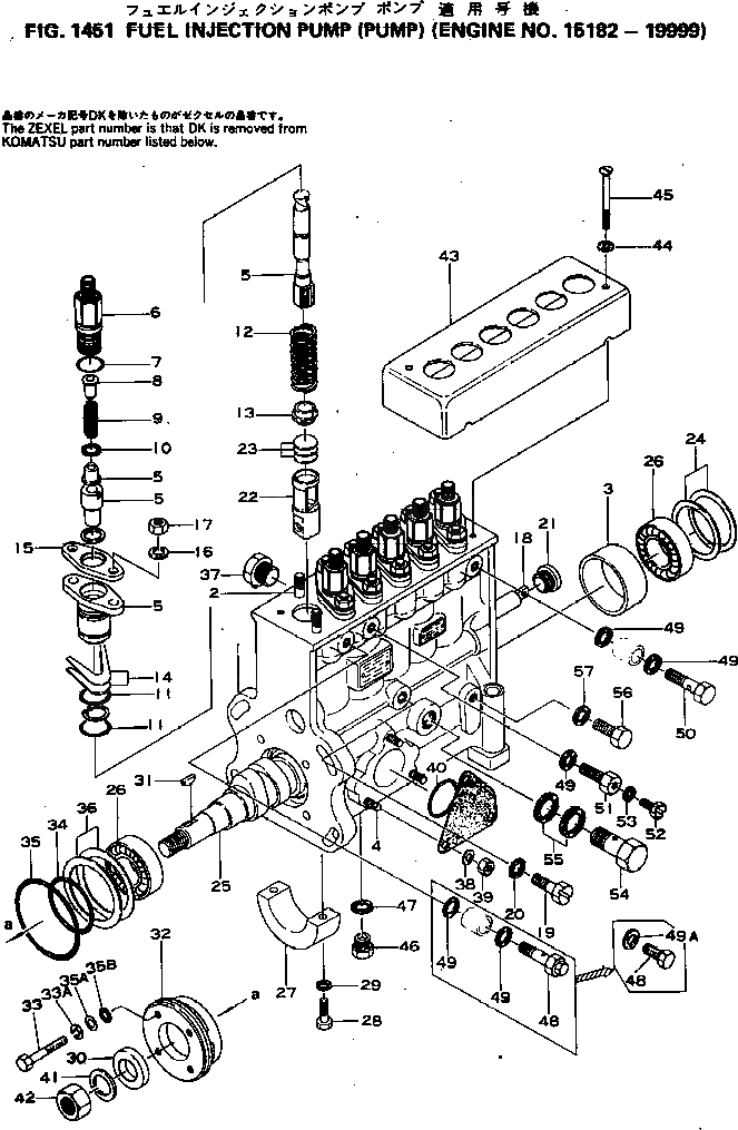
6127-71-1020

INJECTION PUMP ASS'Y

SN: 15182-19999

1шт.

|$$2

THIS ASSEMBLY CONSISTS OF ALL PARTS SHOWN IN FIGS.1451 TO 1454.

-1шт.

|$2

DK106067-8060

PUMP ASS'Y

SN: 15182-19999

1шт.

1

DK134099-1120

HOUSING ASS'Y

SN: 15182-19999

1шт.

2

DK134138-0100

STUD

SN: 15182-19999

12шт.

3

DK134311-0000

RING

SN: 15182-19999

1шт.

4

DK029040-6020

STUD

SN: 15182-19999

3шт.

5

DK134130-8120

PLUNGER ASS'Y

SN: 15182-19999

6шт.

6

DK134116-0400

HOLDER

SN: 15182-19999

1шт.

7

DK029632-5070

O-RING

SN: 15182-19999

1шт.

8

DK134117-0400

STOPPER

SN: 15182-19999

1шт.

9

DK132112-0200

SPRING

SN: 15182-19999

1шт.

10

DK134115-0100

GASKET

SN: 15182-19999

1шт.

11

DK029632-9030

O-RING

SN: 15182-19999

2шт.

12

DK134215-0100

SPRING

SN: 15182-19999

1шт.

13

DK134217-0200

SEAT

SN: 15182-19999

1шт.

14

DK134139-0700

SHIM, 0.15MM

SN: 15182-19999

-2шт.

14

DK134139-0800

SHIM, 0.40MM

SN: 15182-19999

-2шт.

14

DK134139-0900

SHIM, 0.50MM

SN: 15182-19999

-2шт.

14

DK134139-1000

SHIM, 0.60MM

SN: 15182-19999

-2шт.

14

DK134139-1100

SHIM, 0.70MM

SN: 15182-19999

-2шт.

14

DK134139-1200

SHIM, 0.80MM

SN: 15182-19999

-2шт.

14

DK134139-1300

SHIM, 0.90MM

SN: 15182-19999

-2шт.

14

DK134139-1400

SHIM, 1.00MM

SN: 15182-19999

-2шт.

15

DK134132-0300

WASHER

SN: 15182-19999

6шт.

16

DK014111-0440

WASHER

SN: 15182-19999

12шт.

17

DK013021-0040

NUT

SN: 15182-19999

12шт.

18

DK134223-0600

RACK

SN: 15182-19999

1шт.

19

DK134226-0000

SCREW

SN: 15182-19999

1шт.

20

DK029330-6010

GASKET

SN: 15182-19999

1шт.

21

DK134222-0100

BUSHING

SN: 15182-19999

1шт.

22

DK134200-0120

TAPPET ASS'Y

SN: 15182-19999

6шт.

23

DK134140-0000

SEAT, 3.70MM

SN: 15182-19999

6шт.

23

DK134140-0100

SEAT, 3.75MM

SN: 15182-19999

6шт.

23

DK134140-0200

SEAT, 3.80MM

SN: 15182-19999

6шт.

23

DK134140-0300

SEAT, 3.85MM

SN: 15182-19999

6шт.

23

DK134140-0400

SEAT, 3.90MM

SN: 15182-19999

6шт.

23

DK134140-0500

SEAT, 3.95MM

SN: 15182-19999

6шт.

23

DK134140-0600

SEAT, 4.00MM

SN: 15182-19999

6шт.

24

DK134303-0000

SHIM, 1.20MM

SN: 15182-19999

-2шт.

24

DK134303-0100

SHIM, 1.50MM

SN: 15182-19999

-2шт.

24

DK134303-0200

SHIM, 1.80MM

SN: 15182-19999

-2шт.

24

DK134303-0300

SHIM, 2.00MM

SN: 15182-19999

-2шт.

25

DK134399-0620

CAMSHAFT ASS'Y

SN: 15182-19999

1шт.

26

DK016650-2230

BEARING

SN: 15182-19999

2шт.

27

DK134305-0000

METAL

SN: 15182-19999

1шт.

28

DK029020-6140

BOLT

SN: 15182-19999

2шт.

29

DK029330-6010

GASKET

SN: 15182-19999

2шт.

30

DK026712-5010

SEAL

SN: 15182-19999

1шт.

31

DK025805-1910

KEY

SN: 15182-19999

1шт.

32

DK134399-8520

COVER ASS'Y

SN: 15182-19999

1шт.

33

DK029050-6090

BOLT

SN: 15182-19999

4шт.

33

DK029050-6360

BOLT

SN: 15182-19999

4шт.

35

DK029639-0020

O-RING

SN: 15182-19999

1шт.

35A

DK029300-6170

SHIM

SN: 15182-19999

4шт.

35B

DK029330-6120

GASKET

SN: 15182-19999

4шт.

36

DK134314-0000

SHIM, 0.10MM

SN: 15182-19999

-2шт.

36

DK134314-0100

SHIM, 0.12MM

SN: 15182-19999

-2шт.

36

DK134314-0200

SHIM, 0.14MM

SN: 15182-19999

-2шт.

36

DK134314-0300

SHIM, 0.16MM

SN: 15182-19999

-2шт.

36

DK134314-0400

SHIM, 0.18MM

SN: 15182-19999

-2шт.

36

DK134314-0500

SHIM, 0.30MM

SN: 15182-19999

-2шт.

36

DK134314-0600

SHIM, 0.50MM

SN: 15182-19999

-2шт.

37

DK134045-0000

PLUG

SN: 15182-19999

1шт.

38

DK014110-6400

WASHER

SN: 15182-19999

3шт.

39

DK013020-6040

NUT

SN: 15182-19999

3шт.

40

DK029633-1010

O-RING

SN: 15182-19999

1шт.

41

01602-01854

WASHER

SN: 15182-19999

1шт.

42

01582-01815

NUT

SN: 15182-19999

1шт.

43

DK134416-0600

COVER

SN: 15182-19999

1шт.

44

DK014530-6540

WASHER

SN: 15182-19999

2шт.

45

DK021306-3540

SCREW

SN: 15182-19999

2шт.

46

DK029111-0010

PLUG

SN: 15182-19999

1шт.

47

DK026510-1440

GASKET

SN: 15182-19999

1шт.

48

DK029111-4050

PLUG

SN: 15182-19999

1шт.

49

DK026514-1840

GASKET

SN: 15182-19999

3шт.

49A

DK022341-4130

GASKET

SN: 15182-19999

1шт.

50

DK029731-4080

BOLT

SN: 15182-19999

1шт.

51

DK132419-0300

ADAPTER

SN: 15182-19999

1шт.

52

DK131420-0300

SCREW

SN: 15182-19999

1шт.

53

DK029340-6020

GASKET

SN: 15182-19999

1шт.

54

DK029731-2010

BOLT

SN: 15182-19999

1шт.

55

DK026512-1640

GASKET

SN: 15182-19999

2шт.

56

DK029111-4130

BOLT

SN: 15182-19999

1шт.

57

DK026514-1840

GASKET

SN: 15182-19999

1шт.

|$0

6127-71-1020

INJECTION PUMP ASS'Y

SN: 15182-19999

1шт.

|$$2

THIS ASSEMBLY CONSISTS OF ALL PARTS SHOWN IN FIGS.1451 TO 1454.

-1шт.

|$2

DK106067-8060

PUMP ASS'Y

SN: 15182-19999

1шт.

1

DK134099-1120

HOUSING ASS'Y

SN: 15182-19999

1шт.

2

DK134138-0100

STUD

SN: 15182-19999

12шт.

3

DK134311-0000

RING

SN: 15182-19999

1шт.

4

DK029040-6020

STUD

SN: 15182-19999

3шт.

5

DK134130-8120

PLUNGER ASS'Y

SN: 15182-19999

6шт.

6

DK134116-0400

HOLDER

SN: 15182-19999

1шт.

7

DK029632-5070

O-RING

SN: 15182-19999

1шт.

8

DK134117-0400

STOPPER

SN: 15182-19999

1шт.

9

DK132112-0200

SPRING

SN: 15182-19999

1шт.

10

DK134115-0100

GASKET

SN: 15182-19999

1шт.

11

DK029632-9030

O-RING

SN: 15182-19999

2шт.

12

DK134215-0100

SPRING

SN: 15182-19999

1шт.

13

DK134217-0200

SEAT

SN: 15182-19999

1шт.

14

DK134139-0700

SHIM, 0.15MM

SN: 15182-19999

-2шт.

14

DK134139-0800

SHIM, 0.40MM

SN: 15182-19999

-2шт.

14

DK134139-0900

SHIM, 0.50MM

SN: 15182-19999

-2шт.

14

DK134139-1000

SHIM, 0.60MM

SN: 15182-19999

-2шт.

14

DK134139-1100

SHIM, 0.70MM

SN: 15182-19999

-2шт.

14

DK134139-1200

SHIM, 0.80MM

SN: 15182-19999

-2шт.

14

DK134139-1300

SHIM, 0.90MM

SN: 15182-19999

-2шт.

14

DK134139-1400

SHIM, 1.00MM

SN: 15182-19999

-2шт.

15

DK134132-0300

WASHER

SN: 15182-19999

6шт.

16

DK014111-0440

WASHER

SN: 15182-19999

12шт.

17

DK013021-0040

NUT

SN: 15182-19999

12шт.

18

DK134223-0600

RACK

SN: 15182-19999

1шт.

19

DK134226-0000

SCREW

SN: 15182-19999

1шт.

20

DK029330-6010

GASKET

SN: 15182-19999

1шт.

21

DK134222-0100

BUSHING

SN: 15182-19999

1шт.

22

DK134200-0120

TAPPET ASS'Y

SN: 15182-19999

6шт.

23

DK134140-0000

SEAT, 3.70MM

SN: 15182-19999

6шт.

23

DK134140-0100

SEAT, 3.75MM

SN: 15182-19999

6шт.

23

DK134140-0200

SEAT, 3.80MM

SN: 15182-19999

6шт.

23

DK134140-0300

SEAT, 3.85MM

SN: 15182-19999

6шт.

23

DK134140-0400

SEAT, 3.90MM

SN: 15182-19999

6шт.

23

DK134140-0500

SEAT, 3.95MM

SN: 15182-19999

6шт.

23

DK134140-0600

SEAT, 4.00MM

SN: 15182-19999

6шт.

24

DK134303-0000

SHIM, 1.20MM

SN: 15182-19999

-2шт.

24

DK134303-0100

SHIM, 1.50MM

SN: 15182-19999

-2шт.

24

DK134303-0200

SHIM, 1.80MM

SN: 15182-19999

-2шт.

24

DK134303-0300

SHIM, 2.00MM

SN: 15182-19999

-2шт.

25

DK134399-0620

CAMSHAFT ASS'Y

SN: 15182-19999

1шт.

26

DK016650-2230

BEARING

SN: 15182-19999

2шт.

27

DK134305-0000

METAL

SN: 15182-19999

1шт.

28

DK029020-6140

BOLT

SN: 15182-19999

2шт.

29

DK029330-6010

GASKET

SN: 15182-19999

2шт.

30

DK026712-5010

SEAL

SN: 15182-19999

1шт.

31

DK025805-1910

KEY

SN: 15182-19999

1шт.

32

DK134399-8520

COVER ASS'Y

SN: 15182-19999

1шт.

33

DK029050-6090

BOLT

SN: 15182-19999

4шт.

33

DK029050-6360

BOLT

SN: 15182-19999

4шт.

35

DK029639-0020

O-RING

SN: 15182-19999

1шт.

35A

DK029300-6170

SHIM

SN: 15182-19999

4шт.

35B

DK029330-6120

GASKET

SN: 15182-19999

4шт.

36

DK134314-0000

SHIM, 0.10MM

SN: 15182-19999

-2шт.

36

DK134314-0100

SHIM, 0.12MM

SN: 15182-19999

-2шт.

36

DK134314-0200

SHIM, 0.14MM

SN: 15182-19999

-2шт.

36

DK134314-0300

SHIM, 0.16MM

SN: 15182-19999

-2шт.

36

DK134314-0400

SHIM, 0.18MM

SN: 15182-19999

-2шт.

36

DK134314-0500

SHIM, 0.30MM

SN: 15182-19999

-2шт.

36

DK134314-0600

SHIM, 0.50MM

SN: 15182-19999

-2шт.

37

DK134045-0000

PLUG

SN: 15182-19999

1шт.

38

DK014110-6400

WASHER

SN: 15182-19999

3шт.

39

DK013020-6040

NUT

SN: 15182-19999

3шт.

40

DK029633-1010

O-RING

SN: 15182-19999

1шт.

41

01602-01854

WASHER

SN: 15182-19999

1шт.

42

01582-01815

NUT

SN: 15182-19999

1шт.

43

DK134416-0600

COVER

SN: 15182-19999

1шт.

44

DK014530-6540

WASHER

SN: 15182-19999

2шт.

45

DK021306-3540

SCREW

SN: 15182-19999

2шт.

46

DK029111-0010

PLUG

SN: 15182-19999

1шт.

47

DK026510-1440

GASKET

SN: 15182-19999

1шт.

48

DK029111-4050

PLUG

SN: 15182-19999

1шт.

49

DK026514-1840

GASKET

SN: 15182-19999

3шт.

49A

DK022341-4130

GASKET

SN: 15182-19999

1шт.

50

DK029731-4080

BOLT

SN: 15182-19999

1шт.

51

DK132419-0300

ADAPTER

SN: 15182-19999

1шт.

52

DK131420-0300

SCREW

SN: 15182-19999

1шт.

53

DK029340-6020

GASKET

SN: 15182-19999

1шт.

54

DK029731-2010

BOLT

SN: 15182-19999

1шт.

55

DK026512-1640

GASKET

SN: 15182-19999

2шт.

56

DK029111-4130

BOLT

SN: 15182-19999

1шт.

57

DK026514-1840

GASKET

SN: 15182-19999

1шт.

Выбрано товаров: 0