Запчасти Komatsu S6D155-4E МАСЛ. ФИЛЬТР И КРЕПЛЕНИЕ(№-8) СИСТЕМА СМАЗКИ МАСЛ. СИСТЕМА

Схема запчастей Komatsu S6D155-4E - МАСЛ. ФИЛЬТР И КРЕПЛЕНИЕ(№-8) СИСТЕМА СМАЗКИ МАСЛ. СИСТЕМА
FIT
1:1
100%

Артикул

Название

Примечание

Количество

|1

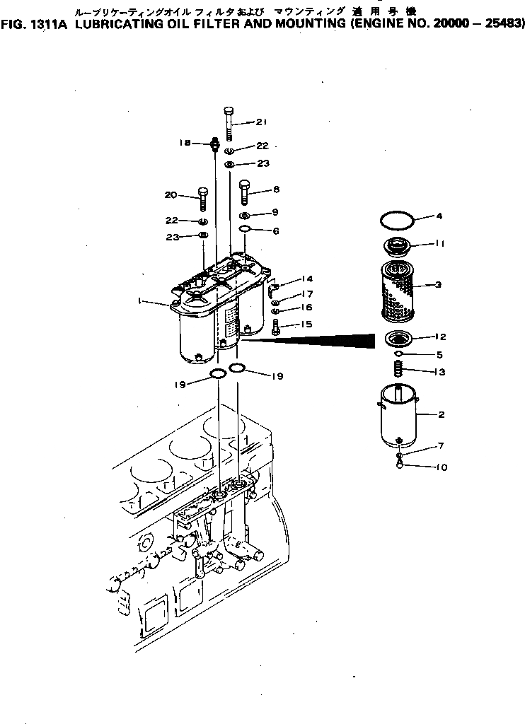
6127-51-5401

OIL FILTER ASS'Y

SN: 21169-25483

1шт.

|1

6127-51-5400

OIL FILTER ASS'Y

SN: 20000-21168

1шт.

1

6127-51-5411

COVER

SN: 21169-25483

1шт.

|1

6127-51-5410

COVER

SN: 20000-21168

1шт.

2

600-211-1111

CASE

SN: 21169-25483

3шт.

|2

600-211-1110

CASE

SN: 20000-21168

3шт.

|3

6127-51-5040

ELEMENT ASS'Y

SN: 20000-25483

3шт.

3

0

ELEMENT

SN: 20000-25483

1шт.

4

6162-52-5170

GASKET

SN: 20000-25483

1шт.

5

07000-03022

O-RING

SN: 20000-25483

1шт.

6

600-211-1420

O-RING

SN: 20000-25483

1шт.

7

07005-01412

GASKET

SN: 20000-25483

3шт.

8

600-211-1510

BOLT

SN: 20000-25483

3шт.

9

600-211-1540

WASHER

SN: 20000-25483

3шт.

10

6110-53-5910

PLUG

SN: 20000-25483

3шт.

11

600-211-1621

RETAINER

SN: 20000-25483

3шт.

12

600-211-1650

RETAINER

SN: 20000-25483

3шт.

13

600-211-1640

SPRING

SN: 20000-25483

3шт.

14

600-211-1610

HANGER

SN: 20000-25483

6шт.

15

01010-30820

BOLT

SN: 20000-25483

6шт.

16

01602-00825

WASHER

SN: 20000-25483

6шт.

17

01640-20816

WASHER

SN: 20000-25483

6шт.

18

07213-50510

CONNECTOR

SN: 20000-@

1шт.

19

07000-65055

O-RING (K2)

SN: 20000-@

2шт.

20

01010-31240

BOLT

SN: 20000-@

6шт.

21

01010-31285

BOLT

SN: 20000-@

4шт.

22

01602-01236

WASHER

SN: 20000-@

10шт.

23

01640-21223

WASHER

SN: 20000-@

10шт.

24

09645-00120

PLATE¤ INSTRUCTION

SN: 20000-25483

1шт.

25

6127-81-5230

PLATE¤ INSTRUCTION

SN: 20000-25483

1шт.

|1

6127-51-5401

OIL FILTER ASS'Y

SN: 21169-25483

1шт.

|1

6127-51-5400

OIL FILTER ASS'Y

SN: 20000-21168

1шт.

1

6127-51-5411

COVER

SN: 21169-25483

1шт.

|1

6127-51-5410

COVER

SN: 20000-21168

1шт.

2

600-211-1111

CASE

SN: 21169-25483

3шт.

|2

600-211-1110

CASE

SN: 20000-21168

3шт.

|3

6127-51-5040

ELEMENT ASS'Y

SN: 20000-25483

3шт.

3

0

ELEMENT

SN: 20000-25483

1шт.

4

6162-52-5170

GASKET

SN: 20000-25483

1шт.

5

07000-03022

O-RING

SN: 20000-25483

1шт.

6

600-211-1420

O-RING

SN: 20000-25483

1шт.

7

07005-01412

GASKET

SN: 20000-25483

3шт.

8

600-211-1510

BOLT

SN: 20000-25483

3шт.

9

600-211-1540

WASHER

SN: 20000-25483

3шт.

10

6110-53-5910

PLUG

SN: 20000-25483

3шт.

11

600-211-1621

RETAINER

SN: 20000-25483

3шт.

12

600-211-1650

RETAINER

SN: 20000-25483

3шт.

13

600-211-1640

SPRING

SN: 20000-25483

3шт.

14

600-211-1610

HANGER

SN: 20000-25483

6шт.

15

01010-30820

BOLT

SN: 20000-25483

6шт.

16

01602-00825

WASHER

SN: 20000-25483

6шт.

17

01640-20816

WASHER

SN: 20000-25483

6шт.

18

07213-50510

CONNECTOR

SN: 20000-@

1шт.

19

07000-65055

O-RING (K2)

SN: 20000-@

2шт.

20

01010-31240

BOLT

SN: 20000-@

6шт.

21

01010-31285

BOLT

SN: 20000-@

4шт.

22

01602-01236

WASHER

SN: 20000-@

10шт.

23

01640-21223

WASHER

SN: 20000-@

10шт.

24

09645-00120

PLATE¤ INSTRUCTION

SN: 20000-25483

1шт.

25

6127-81-5230

PLATE¤ INSTRUCTION

SN: 20000-25483

1шт.

Выбрано товаров: 60