Запчасти Komatsu S6D155-4E BYPASS МАСЛ. ФИЛЬТР И ТРУБЫ(№-) СИСТЕМА СМАЗКИ МАСЛ. СИСТЕМА

Схема запчастей Komatsu S6D155-4E - BYPASS МАСЛ. ФИЛЬТР И ТРУБЫ(№-) СИСТЕМА СМАЗКИ МАСЛ. СИСТЕМА
FIT
1:1
100%

Артикул

Название

Примечание

Количество

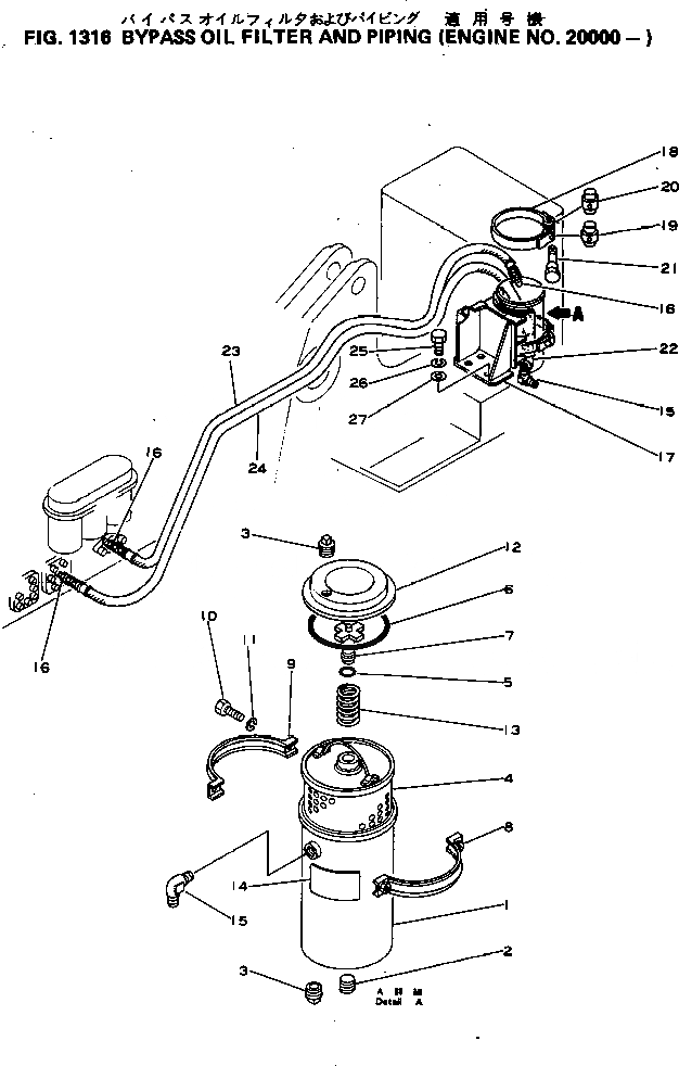
|1

6631-51-5000

OIL FILTER ASS'Y

SN: 20000-UP

1шт.

1

6610-51-5100

CASE

SN: 20000-UP

1шт.

2

6610-51-5640

PLUG

SN: 20000-UP

1шт.

3

6631-51-4520

PLUG

SN: 20000-UP

2шт.

|4

6610-51-5050

ELEMENT ASS'Y

SN: 20000-UP

1шт.

4

0

ELEMENT

SN: 20000-UP

1шт.

5

6610-51-5620

O-RING

SN: 20000-UP

1шт.

6

02894-07201

O-RING

SN: 20000-UP

1шт.

7

6610-51-5610

SUPPORT

SN: 20000-UP

1шт.

8

6610-51-5530

COUPLING

SN: 20000-UP

1шт.

9

6610-51-5520

COUPLING

SN: 20000-UP

1шт.

10

02010-20532

BOLT

SN: 20000-UP

2шт.

11

02310-11020

WASHER

SN: 20000-UP

2шт.

12

6610-51-5510

COVER

SN: 20000-UP

1шт.

13

6610-51-5630

SPRING

SN: 20000-UP

1шт.

14

09633-00125

PLATE¤ INSTRUCTION

SN: 20000-UP

1шт.

15

6127-51-5930

ELBOW,(SEE FIG.CHASSIS)

SN: 20000-UP

2шт.

16

6691-51-9961

NIPPLE,(SEE FIG.CHASSIS)

SN: 20000-UP

2шт.

17

178-01-13120

BRACKET,(SEE FIG.CHASSIS)

SN: 20000-UP

1шт.

18

6691-21-6540

BAND,(SEE FIG.CHASSIS)

SN: 20000-UP

2шт.

19

6691-21-6550

PIN,(SEE FIG.CHASSIS)

SN: 20000-UP

2шт.

20

6691-21-6560

PIN¤ WITH THREAD,(SEE FIG.CHASSIS)

SN: 20000-UP

2шт.

21

6643-11-4641

BOLT,(SEE FIG.CHASSIS)

SN: 20000-UP

2шт.

22

178-01-13130

TUBE,(SEE FIG.CHASSIS)

SN: 20000-UP

1шт.

23

07108-20440

HOSE,(SEE FIG.CHASSIS)

SN: 20000-UP

1шт.

24

07108-20445

HOSE,(SEE FIG.CHASSIS)

SN: 20000-UP

1шт.

25

01010-31230

BOLT,(SEE FIG.CHASSIS)

SN: 20000-UP

4шт.

26

01602-01236

WASHER,(SEE FIG.CHASSIS)

SN: 20000-UP

4шт.

27

01643-31232

WASHER,(SEE FIG.CHASSIS)

SN: 20000-UP

4шт.

|1

6631-51-5000

OIL FILTER ASS'Y

SN: 20000-UP

1шт.

1

6610-51-5100

CASE

SN: 20000-UP

1шт.

2

6610-51-5640

PLUG

SN: 20000-UP

1шт.

3

6631-51-4520

PLUG

SN: 20000-UP

2шт.

|4

6610-51-5050

ELEMENT ASS'Y

SN: 20000-UP

1шт.

4

0

ELEMENT

SN: 20000-UP

1шт.

5

6610-51-5620

O-RING

SN: 20000-UP

1шт.

6

02894-07201

O-RING

SN: 20000-UP

1шт.

7

6610-51-5610

SUPPORT

SN: 20000-UP

1шт.

8

6610-51-5530

COUPLING

SN: 20000-UP

1шт.

9

6610-51-5520

COUPLING

SN: 20000-UP

1шт.

10

02010-20532

BOLT

SN: 20000-UP

2шт.

11

02310-11020

WASHER

SN: 20000-UP

2шт.

12

6610-51-5510

COVER

SN: 20000-UP

1шт.

13

6610-51-5630

SPRING

SN: 20000-UP

1шт.

14

09633-00125

PLATE¤ INSTRUCTION

SN: 20000-UP

1шт.

15

6127-51-5930

ELBOW,(SEE FIG.CHASSIS)

SN: 20000-UP

2шт.

16

6691-51-9961

NIPPLE,(SEE FIG.CHASSIS)

SN: 20000-UP

2шт.

17

178-01-13120

BRACKET,(SEE FIG.CHASSIS)

SN: 20000-UP

1шт.

18

6691-21-6540

BAND,(SEE FIG.CHASSIS)

SN: 20000-UP

2шт.

19

6691-21-6550

PIN,(SEE FIG.CHASSIS)

SN: 20000-UP

2шт.

20

6691-21-6560

PIN¤ WITH THREAD,(SEE FIG.CHASSIS)

SN: 20000-UP

2шт.

21

6643-11-4641

BOLT,(SEE FIG.CHASSIS)

SN: 20000-UP

2шт.

22

178-01-13130

TUBE,(SEE FIG.CHASSIS)

SN: 20000-UP

1шт.

23

07108-20440

HOSE,(SEE FIG.CHASSIS)

SN: 20000-UP

1шт.

24

07108-20445

HOSE,(SEE FIG.CHASSIS)

SN: 20000-UP

1шт.

25

01010-31230

BOLT,(SEE FIG.CHASSIS)

SN: 20000-UP

4шт.

26

01602-01236

WASHER,(SEE FIG.CHASSIS)

SN: 20000-UP

4шт.

27

01643-31232

WASHER,(SEE FIG.CHASSIS)

SN: 20000-UP

4шт.

Выбрано товаров: 58