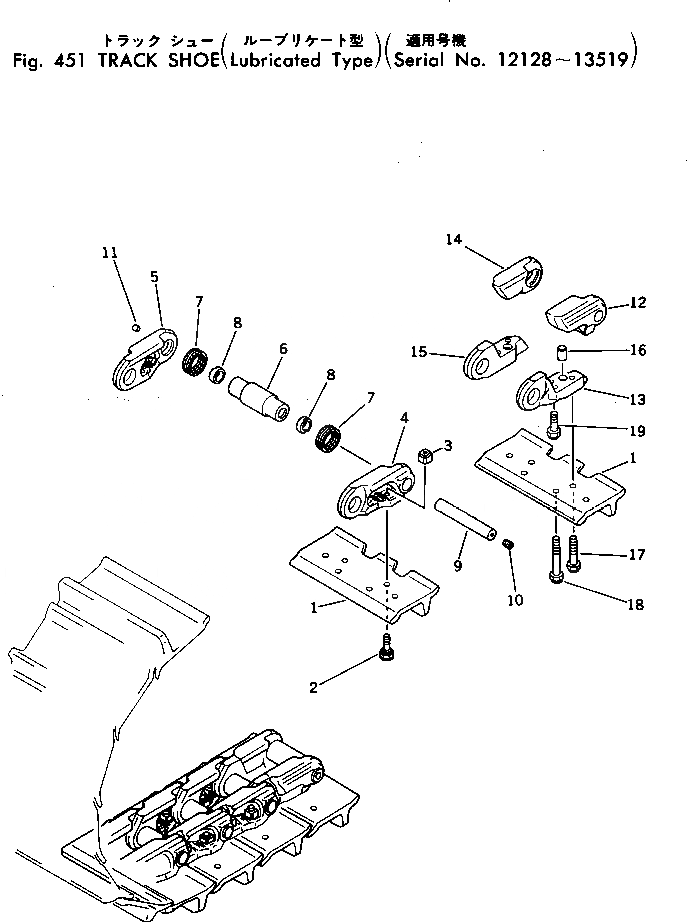
Запчасти Komatsu D155W-1 ГУСЕНИЦЫ (СМАЗЫВ. ТИПА) (7MM ШИР.) (ОДИНОЧН. ГРУНТОЗАЦЕП)(№8-9) ГУСЕНИЦЫ

Схема запчастей Komatsu D155W-1 - ГУСЕНИЦЫ (СМАЗЫВ. ТИПА) (7MM ШИР.) (ОДИНОЧН. ГРУНТОЗАЦЕП)(№8-9) ГУСЕНИЦЫ
FIT
1:1
100%

Артикул

Название

Примечание

Количество

|$$1

SINGLE 710MM

-1шт.

|$1

175-32-04311

TRACK SHOE ASS'Y

SN: 12128-13519

1шт.

1

175-32-11132

SHOE,TRACK

SN: 12128-@

82шт.

2

175-32-11210

BOLT,SHOE (KIT)

SN: 12128-@

312шт.

3

178-32-11220

NUT, SHOE (KIT)

SN: 12128-@

312шт.

|$5

175-32-00112

TRACK LINK ASS'Y

SN: 12128-13519

1шт.

4

178-32-11120

LINK,TRACK, L.H.

SN: 12128-@

78шт.

5

178-32-11130

LINK,TRACK, R.H.

SN: 12128-@

78шт.

6

175-32-81140

BUSHING

SN: 12128-@

82шт.

7

175-32-81290

SEAL ASS'Y

SN: 12128-13519

164шт.

8

175-32-81180

SPACER

SN: 12128-@

164шт.

9

175-32-81151

PIN

SN: 12128-@

82шт.

10

198-32-11291

PLUG,LARGE

SN: 12128-@

82шт.

11

198-32-11310

PLUG,SMALL

SN: 12128-@

82шт.

12

175-32-81122

LINK,MASTER, L.H., PIN SIDE

SN: 12128-13519

4шт.

13

175-32-81132

LINK, MASTER,L.H., BUSHING SIDE

SN: 12128-13519

4шт.

14

175-32-81222

LINK, MASTER,R.H., PIN SIDE

SN: 12128-13519

4шт.

15

175-32-81232

LINK, MASTER,R.H., BUSHING SIDE

SN: 12128-13519

4шт.

16

175-32-81240

PIN,DOWEL

SN: 12128-13519

8шт.

17

175-32-81190

BOLT,SHOE

SN: 12128-13519

8шт.

18

175-32-81210

BOLT,SHOE

SN: 12128-13519

8шт.

19

130-32-11213

BOLT, SHOE

SN: 12128-13519

8шт.

|$$23

SERVICE KIT

-1шт.

1

175-32-05100

SHOE BOLT AND NUT K.

SN: 12128-@

1шт.

2

175-32-11210

BOLT,SHOE

SN: 12128-@

30шт.

3

178-32-11220

NUT, SHOE

SN: 12128-@

30шт.

Выбрано товаров: 26