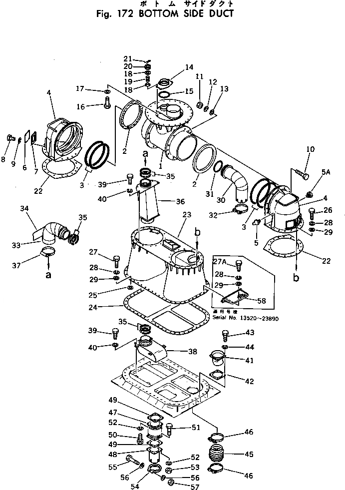
Запчасти Komatsu D155W-1 НИЖН.ВОЗДУХОВОДЫ КОМПОНЕНТЫ ДВИГАТЕЛЯ И ЭЛЕКТРИКА

Схема запчастей Komatsu D155W-1 - НИЖН. ВОЗДУХОВОДЫ КОМПОНЕНТЫ ДВИГАТЕЛЯ И ЭЛЕКТРИКА
FIT
1:1
100%

Артикул

Название

Примечание

Количество

1

177-02-11581

DUCT

SN: 12128-UP

1шт.

2

175-894-1890

SEAL

SN: 12128-UP

2шт.

3

07000-35400

O-RING

SN: 12128-UP

4шт.

4

175-894-1920

BRACKET

SN: 12128-UP

2шт.

5

07020-00000

FITTING

SN: 20080-UP

2шт.

5

07020-00000

FITTING

SN: 12128-20079

4шт.

5A

07029-0000

VALVE,RELIEF

SN: 20080-UP

2шт.

6

175-894-1740

PLATE

SN: 12128-UP

4шт.

7

175-894-1751

GASKET

SN: 23980-UP

4шт.

7

0

GASKET

SN: 12128-23979

4шт.

8

01020-01225

BOLT

SN: 23891-UP

16шт.

8

01010-31225

BOLT

SN: 12128-23890

16шт.

9

01602-21236

WASHER

SN: 12128-UP

16шт.

10

01020-01660

BOLT

SN: 23891-UP

20шт.

10

177-02-13280

BOLT

SN: 17326-23890

20шт.

10

0

BOLT

SN: 12128-17325

20шт.

11

01580-11613

NUT

SN: 12128-UP

20шт.

12

01602-21648

WASHER

SN: 12128-23890

20шт.

13

01643-31645

WASHER

SN: 12128-UP

20шт.

14

177-02-12350

FLANGE

SN: 12128-UP

1шт.

15

07000-35155

O-RING

SN: 12128-UP

1шт.

16

01012-51075

BOLT

SN: 12128-UP

4шт.

17

01643-31032

WASHER

SN: 12128-UP

4шт.

18

177-02-12370

RETAINER

SN: 12128-UP

8шт.

19

177-02-12360

SPRING

SN: 12128-UP

4шт.

20

01590-11012

NUT

SN: 12128-UP

4шт.

21

177-02-12380

PIN

SN: 12128-UP

4шт.

22

177-02-12341

GASKET

SN: 23980-UP

2шт.

22

0

GASKET

SN: 12128-23979

2шт.

23

177-02-11412

DUCT

SN: 12128-UP

1шт.

24

175-894-1670

SEAT

SN: 12128-UP

1шт.

25

01640-21223

WASHER

SN: 12128-UP

48шт.

26

01010-51240

BOLT

SN: 12128-UP

32шт.

27

01010-51250

BOLT

SN: 23891-UP

48шт.

27

01010-51250

BOLT

SN: 13520-23890

46шт.

27

01010-51250

BOLT

SN: 12128-13519

48шт.

27A

01010-51255

BOLT

SN: 13520-23890

6шт.

28

01602-21236

WASHER

SN: 12128-UP

80шт.

29

01643-31232

WASHER

SN: 12128-UP

80шт.

30

177-02-11261

PIPE

SN: 12128-UP

1шт.

31

07000-35170

O-RING

SN: 12128-UP

1шт.

32

07281-11659

CLAMP

SN: 23891-UP

1шт.

32

175-894-2410

CLAMP

SN: 12128-23890

2шт.

33

177-02-11571

PIPE

SN: 12128-UP

1шт.

34

175-54-35430

CLOTH

SN: 23891-UP

1шт.

34

175-54-35470

COMPOUND

SN: 23891-UP

1шт.

34

175-894-2390

CLOTH

SN: 12128-23890

1шт.

35

6128-31-2212

RING

SN: 13344-UP

6шт.

35

0

RING

SN: 12128-13343

6шт.

36

177-02-11492

DUCT

SN: 12128-UP

1шт.

37

07281-11919

CLAMP

SN: 23891-UP

5шт.

37

07281-11789

CLAMP

SN: 12128-23890

5шт.

38

177-02-11472

DUCT

SN: 12128-UP

1шт.

39

01010-51230

BOLT

SN: 12128-UP

4шт.

40

01602-21236

WASHER

SN: 12128-UP

4шт.

41

177-02-11431

TUBE

SN: 12128-UP

1шт.

42

177-02-11441

GASKET

SN: 23980-UP

1шт.

42

0

GASKET

SN: 12128-23979

1шт.

43

01010-51240

BOLT

SN: 20080-UP

4шт.

43

01010-51230

BOLT

SN: 12128-20079

4шт.

44

01602-21236

WASHER

SN: 12128-UP

4шт.

45

177-02-11421

BELLOWS

SN: 12128-UP

1шт.

46

175-894-2410

CLAMP

SN: 12128-UP

2шт.

47

177-02-11460

PIPE

SN: 12128-UP

1шт.

48

177-02-11451

PIPE

SN: 12128-UP

1шт.

49

6655-13-5750

GASKET

SN: 12128-UP

2шт.

50

01010-51235

BOLT

SN: 12128-UP

4шт.

51

01010-51240

BOLT

SN: 12128-UP

4шт.

52

01602-01236

WASHER

SN: 12128-UP

8шт.

53

01580-11210

NUT

SN: 12128-UP

4шт.

54

6127-11-5640

CLAMP

SN: 12128-UP

1шт.

55

01011-51420

BOLT

SN: 12128-UP

1шт.

56

01643-31445

WASHER

SN: 12128-UP

2шт.

57

01580-11411

NUT

SN: 12128-UP

1шт.

58

177-54-14530

STEP

SN: 13520-23890

2шт.

Выбрано товаров: 0