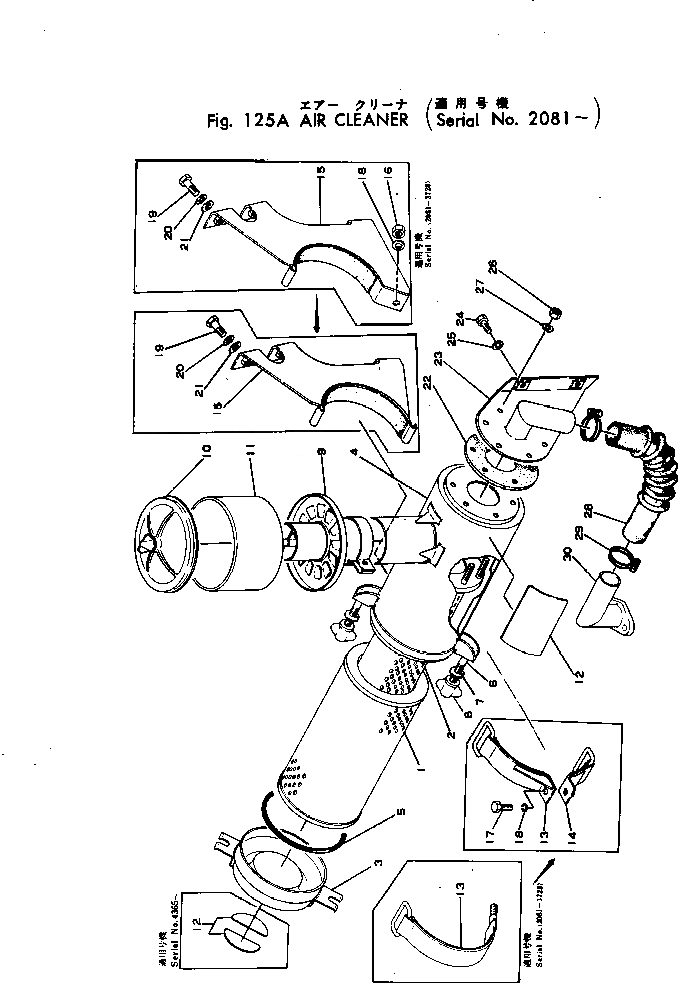
Запчасти Komatsu D20A-2 ВОЗДУХООЧИСТИТЕЛЬ(№8-) КОМПОНЕНТЫ ДВИГАТЕЛЯ И ЭЛЕКТРИКА

Схема запчастей Komatsu D20A-2 - ВОЗДУХООЧИСТИТЕЛЬ(№8-) КОМПОНЕНТЫ ДВИГАТЕЛЯ И ЭЛЕКТРИКА
FIT
1:1
100%

Артикул

Название

Примечание

Количество

|1

102-02-00023

AIR CLEANER ASS'Y

SN: 3635-UP

1шт.

|1

102-02-00022

AIR CLEANER ASS'Y

SN: 2081-3634

1шт.

|1

102-02-00040

AIR CLEANER SUB A.

SN: 3635-UP

1шт.

1

102-02-12112

ELEMENT

SN: 2081-UP

1шт.

2

102-02-12121

ELEMENT

SN: 2081-UP

1шт.

3

102-02-12131

COVER

SN: 2081-UP

1шт.

4

102-02-12142

BODY

SN: 3635-UP

1шт.

|4

102-02-12141

BODY

SN: 2081-3634

1шт.

5

102-02-12190

PACKING

SN: 2081-UP

1шт.

6

102-02-12270

BOLT

SN: 2081-UP

2шт.

7

01602-00825

WASHER

SN: 2081-UP

2шт.

8

102-02-12280

NUT

SN: 2081-UP

2шт.

|9

102-02-00031

PRECLEANER ASS'Y

SN: 2081-UP

1шт.

9

102-02-12151

SLEEVE

SN: 2081-UP

1шт.

10

102-02-12171

COVER

SN: 2081-UP

1шт.

11

102-02-12181

BODY

SN: 2081-UP

1шт.

12

101-02-12130

PLATE¤ CAUTION,(JAPANESE)

SN: 4365-UP

1шт.

|12

101-02-12140

PLATE¤ CAUTION,(ENGLISH)

SN: 4365-UP

1шт.

|12

6610-81-1311

PLATE¤ INSTRUCTION,(JAPANESE-ENGLISH)

SN: 1005-4364

1шт.

13

102-02-12213

BAND

SN: 3729-UP

1шт.

|13

102-02-12212

BAND

SN: 2081-3728

1шт.

14

102-02-12330

BAND

SN: 3729-UP

1шт.

15

102-02-12224

BRACKET

SN: 3729-UP

1шт.

|15

102-02-12223

BRACKET

SN: 2081-3728

1шт.

16

01500-31210

NUT

SN: 2081-3728

1шт.

17

01040-31245

BOLT

SN: 3729-UP

1шт.

18

01602-01236

WASHER

SN: 2081-UP

1шт.

19

01040-31020

BOLT

SN: 1005-UP

3шт.

20

01602-01030

WASHER

SN: 2081-UP

3шт.

21

01642-01016

WASHER

SN: 2081-UP

2шт.

22

100-02-12240

GASKET

SN: 2081-UP

1шт.

23

102-02-12234

BRACKET

SN: 2081-UP

1шт.

24

01040-31020

BOLT

SN: 1005-UP

2шт.

25

01602-01030

WASHER

SN: 2081-UP

2шт.

26

01500-30807

NUT

SN: 1005-UP

6шт.

27

01602-00825

WASHER

SN: 2081-UP

6шт.

28

102-02-12252

HOSE

SN: 1009-UP

1шт.

29

07280-05729

CLAMP

SN: 1005-UP

4шт.

30

102-02-12262

FLANGE

SN: 1005-UP

1шт.

Выбрано товаров: 39