Качественные детали и логистика
Оригинальные и аналоговые запчасти с доставкой по России, Казахстану и Беларуси
©2022 PartSell ООО "Система" ИНН 2463123282 ОГРН 1212400004838
Центральный офис: г. Красноярск, Академика Киренского, д.87, пом.4
Телефон: 8 (800) 777-65-74 Email: zakaz@partsell.ru
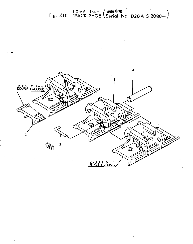
ГУСЕНИЦЫ(№-8)
№
Артикул
Название
Примечание
Количество
|1
101-32-00040
TRACK SHOE ASS'Y,SINGLE
SN: 1005-2080
1шт.
1
100-32-21110
SHOE,TRACK
64шт.
2
100-32-11120
PIN
SN: 1005-@
3
100-32-11130
PIN,COTTER
128шт.
Выбрано товаров: 0