Запчасти Komatsu D20A-3 ПЕРЕДН. ЛЕНИВЕЦ ГУСЕНИЦЫ И ЧАСТИ КОРПУСА

Схема запчастей Komatsu D20A-3 - ПЕРЕДН. ЛЕНИВЕЦ ГУСЕНИЦЫ И ЧАСТИ КОРПУСА
FIT
1:1
100%

Артикул

Название

Примечание

Количество

|$0

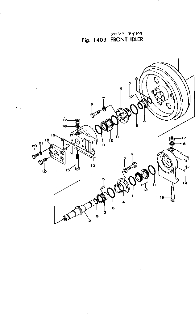
101-30-00072

IDLER ASS'Y

SN: 20007-UP

2шт.

1

101-30-11131

IDLER,FRONT

SN: 20007-UP

1шт.

2

101-30-11141

SHAFT,FRONT IDLER

SN: 20007-UP

1шт.

|$3

101-30-00091

BUSHING ASS'Y

SN: 20007-UP

2шт.

3

100-30-15120

BUSHING

SN: 20007-UP

1шт.

4

100-30-15130

BUSHING

SN: 20007-UP

1шт.

5

100-30-13150

PIN,DOWEL

SN: 20007-UP

2шт.

6

01010-30820

BOLT

SN: 20007-UP

12шт.

7

01602-00825

WASHER,SPRING

SN: 20007-UP

12шт.

8

07000-03062

O-RING (KIT)

SN: 20007-UP

2шт.

9

07000-03032

O-RING (KIT)

SN: 20007-UP

2шт.

10

101-30-11430

BOLT

SN: 20007-UP

1шт.

|$12

110-30-00045

FLOATING SEAL ASS'Y

SN: 20007-UP

2шт.

11

0

O-RING

SN: 20007-UP

2шт.

12

0

RING,SEAL

SN: 20007-UP

2шт.

13

101-30-21310

SUPPORT,FRONT IDLER

SN: 20007-UP

1шт.

14

101-30-21320

SUPPORT,FRONT IDLER

SN: 20007-UP

1шт.

15

101-30-11191

BOLT

SN: 20007-UP

2шт.

16

01602-01442

WASHER,SPRING

SN: 20007-UP

2шт.

17

01580-01411

NUT

SN: 20007-UP

2шт.

18

101-30-11540

COVER,FRONT IDLER

SN: 20007-UP

2шт.

19

101-30-11550

SHIM, 1.0MM

SN: 20007-UP

8шт.

20

01010-31030

BOLT

SN: 20007-UP

8шт.

21

01602-01030

WASHER,SPRING

SN: 20007-UP

8шт.

Выбрано товаров: 24