Запчасти Komatsu D20A-3 ПОДДЕРЖИВАЮЩИЙ КАТОК ГУСЕНИЦЫ И ЧАСТИ КОРПУСА

Схема запчастей Komatsu D20A-3 - ПОДДЕРЖИВАЮЩИЙ КАТОК ГУСЕНИЦЫ И ЧАСТИ КОРПУСА
FIT
1:1
100%

Артикул

Название

Примечание

Количество

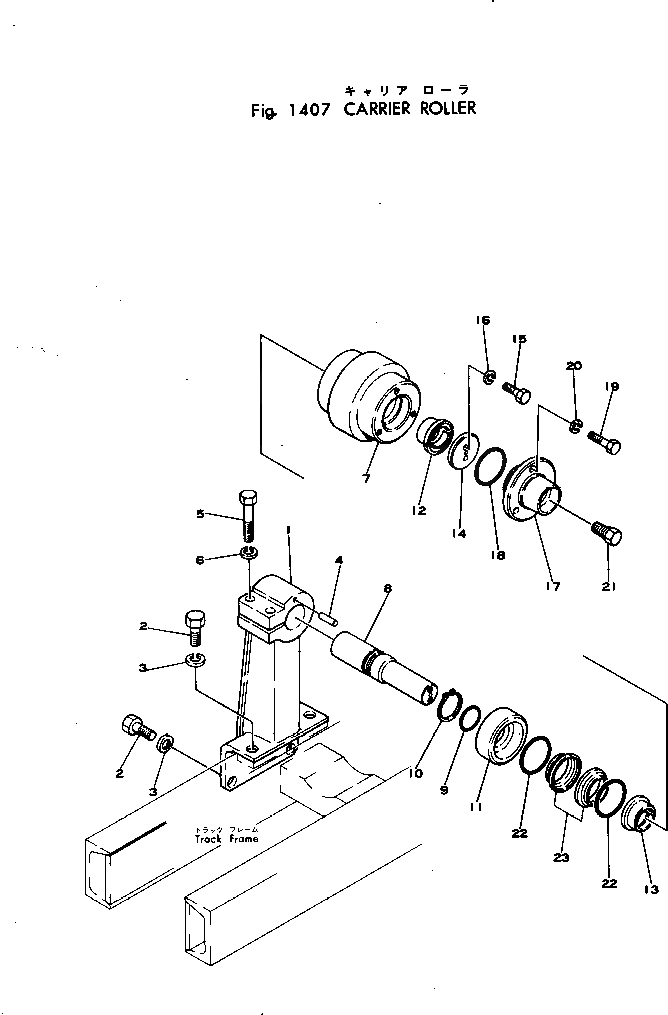
1

102-30-11241

SUPPORT,CARRIER ROLLER

SN: .-UP

2шт.

1

102-30-11240

SUPPORT,CARRIER ROLLER

SN: 20007-.

2шт.

2

01010-31435

BOLT

SN: .-UP

6шт.

2

01010-31430

BOLT

SN: 20007-.

8шт.

3

01602-01442

WASHER,SPRING

SN: .-UP

6шт.

3

01602-01442

WASHER,SPRING

SN: 20007-.

8шт.

4

04020-00514

PIN,DOWEL

SN: 20007-UP

2шт.

5

01010-31250

BOLT

SN: 20007-UP

4шт.

6

01602-01236

WASHER,SPRING

SN: 20007-UP

4шт.

|$9

102-30-00012

CARRIER ROLLER ASS'Y

SN: 20007-UP

2шт.

7

102-30-11151

ROLLER,CARRIER

SN: 20007-UP

1шт.

8

102-30-11141

SHAFT,CARRIER ROLLER

SN: 20007-UP

1шт.

9

07000-03032

O-RING (KIT)

SN: 20007-UP

1шт.

10

04064-03818

RING,SNAP

SN: 20007-UP

1шт.

11

102-30-11190

COVER

SN: 20007-UP

1шт.

12

102-30-11160

BUSHING

SN: 20007-UP

1шт.

13

102-30-11170

BUSHING

SN: 20007-UP

1шт.

14

102-30-11180

PLATE

SN: 20007-UP

1шт.

15

01010-30816

BOLT

SN: 20007-UP

2шт.

16

01602-00825

WASHER,SPRING

SN: 20007-UP

2шт.

17

102-30-11222

COVER,CARRIER ROLLER

SN: 20007-UP

1шт.

18

07000-03052

O-RING (KIT)

SN: 20007-UP

1шт.

19

01010-30820

BOLT

SN: 20007-UP

3шт.

20

01602-00825

WASHER,SPRING

SN: 20007-UP

3шт.

21

101-30-11430

BOLT,SEAL

SN: 20007-UP

1шт.

|$25

110-30-00045

FLOATING SEAL ASS'Y

SN: 20007-UP

1шт.

22

0

O-RING

SN: 20007-UP

2шт.

23

0

RING,SEAL

SN: 20007-UP

2шт.

Выбрано товаров: 28