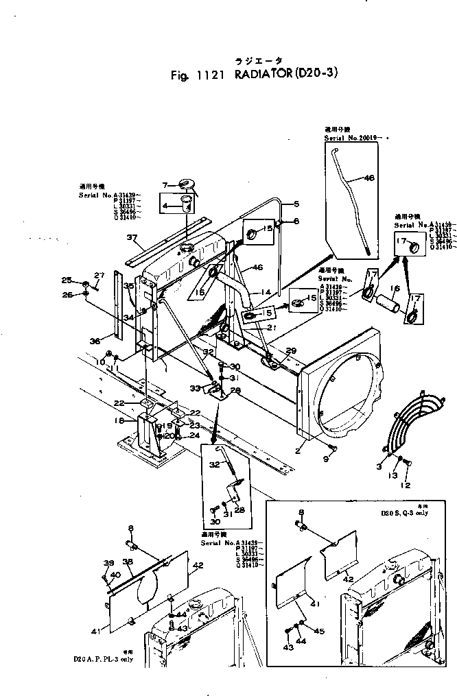
Запчасти Komatsu D20A-3 РАДИАТОР КОМПОНЕНТЫ ДВИГАТЕЛЯ И ЭЛЕКТРИКА

Схема запчастей Komatsu D20A-3 - РАДИАТОР КОМПОНЕНТЫ ДВИГАТЕЛЯ И ЭЛЕКТРИКА
FIT
1:1
100%

Артикул

Название

Примечание

Количество

|1

101-03-00017

RADIATOR ASS'Y

SN: 31439-UP

1шт.

|1

101-03-00016

RADIATOR ASS'Y

SN: 28877-31438

1шт.

|1

0

RADIATOR ASS'Y

SN: 20007-28876

1шт.

1

101-03-21102

CORE ASS'Y

SN: 31439-UP

1шт.

|1

101-03-21101

CORE ASS'Y

SN: 28877-31438

1шт.

|1

0

CORE ASS'Y

SN: 20007-28876

1шт.

|$$7

(101-03-21101{101-03-15130¤}

-1шт.

|$$8

101-03-21112)

-1шт.

2

101-03-21113

SHROUD,FAN

SN: 31439-UP

1шт.

|2

101-03-21112

SHROUD,FAN

SN: 28877-31438

1шт.

|2

101-03-21111

SHROUD,FAN

SN: 20007-28876

1шт.

3

101-03-21121

NET,WIRE

SN: 20007-UP

1шт.

4

101-03-15130

STRAINER

SN: 31439-UP

1шт.

|4

101-03-13160

STRAINER

SN: 20007-28876

1шт.

5

101-03-13170

PIPE,OVER FLOW

SN: 20007-UP

1шт.

6

101-03-13180

CLIP

SN: 20007-UP

2шт.

7

101-03-13141

CAP

SN: 20007-UP

1шт.

8

07730-10003

VALVE

SN: 28877-UP

1шт.

|8

0

VALVE

SN: 20007-28876

1шт.

9

01010-30814

BOLT

SN: 20007-UP

6шт.

10

01580-00806

NUT

SN: 20007-UP

6шт.

11

01602-00825

WASHER,SPRING

SN: 20007-UP

6шт.

12

01010-30610

BOLT

SN: 20007-UP

4шт.

13

01602-00619

WASHER,SPRING

SN: 20007-UP

4шт.

14

101-03-21151

HOSE,INLET

SN: 20007-UP

1шт.

15

07281-00489

CLAMP

SN: 31948-UP

2шт.

|15

07281-00549

CLAMP

SN: 31439-31947

2шт.

|15

07280-04426

CLAMP

SN: 20007-31438

2шт.

16

101-03-21160

HOSE,OUTLET

SN: 20007-UP

1шт.

17

07281-00489

CLAMP

SN: 31948-UP

2шт.

|17

07281-00549

CLAMP

SN: 31439-31947

2шт.

|17

07280-04726

CLAMP

SN: 20007-31438

2шт.

18

101-03-12122

BRACKET,RADIATOR¤ L.H.

SN: 20007-UP

1шт.

19

01010-31225

BOLT

SN: 20007-UP

4шт.

20

01602-01236

WASHER,SPRING

SN: 20007-UP

4шт.

21

101-03-12132

BRACKET,RADIATOR¤ R.H.

SN: 20007-UP

1шт.

22

100-03-12140

SEAT,RADIATOR MOUNT

SN: 20007-UP

4шт.

23

100-03-12150

WASHER

SN: 20007-UP

2шт.

24

01052-31260

BOLT

SN: 20007-UP

2шт.

25

01593-01210

NUT

SN: 20007-UP

2шт.

26

01640-01223

WASHER

SN: 20007-UP

2шт.

27

04050-03025

PIN,COTTER

SN: 20007-UP

2шт.

28

103-03-11110

BRACKET,SUPPORTING ROD

SN: 31439-UP

2шт.

|28

101-03-12150

BRACKET,SUPPORTING ROD¤ L.H.

SN: 20007-31438

1шт.

29

101-03-12160

BRACKET,SUPPORTING ROD¤ R.H.

SN: 20007-31438

1шт.

30

01010-31025

BOLT

SN: 31439-UP

2шт.

|30

01010-31020

BOLT

SN: 20007-31438

2шт.

31

01602-01030

WASHER,SPRING

SN: 20007-UP

2шт.

32

103-03-11121

ROD,SUPPORTING

SN: 31439-UP

2шт.

|32

101-03-12170

ROD,SUPPORTING¤ L.H.

SN: 20019-31438

1шт.

|32

101-03-12170

ROD,SUPPORTING

SN: 20007-20018

2шт.

33

01580-01008

NUT

SN: 20007-UP

4шт.

34

01641-01223

WASHER

SN: 20007-UP

2шт.

35

04050-03015

PIN,COTTER

SN: 20007-UP

2шт.

36

101-03-14151

PLATE,RUBBER

SN: 20007-UP

2шт.

37

101-03-21171

PLATE,RUBBER

SN: 20007-UP

1шт.

38

101-03-21220

PLATE

SN: 20007-UP

1шт.

39

01010-30616

BOLT

SN: 20007-UP

13шт.

40

01602-00619

WASHER,SPRING

SN: 20007-UP

13шт.

41

101-03-21181

PLATE

SN: 20007-UP

1шт.

42

101-03-21192

PLATE

SN: 20007-UP

1шт.

43

01010-30614

BOLT

SN: 20007-UP

4шт.

44

01602-00619

WASHER,SPRING

SN: 20007-UP

4шт.

45

01642-20608

WASHER

SN: 20000-20000

4шт.

46

101-03-21240

ROD,SUPPORTING¤ R.H.

SN: 20019-31438

1шт.

Выбрано товаров: 65