Запчасти Komatsu D20A-5 КОНЕЧНАЯ ПЕРЕДАЧА И ВАЛ СИСТЕМАУПРАВЛЕНИЯ ПОВОРОТОМ И КОНЕЧНАЯ ПЕРЕДАЧА

Схема запчастей Komatsu D20A-5 - КОНЕЧНАЯ ПЕРЕДАЧА И ВАЛ СИСТЕМАУПРАВЛЕНИЯ ПОВОРОТОМ И КОНЕЧНАЯ ПЕРЕДАЧА
FIT
1:1
100%

Артикул

Название

Примечание

Количество

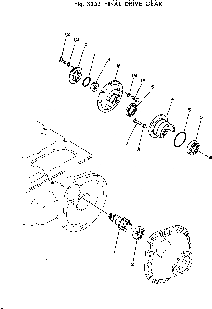
1

103-27-21210

PINION, 11 TEETH

SN: 45001-UP

2шт.

2

103-27-21260

BEARING,ROLLER

SN: 45001-UP

2шт.

3

06044-00309

BEARING,ROLLER

SN: 45001-UP

2шт.

4

103-27-21270

RETAINER

SN: 45001-UP

2шт.

5

07000-02115

O-RING

SN: 45001-UP

2шт.

6

07012-00065

SEAL,OIL

SN: 45001-UP

2шт.

7

01010-31030

BOLT

SN: 45001-UP

8шт.

8

01602-01030

WASHER,SPRING

SN: 45001-UP

8шт.

9

103-27-21232

FLANGE

SN: 45001-UP

2шт.

10

101-27-21150

LOCK

SN: 45001-UP

2шт.

11

07000-02070

O-RING

SN: 45001-UP

2шт.

12

01010-31220

BOLT

SN: 45001-UP

4шт.

13

01602-01236

WASHER,SPRING

SN: 45001-UP

4шт.

14

101-27-21140

NUT

SN: 45001-UP

2шт.

15

01010-31025

BOLT

SN: 45001-UP

16шт.

16

01602-01030

WASHER,SPRING

SN: 45001-UP

16шт.

Выбрано товаров: 16