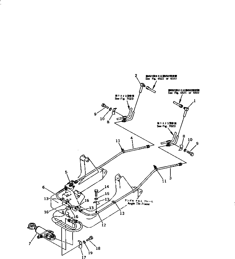
Запчасти Komatsu D20A-6 ГИДРОЛИНИЯ (ЦИЛИНДР ПЕРЕКОСА ЛИНИЯ) (DOZER )(ДЛЯ ПОВОРОТН. ОТВАЛА С ИЗМ. УГЛОМ DOZER) РАБОЧЕЕ ОБОРУДОВАНИЕ

Схема запчастей Komatsu D20A-6 - ГИДРОЛИНИЯ (ЦИЛИНДР ПЕРЕКОСА ЛИНИЯ) (DOZER ) (ДЛЯ ПОВОРОТН. ОТВАЛА С ИЗМ. УГЛОМ DOZER) РАБОЧЕЕ ОБОРУДОВАНИЕ
FIT
1:1
100%

Артикул

Название

Примечание

Количество

1

104-62-37280

TUBE,L.H.

SN: 60001-UP

1шт.

2

104-62-34610

TUBE,R.H.

SN: 60001-UP

1шт.

3

104-62-37211

HOSE

SN: 67541-UP

1шт.

3

0

HOSE

SN: 61022-67540

1шт.

3

0

HOSE

SN: 60001-61021

1шт.

|$$6

(104-62-37210,104-62-37250(3))

-1шт.

4

104-62-37221

HOSE

SN: 67541-UP

1шт.

4

0

HOSE

SN: 61022-67540

1шт.

4

07113-00212

HOSE

SN: 60001-61021

1шт.

5

104-62-37450

NIPPLE

SN: 60001-UP

1шт.

6

104-62-37231

HOSE

SN: 67541-UP

1шт.

6

0

HOSE

SN: 61022-67540

1шт.

6

0

HOSE

SN: 60001-61021

1шт.

|$$14

(104-62-37230,104-62-37250)

-1шт.

7

0

CYLINDER GROUP,TILT

SN: 60001-UP

1шт.

8

114-62-23150

CLIP

SN: 60001-UP

2шт.

9

01010-51035

BOLT

SN: 63438-UP

2шт.

9

01010-51030

BOLT

SN: 60001-63437

2шт.

10

01602-21030

WASHER,SPRING

SN: 60001-UP

2шт.

11

08034-00414

BAND

SN: 60001-UP

2шт.

12

113-06-23220

COVER

SN: 60001-UP

4шт.

13

104-62-37250

CLAMP

SN: 61022-UP

4шт.

13

207-62-16760

CLAMP

SN: 60001-61021

4шт.

14

01010-51020

BOLT

SN: 60001-UP

4шт.

15

01602-21030

WASHER,SPRING

SN: 60001-UP

4шт.

16

08034-00823

BAND

SN: 60001-UP

3шт.

17

104-62-33270

CLIP

SN: 61972-UP

1шт.

17

0

CLIP

SN: 60001-61971

1шт.

18

01010-50830

BOLT

SN: 61972-UP

1шт.

18

01010-50835

BOLT

SN: 60001-61971

1шт.

19

01602-20825

WASHER,SPRING

SN: 60001-UP

1шт.

Выбрано товаров: 0