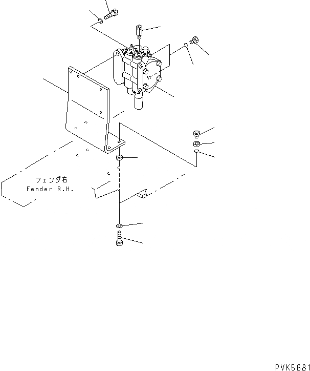
Запчасти Komatsu D20A-7-M ОСНОВН. КЛАПАН (КРЕПЛЕНИЕ) (ДЛЯ ПОВОРОТНОГО ОТВАЛА) ГИДРАВЛИКА

Схема запчастей Komatsu D20A-7-M - ОСНОВН. КЛАПАН (КРЕПЛЕНИЕ) (ДЛЯ ПОВОРОТНОГО ОТВАЛА) ГИДРАВЛИКА
1
2
3
4
5
6
7
8
9
10
10
11
12
FIT
1:1
100%

Артикул

Название

Примечание

Количество

1

104-60-41100

VALVE ASS'Y,(SEE FIG. Y1680-21A0)

SN: 78604-UP

1шт.

2

700-22-11750

PLUG

SN: 78604-UP

1шт.

3

07040-11812

PLUG

SN: 78604-UP

2шт.

4

07002-11823

O-RING

SN: 78604-UP

2шт.

5

01010-80825

BOLT

SN: 78604-UP

3шт.

6

01602-20825

WASHER,SPRING

SN: 78604-UP

3шт.

7

104-60-32121

BRACKET

SN: 78604-UP

1шт.

8

01010-80825

BOLT

SN: 78604-UP

4шт.

9

01602-20825

WASHER,SPRING

SN: 78604-UP

4шт.

10

104-60-32130

CUSHION

SN: 78604-UP

8шт.

11

104-60-32140

COLLAR

SN: 78604-UP

4шт.

12

07000-02015

O-RING

SN: 78604-UP

4шт.

Выбрано товаров: 12