Запчасти Komatsu D20A-8 DOZER РАМА (ДЛЯ PAT) РАБОЧЕЕ ОБОРУДОВАНИЕ

Схема запчастей Komatsu D20A-8 - DOZER РАМА (ДЛЯ PAT) РАБОЧЕЕ ОБОРУДОВАНИЕ
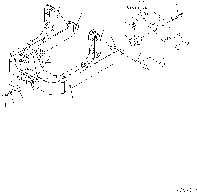
1
2
3
4
5
5
6
7
8
9
10
11
12
13
14
15
16
17
6
7
8
9
FIT
1:1
100%

Артикул

Название

Примечание

Количество

1

104-72-53300

.FRAME

SN: 83001-UP

1шт.

2

104-72-33321

..BRACKET,L.H. (WELDED)

SN: 83001-UP

1шт.

3

104-72-33331

..BRACKET,R.H. (WELDED)

SN: 83001-UP

1шт.

4

104-72-32342

..BRACKET (WELDED)

SN: 83001-UP

1шт.

5

104-72-31341

..BRACKET (WELDED)

SN: 83001-UP

2шт.

6

0

..BEARING,(WELDED) (KIT)

SN: 83001-UP

1шт.

7

130-70-13231

.CAP (KIT)

SN: 83001-UP

1шт.

8

01010-82490

.BOLT (KIT)

SN: 83001-UP

2шт.

9

01643-32460

.WASHER (KIT)

SN: 83001-UP

2шт.

10

104-72-22371

BRACKET

SN: 83001-UP

2шт.

11

07020-00000

FITTING,GREASE

SN: 83001-UP

2шт.

12

01010-82060

BOLT

SN: 83001-UP

6шт.

13

01643-32060

WASHER

SN: 83001-UP

6шт.

14

104-72-21820

PIN

SN: 83001-UP

2шт.

15

104-72-21880

LOCK

SN: 83001-UP

2шт.

16

01010-81025

BOLT

SN: 83001-UP

2шт.

17

01602-21030

WASHER,SPRING

SN: 83001-UP

2шт.

B

»GSERVICEKIT

SERVICE KIT

SN: 83001-UP

1шт.

|18

104-72-00011

PIVOT ASS'Y

SN: 83001-UP

1шт.

6

0

.BEARING

SN: 83001-UP

1шт.

7

130-70-13231

.CAP

SN: 83001-UP

1шт.

8

01010-82490

.BOLT

SN: 83001-UP

2шт.

9

01643-32460

.WASHER

SN: 83001-UP

2шт.

Выбрано товаров: 23