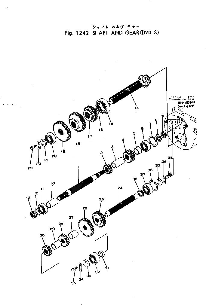
Запчасти Komatsu D20P-3 ВАЛ И ПРИВОД ОСНОВН. МУФТА И ТРАНСМИССИЯ

Схема запчастей Komatsu D20P-3 - ВАЛ И ПРИВОД ОСНОВН. МУФТА И ТРАНСМИССИЯ
FIT
1:1
100%

Артикул

Название

Примечание

Количество

|$0

102-14-00016

TRANSMISSION ASS'Y

SN: 20007-UP

1шт.

1

102-14-12111

SHAFT,MAIN

SN: 20007-UP

1шт.

2

100-14-12150

GEAR

SN: 20007-UP

1шт.

3

102-14-12160

COLLAR

SN: 20007-UP

1шт.

4

102-14-12120

GEAR

SN: 20007-UP

1шт.

5

102-14-12140

COLLAR

SN: 20007-UP

1шт.

6

06044-00306

BEARING

SN: 20007-UP

1шт.

7

04065-07225

RING,SNAP

SN: 20007-UP

1шт.

8

01658-02718

WASHER,LOCK

SN: 20007-UP

1шт.

9

01530-02710

NUT

SN: 20007-UP

1шт.

10

102-14-12170

COLLAR

SN: 20007-UP

1шт.

11

06040-06207

BEARING

SN: 20007-UP

1шт.

12

01658-03318

WASHER,LOCK

SN: 20007-UP

1шт.

13

01530-03310

NUT

SN: 20007-UP

1шт.

14

101-14-21121

SHAFT,COUNTER

SN: 28877-UP

1шт.

14

101-14-21120

SHAFT,COUNTER

SN: 20007-28876

1шт.

15

06040-21309

BEARING

SN: 20007-UP

1шт.

16

04064-04518

RING,SNAP

SN: 20007-UP

1шт.

17

102-14-14120

GEAR

SN: 20007-UP

1шт.

18

102-14-12130

GEAR

SN: 20007-UP

1шт.

19

100-14-13150

GEAR

SN: 20007-UP

1шт.

20

06040-05306

BEARING

SN: 28877-UP

1шт.

20

06040-06306

BEARING

SN: 20007-28876

1шт.

21

100-14-13170

WASHER

SN: 20007-UP

1шт.

22

100-14-13180

LOCK

SN: 20007-UP

1шт.

23

01010-30820

BOLT

SN: 20007-UP

1шт.

24

102-14-14110

SHAFT,INTERMEDIATE

SN: 20007-UP

1шт.

25

102-14-13141

GEAR

SN: 20007-UP

1шт.

26

102-14-18160

GEAR

SN: 20007-UP

1шт.

27

102-14-14130

COLLAR

SN: 20007-UP

1шт.

28

102-14-14150

GEAR

SN: 20007-UP

1шт.

29

102-14-14140

COLLAR

SN: 20007-UP

1шт.

30

100-14-14170

GEAR

SN: 20007-UP

1шт.

31

100-14-14160

SPACER

SN: 20007-UP

1шт.

32

06040-05306

BEARING,BALL

SN: 20007-UP

1шт.

33

100-14-13170

WASHER

SN: 20007-UP

2шт.

34

100-14-13180

LOCK

SN: 20007-UP

2шт.

35

01010-30820

BOLT

SN: 20007-UP

4шт.

36

100-14-12140

SPACER

SN: 20007-UP

1шт.

37

06044-00306

BEARING,ROLLER

SN: 20007-UP

1шт.

38

04065-07225

RING,SNAP

SN: 20007-UP

1шт.

Выбрано товаров: 41