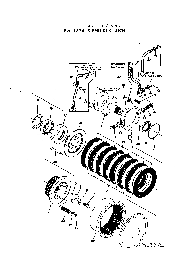
Запчасти Komatsu D20P-3 БОРТОВ. ФРИКЦИОН КОНЕЧНАЯ ПЕРЕДАЧА И СИСТЕМАУПРАВЛЕНИЯ ПОВОРОТОМ

Схема запчастей Komatsu D20P-3 - БОРТОВ. ФРИКЦИОН КОНЕЧНАЯ ПЕРЕДАЧА И СИСТЕМАУПРАВЛЕНИЯ ПОВОРОТОМ
FIT
1:1
100%

Артикул

Название

Примечание

Количество

|$0

101-22-00013

CLUTCH ASS'Y

SN: 31782-UP

2шт.

|$1

0

CLUTCH ASS'Y

SN: 20007-31781

2шт.

1

101-22-11121

SHAFT,STEERING CLUTCH

SN: 31782-UP

1шт.

1

0

SHAFT,STEERING CLUTCH

SN: 20007-31781

1шт.

|$$5

(101-22-11121,101-22-21160)

-1шт.

2

01650-01816

WASHER,LOCK

SN: 20007-UP

1шт.

3

04020-00514

PIN,DOWEL

SN: 20007-UP

1шт.

4

101-22-21160

DRUM,INNER

SN: 31782-UP

1шт.

4

0

DRUM,INNER

SN: 20007-31781

1шт.

|$$10

(101-22-21160,101-22-11121)

-1шт.

5

100-21-12150

WASHER

SN: 20007-UP

1шт.

6

01050-31840

BOLT

SN: 20007-UP

1шт.

|$12

101-22-00021

YOKE ASS'Y,CLUTCH RELEASE

SN: 20007-UP

1шт.

7

100-22-12100

YOKE,CLUTCH RELEASE

SN: 20007-UP

1шт.

7

0

YOKE,CLUTCH RELEASE

SN: 20007-UP

1шт.

8

0

BALL

SN: 20007-UP

1шт.

9

120-22-11220

SCREW

SN: 20007-UP

1шт.

10

01583-01610

NUT

SN: 20007-UP

1шт.

11

101-22-21110

BOLT

SN: 20007-UP

1шт.

12

100-22-13120

WASHER

SN: 20007-UP

1шт.

13

101-22-21120

BOLT

SN: 20007-UP

1шт.

14

100-22-13120

WASHER

SN: 20007-UP

1шт.

15

101-22-21150

CAGE,BEARING

SN: 20007-UP

1шт.

16

06041-06212

BEARING

SN: 20007-UP

1шт.

17

100-22-14120

RING,SNAP

SN: 20007-UP

1шт.

18

100-22-14130

PLATE

SN: 20007-UP

1шт.

19

100-22-14140

NUT

SN: 20007-UP

1шт.

20

100-22-14150

SCREW

SN: 20007-UP

1шт.

21

100-22-14160

PLATE,PRESSURE

SN: 20007-UP

1шт.

22

100-22-14170

ROD

SN: 20007-UP

8шт.

23

100-22-14180

SPRING

SN: 20007-UP

8шт.

24

100-22-14190

STOPPER

SN: 20007-UP

16шт.

25

100-22-14210

SEAT,SPRING

SN: 20007-UP

8шт.

|$33

101-22-00030

LINING ASS'Y

SN: 20007-UP

1шт.

26

100-22-15101

DISC

SN: 20007-UP

8шт.

27

100-22-15210

PLATE,CLUTCH

SN: 20007-UP

7шт.

28

100-22-15310

DRUM,OUTER

SN: 20007-UP

2шт.

|$37

101-22-00043

HOSE ASS'Y

SN: 28877-UP

2шт.

|$38

101-22-00042

HOSE ASS'Y

SN: 20007-28876

2шт.

|$39

103-22-00020

HOSE ASS'Y

SN: 20000-20000

2шт.

29

07958-01536

HOSE,GREASE

SN: 28877-UP

1шт.

29

101-22-21140

HOSE,GREASE

SN: 20007-28876

1шт.

29

103-22-11110

HOSE,GREASE

SN: 20000-20000

1шт.

30

100-22-12230

WASHER

SN: 20007-UP

1шт.

30

100-22-12230

WASHER

SN: 20000-20000

2шт.

31

07003-11621

GASKET

SN: 20007-UP

1шт.

31

07003-11621

GASKET

SN: 20000-20000

2шт.

32

101-22-21130

BOLT

SN: 20007-UP

1шт.

32

101-22-21130

BOLT

SN: 20000-20000

2шт.

33

04059-01020

WIRE,LOCK

SN: 20007-UP

1шт.

33

04059-01020

WIRE,LOCK

SN: 20000-20000

2шт.

34

08036-01414

CLIP

SN: 20000-20000

1шт.

35

01010-31016

BOLT

SN: 20000-20000

1шт.

36

01602-01030

WASHER

SN: 20000-20000

1шт.

37

07003-11824

GASKET

SN: 28877-UP

2шт.

Выбрано товаров: 55