Запчасти Komatsu 4D92-1A - -

Схема запчастей Komatsu 4D92-1A - - -
FIT
1:1
100%

Артикул

Название

Примечание

Количество

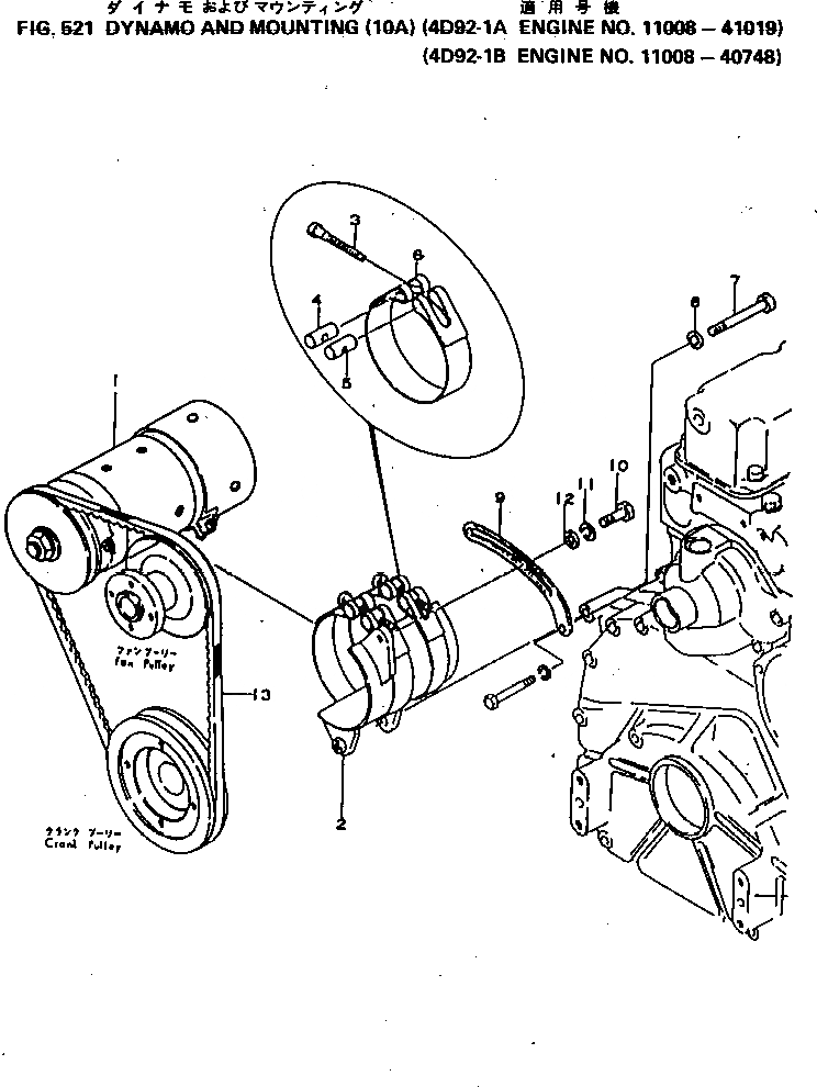
1

600-811-2110

SN: 11008-41019

1шт.

2

6141-81-6472

SN: 11008-41019

1шт.

3

6110-23-6520

SN: 11008-41019

2шт.

4

6110-21-6530

SN: 11008-41019

2шт.

5

6110-21-6540

SN: 11008-41019

2шт.

6

6111-21-6460

SN: 11008-41019

2шт.

7

01010-31085

SN: 11008-41019

1шт.

8

01602-01030

SN: 11008-41019

1шт.

9

6141-81-6452

SN: 11008-41019

1шт.

10

01010-30825

SN: 11008-41019

2шт.

11

01602-00825

SN: 11008-41019

1шт.

12

01643-00823

SN: 11008-41019

1шт.

13

600-736-5311

SN: 33517-41019

1шт.

|13

0

SN: 11008-33516

1шт.

1

600-811-2110

SN: 11008-41019

1шт.

2

6141-81-6472

SN: 11008-41019

1шт.

3

6110-23-6520

SN: 11008-41019

2шт.

4

6110-21-6530

SN: 11008-41019

2шт.

5

6110-21-6540

SN: 11008-41019

2шт.

6

6111-21-6460

SN: 11008-41019

2шт.

7

01010-31085

SN: 11008-41019

1шт.

8

01602-01030

SN: 11008-41019

1шт.

9

6141-81-6452

SN: 11008-41019

1шт.

10

01010-30825

SN: 11008-41019

2шт.

11

01602-00825

SN: 11008-41019

1шт.

12

01643-00823

SN: 11008-41019

1шт.

13

600-736-5311

SN: 33517-41019

1шт.

|13

0

SN: 11008-33516

1шт.

Выбрано товаров: 0