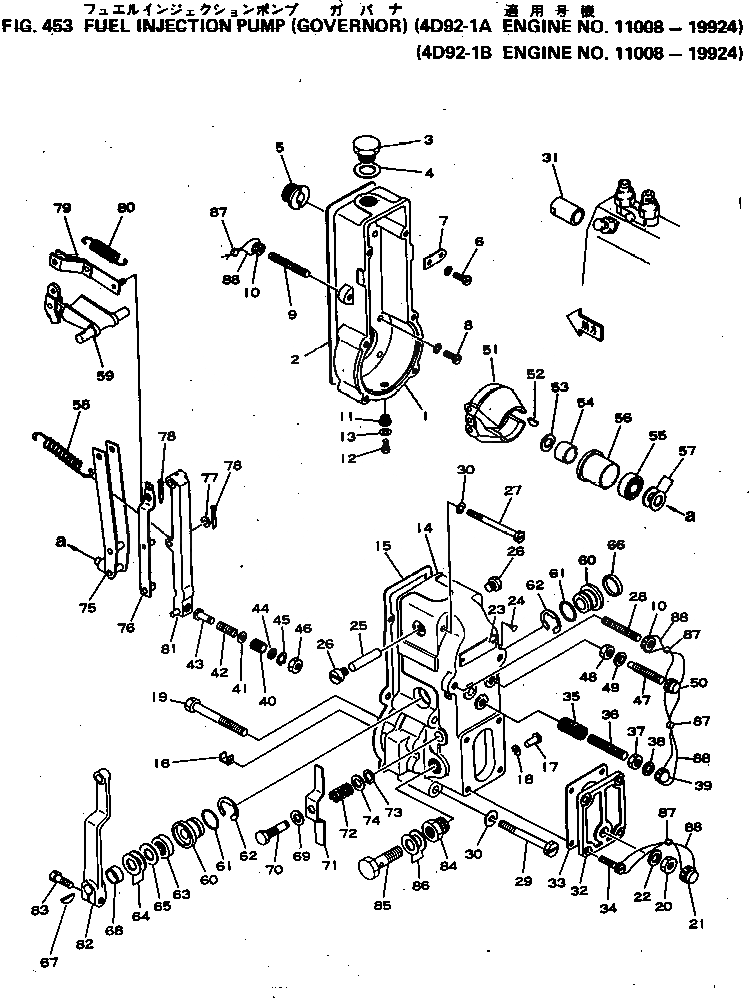
Запчасти Komatsu 4D92-1A ТОПЛ. НАСОС (РЕГУЛЯТОР)(№8-99) ТОПЛИВН. СИСТЕМА

Схема запчастей Komatsu 4D92-1A - ТОПЛ. НАСОС (РЕГУЛЯТОР)(№8-99) ТОПЛИВН. СИСТЕМА
FIT
1:1
100%

Артикул

Название

Примечание

Количество

|$0

6141-71-1009

INJECTION PUMP ASS'Y,(4D92-1A)

SN: 17400-19924

1шт.

|$1

0

INJECTION PUMP ASS'Y,(4D92-1A)

SN: 15711-17399

1шт.

|$2

0

INJECTION PUMP ASS'Y,(4D92-1A)

SN: 12777-15710

1шт.

|$3

0

INJECTION PUMP ASS'Y,(4D92-1A)

SN: 12087-12776

1шт.

|$4

0

INJECTION PUMP ASS'Y,(4D92-1A)

SN: 11008-12086

1шт.

|$5

6141-71-1014

INJECTION PUMP ASS'Y,(4D92-1B)

SN: ..-19924

1шт.

|$6

0

INJECTION PUMP ASS'Y,(4D92-1B)

SN: .-..

1шт.

|$7

0

INJECTION PUMP ASS'Y,(4D92-1B)

SN: 12852-.

1шт.

|$8

0

INJECTION PUMP ASS'Y,(4D92-1B)

SN: 11008-12851

1шт.

|$9

DK105402-1150

GOVERNOR ASS'Y,(4D92-1A)

SN: 12777-19924

1шт.

|$10

DK105402-1080

GOVERNOR ASS'Y,(4D92-1A)

SN: 11008-12776

1шт.

|$11

DK105402-1290

GOVERNOR ASS'Y,(4D92-1B)

SN: .-19924

1шт.

|$12

DK105402-1160

GOVERNOR ASS'Y,(4D92-1B)

SN: 12852-.

1шт.

|$13

DK105402-1110

GOVERNOR ASS'Y,(4D92-1B)

SN: 11008-12851

1шт.

1

DK154000-4600

HOUSING

SN: 11008-19924

1шт.

2

DK154350-6600

GASKET

SN: 11008-19924

1шт.

3

DK154007-2500

PLUG

SN: 11008-19924

1шт.

4

DK029302-2010

GASKET

SN: 11008-19924

1шт.

5

DK154007-0200

ADAPTER

SN: 11008-19924

1шт.

6

DK029050-8020

SCREW

SN: 11008-19924

1шт.

7

DK154350-1900

PLATE

SN: 11008-19924

1шт.

8

DK029050-6090

BOLT

SN: 11008-19924

6шт.

9

DK154010-0100

SCREW

SN: 11008-19924

1шт.

10

DK154011-0100

NUT

SN: 11008-19924

2шт.

11

DK155012-0100

ADAPTER

SN: 11008-19924

1шт.

12

DK029010-6010

PLUG

SN: 11008-19924

1шт.

13

DK026506-1040

GASKET

SN: 11008-19924

1шт.

14

DK154021-7800

COVER,(4D92-1A)

SN: 11008-19924

1шт.

14

DK154021-8720

COVER,(4D92-1B)

SN: 11008-19924

1шт.

15

DK154350-0900

GASKET

SN: 11008-19924

1шт.

16

DK154030-0600

FORK

SN: 11008-19924

1шт.

17

DK154222-2700

SCREW

SN: 11008-19924

1шт.

18

DK014110-3440

WASHER

SN: 11008-19924

1шт.

19

DK154031-2200

SCREW

SN: 11008-19924

1шт.

20

DK154011-0700

NUT

SN: 11008-19924

1шт.

21

DK154035-0500

NUT

SN: 11008-19924

1шт.

22

DK029331-1010

GASKET

SN: 11008-19924

1шт.

23

DK154032-2900

PLATE, NAME

SN: 11008-19924

1шт.

24

DK029431-7010

NAIL

SN: 11008-19924

2шт.

25

DK154237-0100

PIN

SN: 11008-19924

1шт.

26

DK154036-0300

PLUG

SN: 11008-19924

2шт.

27

DK029010-6600

BOLT

SN: 11008-19924

4шт.

28

DK154010-0300

SCREW

SN: 11008-19924

1шт.

29

DK029010-6470

BOLT

SN: 11008-19924

2шт.

30

DK029320-6010

WASHER

SN: 11008-19924

6шт.

31

DK155404-0300

CAP

SN: 11008-19924

1шт.

32

DK154060-8300

COVER

SN: 11008-19924

1шт.

33

DK154350-1700

GASKET

SN: 11008-19924

1шт.

34

DK029010-6380

BOLT

SN: 11008-19924

4шт.

35

DK154157-0200

SPRING,(4D92-1A)

SN: 11008-19924

1шт.

35

DK154157-1500

SPRING,(4D92-1B)

SN: 11008-19924

1шт.

36

DK154158-0400

SCREW

SN: 11008-19924

1шт.

37

DK029201-2130

NUT

SN: 11008-19924

1шт.

38

DK026512-1640

GASKET

SN: 11008-19924

1шт.

39

DK154159-0100

NUT

SN: 11008-19924

1шт.

|$55

DK154170-0420

SPRING,(4D92-1A)

SN: 11008-19924

1шт.

|$56

DK154170-5220

CAPSULE,(4D92-1B)

SN: 11008-19924

1шт.

40

DK154303-3100

GUIDE

SN: 11008-19924

1шт.

41

DK029310-5140

SHIM, 0.1MM

SN: 11008-19924

-2шт.

41

DK029310-5150

SHIM, 0.2MM

SN: 11008-19924

-2шт.

41

DK029310-6080

SHIM, 0.25MM

SN: 11008-19924

-2шт.

41

DK029310-5160

SHIM, 0.5MM

SN: 11008-19924

-2шт.

42

DK154172-2500

SPRING,(4D92-1A)

SN: 11008-19924

1шт.

42

DK154172-0200

SPRING,(4D92-1B)

SN: 11008-19924

1шт.

43

DK154174-0100

ROD

SN: 11008-19924

1шт.

44

DK023550-5140

WASHER

SN: 11008-19924

1шт.

45

DK026010-4010

PIN

SN: 11008-19924

1шт.

46

DK029201-6010

NUT

SN: 11008-19924

1шт.

47

DK154242-1220

CAPSULE,(4D92-1A)

SN: 11008-19924

1шт.

47

DK154242-0520

SPRING,(4D92-1B)

SN: 11008-19924

1шт.

48

DK029201-6140

NUT

SN: 11008-19924

1шт.

49

DK026516-2040

GASKET

SN: 11008-19924

1шт.

50

DK154159-1100

NUT

SN: 11008-19924

1шт.

51

DK154100-3220

FLYWEIGHT ASS'Y,(4D92-1A)

SN: 11008-19924

1шт.

51

DK154100-6020

FLYWEIGHT ASS'Y,(4D92-1B)

SN: 11008-19924

1шт.

52

DK025803-1010

KEY

SN: 11008-19924

1шт.

53

DK029321-2020

WASHER

SN: 11008-19924

1шт.

54

DK029231-2030

NUT

SN: 11008-19924

1шт.

55

DK028151-0020

BEARING

SN: 11008-19924

1шт.

56

DK154123-0100

SLEEVE

SN: 11008-19924

1шт.

57

DK029311-0010

SHIM, 0.20MM

SN: 11008-19924

-2шт.

57

DK029311-0180

SHIM, 0.30MM

SN: 11008-19924

-2шт.

57

DK029311-0190

SHIM, 0.40MM

SN: 11008-19924

-2шт.

57

DK029311-0210

SHIM, 1.00MM

SN: 11008-19924

-2шт.

58

DK154150-0400

SPRING,(4D92-1A)

SN: 11008-19924

1шт.

58

DK154150-0100

SPRING,(4D92-1B)

SN: 11008-19924

1шт.

59

DK154200-0220

LEVER ASS'Y

SN: 11008-19924

1шт.

60

DK154204-0100

BUSHING

SN: 11008-19924

2шт.

61

DK029631-8020

O-RING

SN: 11008-19924

2шт.

62

DK026011-5010

RING

SN: 11008-19924

2шт.

63

DK029621-1010

SEAL

SN: 11008-19924

1шт.

64

DK029311-1070

SHIM, 0.5MM

SN: 11008-19924

1шт.

65

DK029311-1090

SHIM, 0.3MM

SN: 11008-19924

-2шт.

66

DK029141-7010

PLUG

SN: 11008-19924

1шт.

67

DK025803-1310

KEY, 13MM

SN: 11008-19924

1шт.

68

DK154206-0100

COLLAR

SN: 11008-19924

1шт.

69

DK029331-0240

GASKET

SN: 11008-19924

1шт.

70

DK154401-2500

SHAFT

SN: 11008-19924

1шт.

71

DK154243-0020

LEVER,(4D92-1A)

SN: 11008-19924

1шт.

71

DK154243-0120

LEVER,(4D92-1B)

SN: 11008-19924

1шт.

72

DK154327-1700

SPRING,(4D92-1A)

SN: 11008-19924

1шт.

72

DK154327-1800

SPRING,(4D92-1B)

SN: 11008-19924

1шт.

73

DK016010-0700

RING,(4D92-1A)

SN: 11008-19924

1шт.

73

DK016010-0710

RING,(4D92-1B)

SN: 11008-19924

1шт.

74

DK029310-8020

SHIM, 0.3MM

SN: 11008-19924

1шт.

75

DK154210-7220

LEVER ASS'Y,(4D92-1A)

SN: 11008-19924

1шт.

75

DK154210-7320

LEVER ASS'Y,(4D92-1B)

SN: 11008-19924

1шт.

76

DK154220-0120

LEVER

SN: 11008-19924

1шт.

77

DK029310-5170

SHIM

SN: 11008-19924

1шт.

78

DK025520-1210

PIN

SN: 11008-19924

2шт.

79

DK154230-0120

LINK

SN: 11008-19924

1шт.

80

DK154154-1200

SPRING

SN: 11008-19924

1шт.

81

DK154236-3220

LEVER,(4D92-1A)

SN: 11008-19924

1шт.

81

DK154236-3320

LEVER,(4D92-1B)

SN: 11008-19924

1шт.

82

DK154303-4900

LEVER,(4D92-1A)

SN: 11008-19924

1шт.

82

DK154303-3100

GUIDE,(4D92-1B)

SN: 11008-19924

1шт.

83

DK029010-6350

BOLT

SN: 11008-19924

1шт.

84

DK154316-4500

ADAPTER

SN: 11008-19924

1шт.

85

DK029731-2070

BOLT

SN: 11008-19924

1шт.

86

DK029341-2010

GASKET

SN: 11008-19924

2шт.

87

DK029158-0010

SEAL

SN: 11008-19924

4шт.

88

DK025911-2210

WIRE

SN: 11008-19924

1шт.

|$0

6141-71-1009

INJECTION PUMP ASS'Y,(4D92-1A)

SN: 17400-19924

1шт.

|$1

0

INJECTION PUMP ASS'Y,(4D92-1A)

SN: 15711-17399

1шт.

|$2

0

INJECTION PUMP ASS'Y,(4D92-1A)

SN: 12777-15710

1шт.

|$3

0

INJECTION PUMP ASS'Y,(4D92-1A)

SN: 12087-12776

1шт.

|$4

0

INJECTION PUMP ASS'Y,(4D92-1A)

SN: 11008-12086

1шт.

|$5

6141-71-1014

INJECTION PUMP ASS'Y,(4D92-1B)

SN: ..-19924

1шт.

|$6

0

INJECTION PUMP ASS'Y,(4D92-1B)

SN: .-..

1шт.

|$7

0

INJECTION PUMP ASS'Y,(4D92-1B)

SN: 12852-.

1шт.

|$8

0

INJECTION PUMP ASS'Y,(4D92-1B)

SN: 11008-12851

1шт.

|$9

DK105402-1150

GOVERNOR ASS'Y,(4D92-1A)

SN: 12777-19924

1шт.

|$10

DK105402-1080

GOVERNOR ASS'Y,(4D92-1A)

SN: 11008-12776

1шт.

|$11

DK105402-1290

GOVERNOR ASS'Y,(4D92-1B)

SN: .-19924

1шт.

|$12

DK105402-1160

GOVERNOR ASS'Y,(4D92-1B)

SN: 12852-.

1шт.

|$13

DK105402-1110

GOVERNOR ASS'Y,(4D92-1B)

SN: 11008-12851

1шт.

1

DK154000-4600

HOUSING

SN: 11008-19924

1шт.

2

DK154350-6600

GASKET

SN: 11008-19924

1шт.

3

DK154007-2500

PLUG

SN: 11008-19924

1шт.

4

DK029302-2010

GASKET

SN: 11008-19924

1шт.

5

DK154007-0200

ADAPTER

SN: 11008-19924

1шт.

6

DK029050-8020

SCREW

SN: 11008-19924

1шт.

7

DK154350-1900

PLATE

SN: 11008-19924

1шт.

8

DK029050-6090

BOLT

SN: 11008-19924

6шт.

9

DK154010-0100

SCREW

SN: 11008-19924

1шт.

10

DK154011-0100

NUT

SN: 11008-19924

2шт.

11

DK155012-0100

ADAPTER

SN: 11008-19924

1шт.

12

DK029010-6010

PLUG

SN: 11008-19924

1шт.

13

DK026506-1040

GASKET

SN: 11008-19924

1шт.

14

DK154021-7800

COVER,(4D92-1A)

SN: 11008-19924

1шт.

14

DK154021-8720

COVER,(4D92-1B)

SN: 11008-19924

1шт.

15

DK154350-0900

GASKET

SN: 11008-19924

1шт.

16

DK154030-0600

FORK

SN: 11008-19924

1шт.

17

DK154222-2700

SCREW

SN: 11008-19924

1шт.

18

DK014110-3440

WASHER

SN: 11008-19924

1шт.

19

DK154031-2200

SCREW

SN: 11008-19924

1шт.

20

DK154011-0700

NUT

SN: 11008-19924

1шт.

21

DK154035-0500

NUT

SN: 11008-19924

1шт.

22

DK029331-1010

GASKET

SN: 11008-19924

1шт.

23

DK154032-2900

PLATE, NAME

SN: 11008-19924

1шт.

24

DK029431-7010

NAIL

SN: 11008-19924

2шт.

25

DK154237-0100

PIN

SN: 11008-19924

1шт.

26

DK154036-0300

PLUG

SN: 11008-19924

2шт.

27

DK029010-6600

BOLT

SN: 11008-19924

4шт.

28

DK154010-0300

SCREW

SN: 11008-19924

1шт.

29

DK029010-6470

BOLT

SN: 11008-19924

2шт.

30

DK029320-6010

WASHER

SN: 11008-19924

6шт.

31

DK155404-0300

CAP

SN: 11008-19924

1шт.

32

DK154060-8300

COVER

SN: 11008-19924

1шт.

33

DK154350-1700

GASKET

SN: 11008-19924

1шт.

34

DK029010-6380

BOLT

SN: 11008-19924

4шт.

35

DK154157-0200

SPRING,(4D92-1A)

SN: 11008-19924

1шт.

35

DK154157-1500

SPRING,(4D92-1B)

SN: 11008-19924

1шт.

36

DK154158-0400

SCREW

SN: 11008-19924

1шт.

37

DK029201-2130

NUT

SN: 11008-19924

1шт.

38

DK026512-1640

GASKET

SN: 11008-19924

1шт.

39

DK154159-0100

NUT

SN: 11008-19924

1шт.

|$55

DK154170-0420

SPRING,(4D92-1A)

SN: 11008-19924

1шт.

|$56

DK154170-5220

CAPSULE,(4D92-1B)

SN: 11008-19924

1шт.

40

DK154303-3100

GUIDE

SN: 11008-19924

1шт.

41

DK029310-5140

SHIM, 0.1MM

SN: 11008-19924

-2шт.

41

DK029310-5150

SHIM, 0.2MM

SN: 11008-19924

-2шт.

41

DK029310-6080

SHIM, 0.25MM

SN: 11008-19924

-2шт.

41

DK029310-5160

SHIM, 0.5MM

SN: 11008-19924

-2шт.

42

DK154172-2500

SPRING,(4D92-1A)

SN: 11008-19924

1шт.

42

DK154172-0200

SPRING,(4D92-1B)

SN: 11008-19924

1шт.

43

DK154174-0100

ROD

SN: 11008-19924

1шт.

44

DK023550-5140

WASHER

SN: 11008-19924

1шт.

45

DK026010-4010

PIN

SN: 11008-19924

1шт.

46

DK029201-6010

NUT

SN: 11008-19924

1шт.

47

DK154242-1220

CAPSULE,(4D92-1A)

SN: 11008-19924

1шт.

47

DK154242-0520

SPRING,(4D92-1B)

SN: 11008-19924

1шт.

48

DK029201-6140

NUT

SN: 11008-19924

1шт.

49

DK026516-2040

GASKET

SN: 11008-19924

1шт.

50

DK154159-1100

NUT

SN: 11008-19924

1шт.

51

DK154100-3220

FLYWEIGHT ASS'Y,(4D92-1A)

SN: 11008-19924

1шт.

51

DK154100-6020

FLYWEIGHT ASS'Y,(4D92-1B)

SN: 11008-19924

1шт.

52

DK025803-1010

KEY

SN: 11008-19924

1шт.

53

DK029321-2020

WASHER

SN: 11008-19924

1шт.

54

DK029231-2030

NUT

SN: 11008-19924

1шт.

55

DK028151-0020

BEARING

SN: 11008-19924

1шт.

56

DK154123-0100

SLEEVE

SN: 11008-19924

1шт.

57

DK029311-0010

SHIM, 0.20MM

SN: 11008-19924

-2шт.

57

DK029311-0180

SHIM, 0.30MM

SN: 11008-19924

-2шт.

57

DK029311-0190

SHIM, 0.40MM

SN: 11008-19924

-2шт.

57

DK029311-0210

SHIM, 1.00MM

SN: 11008-19924

-2шт.

58

DK154150-0400

SPRING,(4D92-1A)

SN: 11008-19924

1шт.

58

DK154150-0100

SPRING,(4D92-1B)

SN: 11008-19924

1шт.

59

DK154200-0220

LEVER ASS'Y

SN: 11008-19924

1шт.

60

DK154204-0100

BUSHING

SN: 11008-19924

2шт.

61

DK029631-8020

O-RING

SN: 11008-19924

2шт.

62

DK026011-5010

RING

SN: 11008-19924

2шт.

63

DK029621-1010

SEAL

SN: 11008-19924

1шт.

64

DK029311-1070

SHIM, 0.5MM

SN: 11008-19924

1шт.

65

DK029311-1090

SHIM, 0.3MM

SN: 11008-19924

-2шт.

66

DK029141-7010

PLUG

SN: 11008-19924

1шт.

67

DK025803-1310

KEY, 13MM

SN: 11008-19924

1шт.

68

DK154206-0100

COLLAR

SN: 11008-19924

1шт.

69

DK029331-0240

GASKET

SN: 11008-19924

1шт.

70

DK154401-2500

SHAFT

SN: 11008-19924

1шт.

71

DK154243-0020

LEVER,(4D92-1A)

SN: 11008-19924

1шт.

71

DK154243-0120

LEVER,(4D92-1B)

SN: 11008-19924

1шт.

72

DK154327-1700

SPRING,(4D92-1A)

SN: 11008-19924

1шт.

72

DK154327-1800

SPRING,(4D92-1B)

SN: 11008-19924

1шт.

73

DK016010-0700

RING,(4D92-1A)

SN: 11008-19924

1шт.

73

DK016010-0710

RING,(4D92-1B)

SN: 11008-19924

1шт.

74

DK029310-8020

SHIM, 0.3MM

SN: 11008-19924

1шт.

75

DK154210-7220

LEVER ASS'Y,(4D92-1A)

SN: 11008-19924

1шт.

75

DK154210-7320

LEVER ASS'Y,(4D92-1B)

SN: 11008-19924

1шт.

76

DK154220-0120

LEVER

SN: 11008-19924

1шт.

77

DK029310-5170

SHIM

SN: 11008-19924

1шт.

78

DK025520-1210

PIN

SN: 11008-19924

2шт.

79

DK154230-0120

LINK

SN: 11008-19924

1шт.

80

DK154154-1200

SPRING

SN: 11008-19924

1шт.

81

DK154236-3220

LEVER,(4D92-1A)

SN: 11008-19924

1шт.

81

DK154236-3320

LEVER,(4D92-1B)

SN: 11008-19924

1шт.

82

DK154303-4900

LEVER,(4D92-1A)

SN: 11008-19924

1шт.

82

DK154303-3100

GUIDE,(4D92-1B)

SN: 11008-19924

1шт.

83

DK029010-6350

BOLT

SN: 11008-19924

1шт.

84

DK154316-4500

ADAPTER

SN: 11008-19924

1шт.

85

DK029731-2070

BOLT

SN: 11008-19924

1шт.

86

DK029341-2010

GASKET

SN: 11008-19924

2шт.

87

DK029158-0010

SEAL

SN: 11008-19924

4шт.

88

DK025911-2210

WIRE

SN: 11008-19924

1шт.

Выбрано товаров: 244