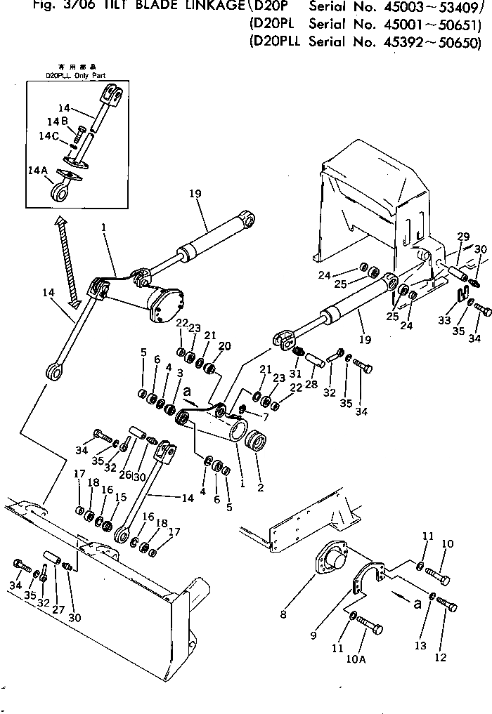
Запчасти Komatsu D20P-5 НАКЛОН. ОТВАЛ МЕХАНИЗМ(№-9) РАБОЧЕЕ ОБОРУДОВАНИЕ

Схема запчастей Komatsu D20P-5 - НАКЛОН. ОТВАЛ МЕХАНИЗМ(№-9) РАБОЧЕЕ ОБОРУДОВАНИЕ
FIT
1:1
100%

Артикул

Название

Примечание

Количество

|$0

10G-71-00010

LEVER ASS'Y,L.H.

SN: 45003-53409

1шт.

|$1

10G-71-00020

LEVER ASS'Y,R.H.

SN: 45003-53409

1шт.

1

0

LEVER,L.H.

SN: 45003-53409

1шт.

1

0

LEVER,R.H.

SN: 45003-53409

1шт.

2

10G-71-12130

BUSHING

SN: 45003-53409

1шт.

3

104-72-21920

BEARING

SN: 45003-@

2шт.

4

04065-05520

RING

SN: 45003-@

4шт.

5

104-72-21940

COLLAR

SN: 45003-@

4шт.

6

104-72-21970

BUSHING

SN: 45003-@

4шт.

7

07020-00000

FITTING

SN: 45003-@

2шт.

8

10G-71-12310

TRUNNION

SN: 45003-53409

2шт.

9

10G-71-12420

PLATE

SN: 45003-53409

2шт.

10

01090-51655

BOLT

SN: 45003-@

2шт.

10A

01010-31655

BOLT

SN: 45003-53409

6шт.

11

01643-31645

WASHER

SN: 45003-@

8шт.

12

01010-31025

BOLT

SN: 45003-53409

4шт.

13

01602-01030

WASHER

SN: 45003-53409

4шт.

14

10G-71-11911

ROD

SN: 45003-@

2шт.

14

10G-A70-8280

ROD

SN: 45000-45000

2шт.

15

104-72-21930

BEARING

SN: 45003-@

2шт.

16

04067-00055

RING

SN: 45003-@

4шт.

17

104-72-21940

COLLAR

SN: 45003-@

4шт.

18

104-72-21980

BUSHING

SN: 45003-@

4шт.

19

10G-63-13100

CYLINDER ASS'Y,L.H.

SN: 45003-@

1шт.

19

10G-63-13200

CYLINDER ASS'Y,R.H.

SN: 45003-@

1шт.

20

104-72-21920

BEARING

SN: 45003-@

2шт.

21

04065-05520

RING

SN: 45003-@

4шт.

22

104-72-21940

COLLAR

SN: 45003-@

4шт.

23

104-72-21970

BUSHING

SN: 45003-@

4шт.

24

114-72-21940

COLLAR

SN: 45003-@

4шт.

25

114-72-21960

BUSHING

SN: 45003-@

4шт.

26

10G-Z16-1440

PIN

SN: 45003-@

2шт.

27

10G-Z16-1350

PIN

SN: 45003-@

2шт.

28

10G-71-12140

PIN

SN: 45003-@

2шт.

29

104-72-21890

PIN

SN: 45003-@

2шт.

30

07020-00000

FITTING

SN: 45003-@

6шт.

31

07020-00900

FITTING

SN: 45003-@

2шт.

32

114-72-21970

PIN

SN: 45003-@

6шт.

33

114-72-21860

LOCK

SN: 45003-@

2шт.

34

01010-31025

BOLT

SN: 45003-@

8шт.

35

01602-01030

WASHER

SN: 45003-@

8шт.

1

10F-A74-0020

LIFT LEVER ASS'Y,L.H. (FOR D20PLL)

SN: 45000-45000

1шт.

1

10F-A74-0030

LIFT LEVER ASS'Y,R.H. (FOR D20PLL)

SN: 45000-45000

1шт.

1

0

LEVER,L.H. (FOR D20PLL)

SN: 45000-45000

1шт.

1

0

LEVER,R.H. (FOR D20PLL)

SN: 45000-45000

1шт.

2

10G-71-12130

BUSHING,(FOR D20PLL)

SN: 45000-45000

1шт.

14

10F-A74-8210

ROD,LIFT (FOR D20PLL)

SN: 45000-45000

2шт.

14

10F-A74-8220

ROD,LIFT (FOR D20PLL)

SN: 45000-45000

2шт.

14A

10F-A74-8220

ROD,LIFT (FOR D20PLL)

SN: 45000-45000

2шт.

14B

01010-31030

BOLT,(FOR D20PLL)

SN: 45000-45000

8шт.

14C

01602-01030

WASHER,SPRING (FOR D20PLL)

SN: 45000-45000

8шт.

Выбрано товаров: 51