Запчасти Komatsu D20P-5 ПОГРУЗ. РАМА И ПОЛ КАБИНЫ(№-) ЧАСТИ КОРПУСА

Схема запчастей Komatsu D20P-5 - ПОГРУЗ. РАМА И ПОЛ КАБИНЫ(№-) ЧАСТИ КОРПУСА
FIT
1:1
100%

Артикул

Название

Примечание

Количество

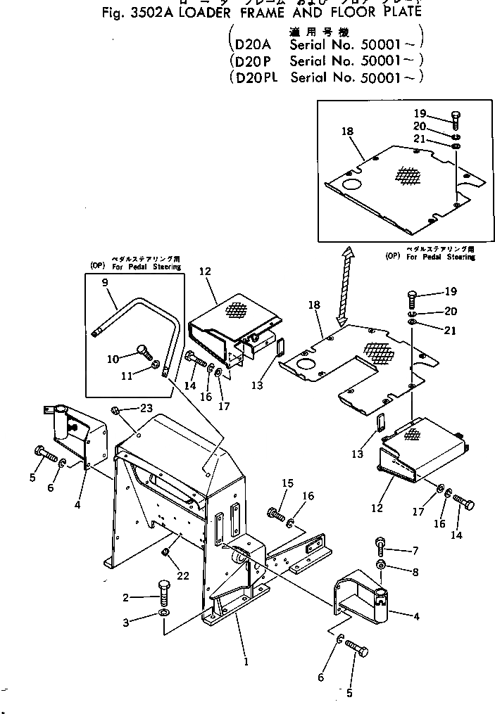
1

104-54-22113

FRAME,LOADER

SN: 45001-UP

1шт.

2

01010-31655

BOLT

SN: 45001-UP

12шт.

3

01643-31645

WASHER

SN: 45001-UP

12шт.

4

104-Z06-1131

BRACKET,L.H.

SN: 45001-UP

1шт.

|4

104-Z06-1140

BRACKET,R.H.

SN: 45001-UP

1шт.

5

01010-31435

BOLT

SN: 45001-UP

8шт.

6

01602-01442

WASHER,SPRING

SN: 45001-UP

8шт.

7

01016-31445

BOLT

SN: 45001-UP

4шт.

8

01580-01411

NUT

SN: 45001-UP

4шт.

9

103-54-21310

HANDLE,(FOR PEDAL STEERING)

SN: 50001-UP

1шт.

|9

103-54-21310

HANDLE

SN: 45001-50000

1шт.

10

01010-31435

BOLT,(FOR PEDAL STEERING)

SN: 50001-UP

2шт.

|10

01010-31435

BOLT

SN: 45001-50000

2шт.

11

01602-01442

WASHER,(FOR PEDAL STEERING)

SN: 50001-UP

2шт.

|11

01602-01442

WASHER,SPRING

SN: 45001-50000

2шт.

12

104-54-23113

FENDER,FRONT¤ L.H.

SN: 50001-UP

1шт.

|12

10G-54-13111

FENDER,FRONT¤ R.H.

SN: 50001-UP

1шт.

13

103-54-23160

PLATE

SN: 50001-UP

2шт.

14

01010-31025

BOLT

SN: 45001-UP

4шт.

15

01010-31035

BOLT

SN: 45001-UP

2шт.

16

01602-01030

WASHER,SPRING

SN: 45001-UP

6шт.

17

01643-31032

WASHER

SN: 45001-UP

4шт.

18

102-54-48111

PLATE,FLOOR

SN: 50001-UP

1шт.

18

102-54-43113

PLATE,FLOOR (FOR PEDAL STEERING)

SN: 50001-UP

1шт.

19

01010-31025

BOLT

SN: 50001-UP

8шт.

|19

01010-31025

BOLT,(FOR PEDAL STEERING)

SN: 50001-UP

6шт.

20

01602-01030

WASHER,SPRING

SN: 50001-UP

8шт.

|20

01602-01030

WASHER,SPRING (FOR PEDAL STEERING)

SN: 50001-UP

6шт.

21

01643-31032

WASHER

SN: 50001-UP

8шт.

|21

01643-31032

WASHER,(FOR PEDAL STEERING)

SN: 50001-UP

6шт.

22

07049-01012

PLUG,(FOR PEDAL STEERING)

SN: 50001-UP

4шт.

23

07049-01418

PLUG

SN: 50001-UP

2шт.

Выбрано товаров: 32