Запчасти Komatsu D20P-5 КОМПОНЕНТЫ (ОБСЛУЖИВ-Е) (/) (ДЛЯ ЯПОН.) ОПЦИОННЫЕ КОМПОНЕНТЫ

Схема запчастей Komatsu D20P-5 - КОМПОНЕНТЫ (ОБСЛУЖИВ-Е) (/) (ДЛЯ ЯПОН.) ОПЦИОННЫЕ КОМПОНЕНТЫ
FIT
1:1
100%

Артикул

Название

Примечание

Количество

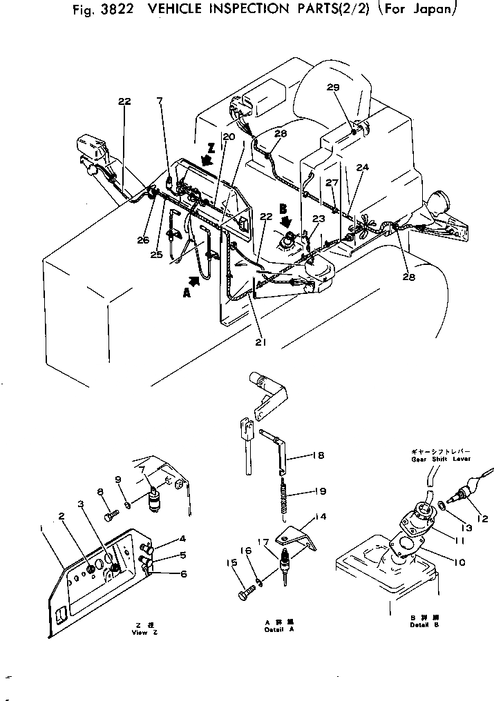
1

104-54-29120

DASHBOARD

SN: 45001-UP

1шт.

2

08147-22400

LAMP,INDICATOR¤TURN

SN: 45001-UP

1шт.

|2

08111-02430

BULB¤ 3W

SN: 45001-UP

1шт.

3

08147-32400

LAMP,INDICATOR¤REAR WORKING

SN: 45001-UP

1шт.

|3

08111-02430

BULB¤ 3W

SN: 45001-UP

1шт.

4

08060-00050

SWITCH,PARKING

SN: 45001-UP

1шт.

5

08061-00020

SWITCH,REAR WORKING

SN: 45001-UP

1шт.

6

08075-80000

SWITCH,TURN SIGNAL

SN: 45001-UP

1шт.

7

08077-22400

FLASHER,TURN SIGNAL

SN: 45001-UP

1шт.

8

01010-30816

BOLT

SN: 45001-UP

1шт.

9

01602-00825

WASHER,SPRING

SN: 45001-UP

1шт.

10

101-14-11260

COVER

SN: 45001-UP

1шт.

11

102-14-19111

SEAT

SN: 45001-UP

1шт.

12

08074-10000

SWITCH,BACK-UP

SN: 45001-UP

1шт.

13

07003-11824

GASKET

SN: 45001-UP

1шт.

14

103-A60-2220

PLATE

SN: 45001-UP

2шт.

15

01010-31020

BOLT

SN: 45001-UP

4шт.

16

01602-01030

WASHER,SPRING

SN: 45001-UP

4шт.

17

08072-00000

SWITCH,STOP LAMP

SN: 45001-UP

2шт.

18

103-43-29150

PIN

SN: 45001-UP

2шт.

19

101-860-1150

SPRING

SN: 45001-UP

2шт.

20

103-A60-2310

WIRE ASS'Y

SN: 45001-UP

1шт.

21

103-A60-2320

WIRE ASS'Y

SN: 45001-UP

1шт.

22

104-A60-2340

WIRE ASS'Y

SN: 45001-UP

2шт.

23

102-A60-4350

WIRE ASS'Y

SN: 45001-UP

1шт.

24

104-A60-2330

WIRE ASS'Y

SN: 45001-UP

1шт.

25

08036-11214

CLIP

SN: 45001-UP

3шт.

26

08034-00414

BAND

SN: 45001-UP

8шт.

27

08036-10814

CLIP

SN: 45001-UP

2шт.

28

08037-01610

GROMMET

SN: 45001-UP

4шт.

29

08037-01008

GROMMET

SN: 45001-UP

1шт.

Выбрано товаров: 31