Запчасти Komatsu 4D94-2N ГЛУШИТЕЛЬ ГОЛОВКА ЦИЛИНДРОВ

Схема запчастей Komatsu 4D94-2N - ГЛУШИТЕЛЬ ГОЛОВКА ЦИЛИНДРОВ
FIT
1:1
100%

Артикул

Название

Примечание

Количество

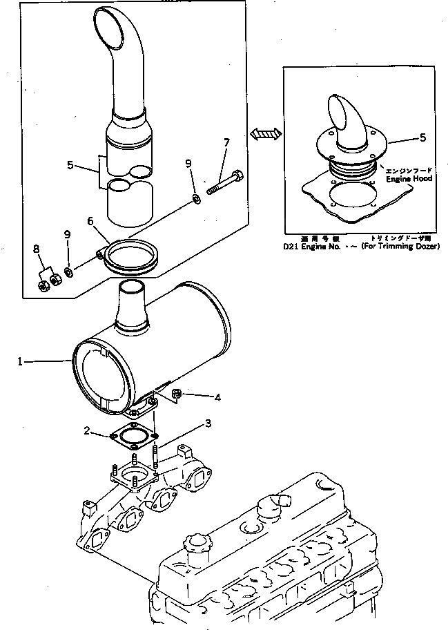
1

6144-11-5540

MUFFLER

SN: 12336-UP

1шт.

2

6130-12-5580

GASKET (K1)

SN: 12336-UP

1шт.

3

01140-61025

STUD,(SEE FIG.122)

SN: .-UP

4шт.

|3

01140-61030

STUD,(SEE FIG.122)

SN: 12336-.

4шт.

4

6142-12-5850

NUT

SN: .-UP

4шт.

|4

0

NUT

SN: 12336-.

4шт.

5

6144-11-5760

PIPE

SN: 12336-UP

1шт.

|5

6130-12-5350

PIPE,(FOR TRIMMING DOZER)

SN: 10000-10000

1шт.

6

6144-11-5660

CLAMP

SN: 12336-UP

1шт.

7

6144-11-5670

BOLT

SN: 12336-UP

1шт.

8

01582-21411

NUT

SN: 12336-UP

2шт.

9

01641-21423

WASHER

SN: 12336-UP

2шт.

1

6144-11-5540

MUFFLER

SN: 12336-UP

1шт.

2

6130-12-5580

GASKET (K1)

SN: 12336-UP

1шт.

3

01140-61025

STUD,(SEE FIG.122)

SN: .-UP

4шт.

|3

01140-61030

STUD,(SEE FIG.122)

SN: 12336-.

4шт.

4

6142-12-5850

NUT

SN: .-UP

4шт.

|4

0

NUT

SN: 12336-.

4шт.

5

6144-11-5760

PIPE

SN: 12336-UP

1шт.

|5

6130-12-5350

PIPE,(FOR TRIMMING DOZER)

SN: 10000-10000

1шт.

6

6144-11-5660

CLAMP

SN: 12336-UP

1шт.

7

6144-11-5670

BOLT

SN: 12336-UP

1шт.

8

01582-21411

NUT

SN: 12336-UP

2шт.

9

01641-21423

WASHER

SN: 12336-UP

2шт.

Выбрано товаров: 0