Запчасти Komatsu D20P-5A ОСНОВН. МУФТА НАСОС ПРИВОД И RELIFE КЛАПАН ОСНОВН. МУФТА¤ ДЕМПФЕР И ТРАНСМИССИЯ

Схема запчастей Komatsu D20P-5A - ОСНОВН. МУФТА НАСОС ПРИВОД И RELIFE КЛАПАН ОСНОВН. МУФТА¤ ДЕМПФЕР И ТРАНСМИССИЯ
FIT
1:1
100%

Артикул

Название

Примечание

Количество

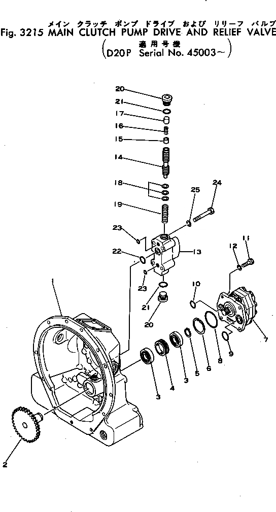
1

102-10-00021

CASE ASS'Y

SN: 50001-UP

1шт.

1

102-10-00020

CASE ASS'Y

SN: 45003-50000

1шт.

2

102-10-43362

GEAR, 39 TEETH

SN: 45003-UP

1шт.

3

06000-06205

BEARING,BALL

SN: 45003-UP

2шт.

4

102-10-43371

COLLAR

SN: 45003-UP

1шт.

5

04064-02512

RING,SNAP

SN: 45003-UP

1шт.

6

04065-05220

RING,SNAP

SN: 45003-UP

1шт.

7

07421-71401

PUMP ASS'Y (FAL10),(SEE FIG 3216)

SN: 45003-UP

1шт.

8

07000-02055

O-RING

SN: 45003-UP

1шт.

9

07000-03028

O-RING

SN: 45003-UP

1шт.

10

07000-03022

O-RING

SN: 45003-UP

1шт.

11

01010-31025

BOLT

SN: 45003-UP

4шт.

12

01602-01030

WASHER,SPRING

SN: 45003-UP

4шт.

|$13

102-10-00011

RELIEF VALVE ASS'Y

SN: 50001-UP

1шт.

|$14

102-10-00010

RELIEF VALVE ASS'Y

SN: 45003-50000

1шт.

13

102-10-46312

BODY

SN: 50001-UP

1шт.

13

102-10-46311

BODY

SN: 45003-50000

1шт.

14

113-15-25210

SPOOL

SN: 45003-UP

1шт.

15

103-15-15460

VALVE

SN: 45003-UP

1шт.

16

125-15-15290

SPRING

SN: 45003-UP

1шт.

17

103-15-15450

VALVE

SN: 45003-UP

1шт.

18

112-10-46210

SHIM, 0.5MM

SN: 45003-UP

3шт.

19

103-15-15470

SPRING

SN: 45003-UP

1шт.

20

102-10-46360

PLUG

SN: 45003-UP

2шт.

21

07002-02434

O-RING

SN: 45003-UP

2шт.

22

07000-02021

O-RING

SN: 45003-UP

1шт.

23

07000-01008

O-RING

SN: 45003-UP

2шт.

24

01010-31070

BOLT

SN: 45003-UP

4шт.

25

01602-01030

WASHER,SPRING

SN: 45003-UP

4шт.

Выбрано товаров: 29