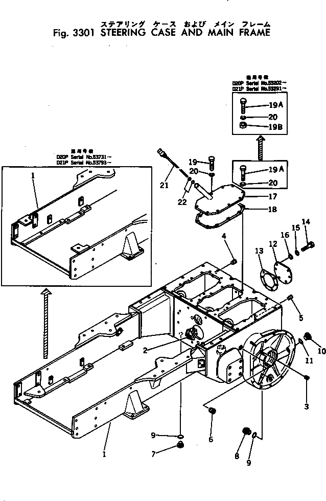
Запчасти Komatsu D20P-5A КОРПУС БЛОКА УПРАВЛЕНИЯ ПОВОРОТОМ И ОСНОВНАЯ РАМА СИСТЕМАУПРАВЛЕНИЯ ПОВОРОТОМ И КОНЕЧНАЯ ПЕРЕДАЧА

Схема запчастей Komatsu D20P-5A - КОРПУС БЛОКА УПРАВЛЕНИЯ ПОВОРОТОМ И ОСНОВНАЯ РАМА СИСТЕМАУПРАВЛЕНИЯ ПОВОРОТОМ И КОНЕЧНАЯ ПЕРЕДАЧА
FIT
1:1
100%

Артикул

Название

Примечание

Количество

|$0

104-21-00011

STEERING CASE ASS'Y

SN: 53731-UP

1шт.

|$1

104-21-00010

STEERING CASE ASS'Y

SN: 45003-53730

1шт.

1

104-21-21101

CASE AND FRAME

SN: 53731-UP

1шт.

1

104-21-21100

CASE AND FRAME

SN: 45003-53730

1шт.

2

103-21-21181

BOSS

SN: 45003-UP

2шт.

3

131-21-41520

PLUG

SN: 45003-UP

2шт.

4

07049-01822

PLUG

SN: 45003-UP

16шт.

5

07049-01012

PLUG

SN: 45003-UP

4шт.

6

07043-01019

PLUG

SN: 45003-UP

2шт.

7

07040-12414

PLUG

SN: 45003-UP

2шт.

8

07044-12412

PLUG

SN: 45003-UP

3шт.

9

07002-02434

O-RING

SN: 45003-UP

5шт.

10

07040-13016

PLUG

SN: 45003-UP

2шт.

11

07002-03034

O-RING

SN: 45003-UP

2шт.

12

101-21-11170

PLATE

SN: 45003-UP

1шт.

13

101-21-11160

GASKET

SN: 45003-UP

1шт.

14

01010-31025

BOLT

SN: 45003-UP

6шт.

15

01602-01030

WASHER,SPRING

SN: 45003-UP

6шт.

16

01643-31032

WASHER

SN: 45003-UP

6шт.

17

103-21-21212

COVER

SN: 45003-UP

1шт.

18

103-21-21221

GASKET

SN: 45003-UP

1шт.

19

01010-31025

BOLT

SN: 45003-UP

2шт.

19A

01010-51035

BOLT

SN: 53202-UP

8шт.

19A

01010-51025

BOLT

SN: 45003-53201

8шт.

19B

103-21-21260

BOSS

SN: 53202-UP

8шт.

20

01602-01030

WASHER,SPRING

SN: 45003-UP

10шт.

21

103-21-21231

GAUGE

SN: 45003-UP

1шт.

22

07002-02434

O-RING

SN: 45003-UP

2шт.

Выбрано товаров: 28