Запчасти Komatsu D20P-7A-M ТЯГОВ. ЛЕБЕДКА (КОРПУС) РАБОЧЕЕ ОБОРУДОВАНИЕ

Схема запчастей Komatsu D20P-7A-M - ТЯГОВ. ЛЕБЕДКА (КОРПУС) РАБОЧЕЕ ОБОРУДОВАНИЕ
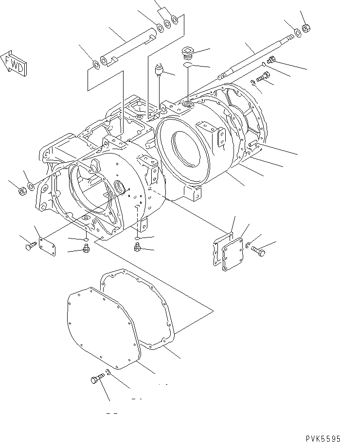
1
2
2
3
3
4
5
6
7
8
9
10
11
12
13
14
15
16
17
18
19
20
21
22
23
24
25
26
26
27
27
27
27
28
FIT
1:1
100%

Артикул

Название

Примечание

Количество

1

101-Z61-1913

CASE

SN: 81843-UP

1шт.

|1

101-Z61-1911

CASE

SN: 78604-81842

1шт.

2

07044-12412

PLUG

SN: 78604-UP

2шт.

3

07002-02434

O-RING

SN: 78604-UP

2шт.

4

07030-00252

BREATHER

SN: 78604-UP

1шт.

5

07040-13618

PLUG

SN: 78604-UP

1шт.

6

07002-03634

O-RING

SN: 78604-UP

1шт.

7

101-Z61-1920

COVER

SN: 78604-UP

1шт.

8

101-Z61-1961

GASKET

SN: 78604-UP

1шт.

9

101-Z61-1730

COVER

SN: 78604-UP

1шт.

10

104-Z60-3721

GASKET

SN: 78604-UP

1шт.

11

01010-81230

BOLT,SPRING

SN: 81843-UP

15шт.

|11

01010-81230

BOLT,DOWEL

SN: 78604-81842

13шт.

12

01602-21236

WASHER

SN: 81843-UP

15шт.

|12

01602-21236

WASHER

SN: 78604-81842

13шт.

13

04020-01434

PIN

SN: 78604-UP

2шт.

14

07040-11007

PLUG,SPRING

SN: 78604-UP

1шт.

15

07002-01023

O-RING

SN: 78604-UP

1шт.

16

01010-81025

BOLT,(LIMITED SUPPLY)

SN: 78604-UP

6шт.

17

01602-21030

WASHER,(LIMITED SUPPLY)

SN: 78604-UP

6шт.

18

101-Z61-1951

COVER

SN: 81843-UP

1шт.

|18

101-Z61-1950

COVER

SN: 78604-81842

1шт.

19

09601-00835

PLATE¤ NAME

SN: 78604-UP

1шт.

20

04418-13060

SCREW

SN: 78604-UP

4шт.

21

101-Z61-1971

GASKET

SN: 78604-UP

1шт.

22

01010-81235

BOLT

SN: 81843-UP

12шт.

|22

01010-81230

BOLT

SN: 78604-81842

12шт.

23

01602-21236

WASHER

SN: 78604-UP

12шт.

24

101-Z61-1980

COLLAR

SN: 78604-UP

1шт.

25

101-Z61-1990

ROD

SN: 78604-UP

1шт.

26

01580-12016

NUT

SN: 78604-UP

2шт.

27

01643-32260

WASHER

SN: 78604-UP

4шт.

28

101-Z61-0010

SHIM KIT

SN: 78604-UP

1шт.

|28

0

SHIM¤ 1.0MM

SN: 78604-UP

2шт.

|28

0

SHIM¤ 0.5MM

SN: 78604-UP

1шт.

Выбрано товаров: 35