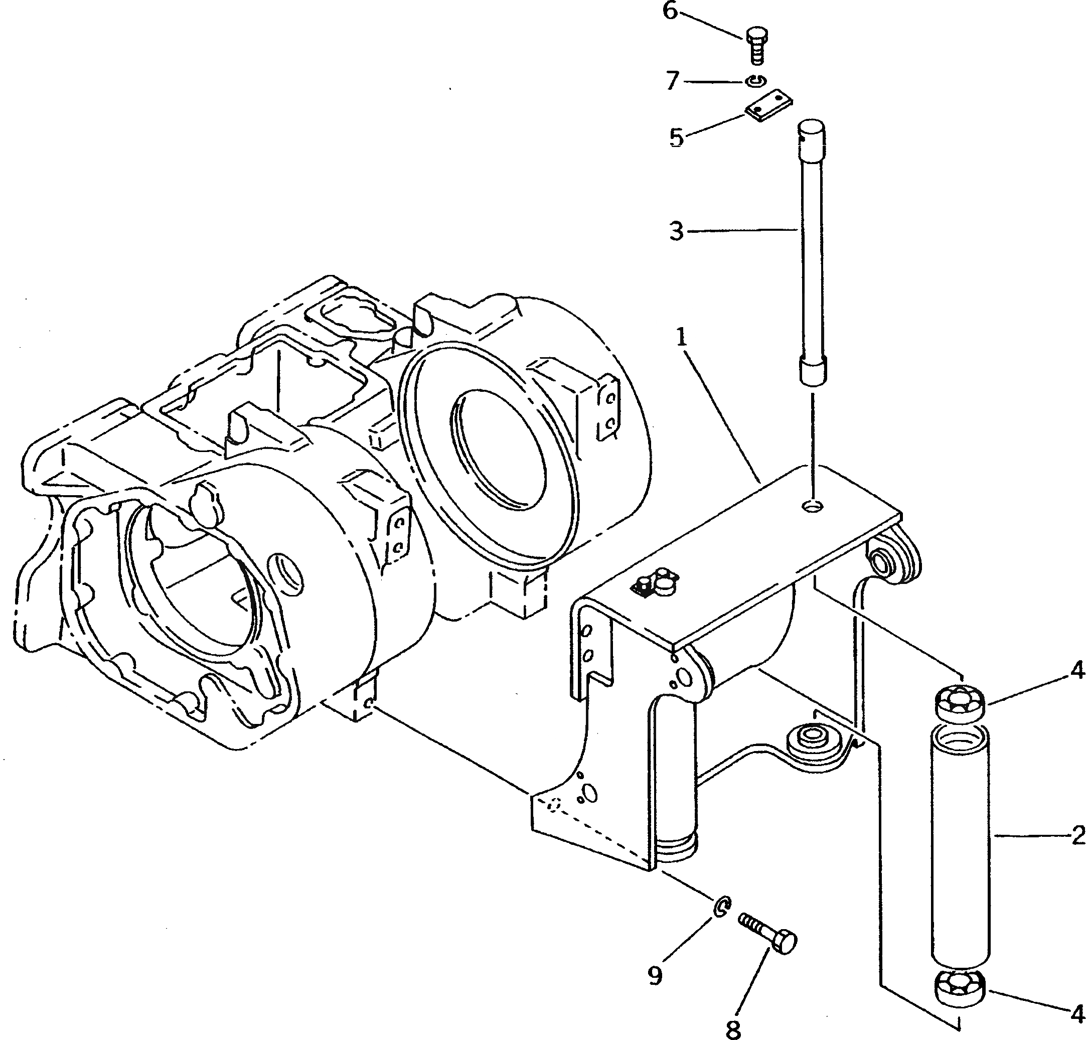
/ / / / / / ТЯГОВ. ЛЕБЕДКА (FВОЗД. LEAD)
Запчасти Komatsu D20P-7A ТЯГОВ. ЛЕБЕДКА (FВОЗД. LEAD) РАБОЧЕЕ ОБОРУДОВАНИЕ
1
101-Z61-4210
FRAME
SN: 75001-UP
1шт.
2
101-Z61-4140
ROLLER
SN: 75001-UP
4шт.
3
101-Z61-4150
SHAFT
SN: 75001-UP
4шт.
4
06044-06206
BEARING
SN: 75001-UP
8шт.
5
04082-00110
LOCK
SN: 75001-UP
4шт.
6
01010-51020
BOLT
SN: 75001-UP
8шт.
7
01602-21030
WASHER,SPRING
SN: 75001-UP
8шт.
8
01010-51635
BOLT
SN: 75001-UP
6шт.
9
01643-31645
WASHER,SPRING
SN: 75001-UP
6шт.
Выбрано товаров: 0