Запчасти Komatsu D20P-7A ОСНОВН. КЛАПАН (КРЕПЛЕНИЕ) (ДЛЯ ПОВОРОТН. ОТВАЛА С ИЗМ. УГЛОМ DOZER)(№88-) ГИДРАВЛИКА

Схема запчастей Komatsu D20P-7A - ОСНОВН. КЛАПАН (КРЕПЛЕНИЕ) (ДЛЯ ПОВОРОТН. ОТВАЛА С ИЗМ. УГЛОМ DOZER)(№88-) ГИДРАВЛИКА
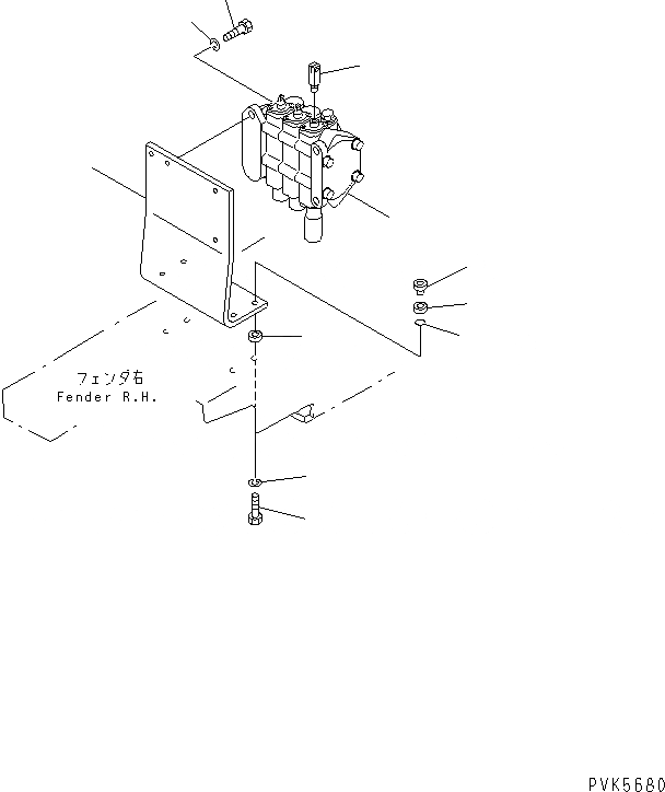
1
2
3
4
5
6
7
8
8
9
10
FIT
1:1
100%

Артикул

Название

Примечание

Количество

|$$1

SERIAL NO. 80228 INDICATES D20P-7A. THE OTHER MACHINES ARE AS FOLLOWS.

-1шт.

|$$2

D20P-7B = 80029

-1шт.

|$$3

D21P-7A = 80266

-1шт.

|$$4

D21P-7B = 80176

-1шт.

1

104-60-41301

VALVE ASS'Y,(SEE FIG. Y1680-21A2A)

SN: 80228-UP

1шт.

2

700-22-11750

PLUG

SN: 80228-UP

1шт.

3

01010-80825

BOLT

SN: 80228-UP

3шт.

4

01602-20825

WASHER,SPRING

SN: 80228-UP

3шт.

5

104-60-32121

BRACKET

SN: 80228-UP

1шт.

6

01010-80825

BOLT

SN: 80228-UP

4шт.

7

01602-20825

WASHER,SPRING

SN: 80228-UP

4шт.

8

104-60-32130

CUSHION

SN: 80228-UP

8шт.

9

104-60-32140

COLLAR

SN: 80228-UP

4шт.

10

07000-02015

O-RING

SN: 80228-UP

4шт.

Выбрано товаров: 14