Запчасти Komatsu D20PL-3 СИДЕНЬЕ ОПЕРАТОРА(№9-) ГУСЕНИЦЫ И ЧАСТИ КОРПУСА

Схема запчастей Komatsu D20PL-3 - СИДЕНЬЕ ОПЕРАТОРА(№9-) ГУСЕНИЦЫ И ЧАСТИ КОРПУСА
FIT
1:1
100%

Артикул

Название

Примечание

Количество

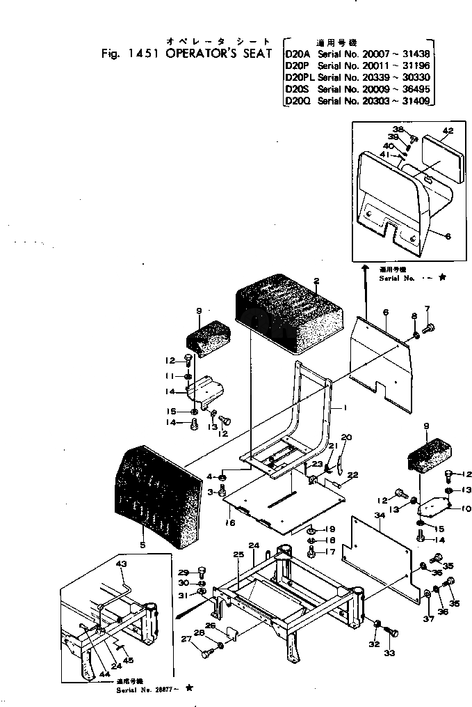
1

101-57-31141

FRAME

SN: 28877-30330

1шт.

|1

0

FRAME

SN: 20339-28876

1шт.

2

09400-30000

CUSHION,SEAT

SN: 28877-30330

1шт.

|2

0

SEAT

SN: 20007-28876

1шт.

3

01010-30820

BOLT

SN: 20007-30330

4шт.

4

01602-00825

WASHER,SPRING

SN: 20007-30330

4шт.

5

09401-50000

CUSHION,BACK

SN: 28877-30330

1шт.

|5

0

CUSHION,BACK

SN: 20339-28876

1шт.

6

101-57-31160

BOX ASS'Y

SN: .-30330

1шт.

|6

101-57-31150

COVER

SN: 20339-.

1шт.

7

01010-30895

BOLT

SN: .-30330

2шт.

|7

01010-30830

BOLT

SN: .-30330

2шт.

|7

01010-30830

BOLT

SN: 20007-.

4шт.

8

01602-00825

WASHER,SPRING

SN: 20007-30330

4шт.

9

09402-00000

REST,ARM

SN: 20007-30330

2шт.

10

101-57-21112

BRACKET,L.H.

SN: 20007-30330

1шт.

11

101-57-11184

BRACKET,R.H.

SN: 20007-30330

1шт.

12

01010-31016

BOLT

SN: 20007-30330

6шт.

13

01602-01030

WASHER,SPRING

SN: 20007-30330

6шт.

14

01010-30825

BOLT

SN: 20007-30330

6шт.

15

01602-00825

WASHER,SPRING

SN: 20007-30330

6шт.

16

101-57-31131

PLATE

SN: 28877-30330

1шт.

|16

0

PLATE

SN: 20007-28876

1шт.

17

01010-31230

BOLT

SN: 20007-30330

2шт.

18

01602-01236

WASHER,SPRING

SN: 20007-30330

2шт.

19

01643-01232

WASHER

SN: 20007-30330

2шт.

20

101-57-11320

HOOK

SN: 20007-30330

1шт.

21

135-57-12230

SPRING

SN: 20007-30330

1шт.

22

135-43-16270

PIN

SN: 20007-30330

1шт.

23

04050-03015

PIN,COTTER

SN: 20007-30330

1шт.

24

101-57-31112

FRAME

SN: 28877-30330

1шт.

|24

101-57-31111

FRAME

SN: 20007-28876

1шт.

25

101-57-31120

BOX,TOOL

SN: 20007-30330

1шт.

26

101-57-11310

PLATE

SN: 20007-30330

2шт.

27

01010-31225

BOLT

SN: 20007-30330

4шт.

28

01602-01236

WASHER,SPRING

SN: 20007-30330

4шт.

29

01010-31230

BOLT

SN: 20007-30330

4шт.

30

01602-01236

WASHER,SPRING

SN: 20007-30330

4шт.

31

01643-01232

WASHER

SN: 20007-30330

4шт.

32

01016-31235

BOLT

SN: 20007-30330

2шт.

33

01580-11210

NUT

SN: 20007-30330

2шт.

34

101-57-11142

COVER

SN: 20007-30330

1шт.

35

01010-31016

BOLT

SN: 20007-30330

6шт.

36

01602-01030

WASHER,SPRING

SN: 20007-30330

6шт.

37

01643-01032

WASHER

SN: 20007-30330

2шт.

38

101-57-31210

LOCK

SN: .-30330

1шт.

39

09459-01614

SPRING

SN: .-30330

1шт.

40

01642-01016

WASHER

SN: .-30330

1шт.

41

04050-03015

PIN,COTTER

SN: .-30330

1шт.

42

09989-03046

BOX

SN: .-30330

1шт.

43

103-57-11190

LEVER

SN: 28877-30330

1шт.

44

103-57-11210

PIN

SN: 28877-30330

1шт.

45

04050-02012

PIN,COTTER

SN: 28877-30330

1шт.

Выбрано товаров: 53