Запчасти Komatsu D20PL-5 СИСТЕМА ROPS ОПЦИОННЫЕ КОМПОНЕНТЫ

Схема запчастей Komatsu D20PL-5 - СИСТЕМА ROPS ОПЦИОННЫЕ КОМПОНЕНТЫ
FIT
1:1
100%

Артикул

Название

Примечание

Количество

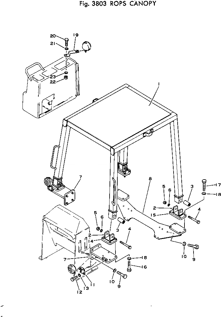
1

103-Z78-1111

GUARD

SN: 45001-UP

1шт.

2

113-Z78-1130

BRACKET

SN: 45001-UP

4шт.

3

195-978-1311

ISOLATOR

SN: 45001-UP

4шт.

4

141-978-2150

BOLT

SN: 45001-UP

4шт.

5

175-978-3210

NUT

SN: 45001-UP

4шт.

6

01643-32780

WASHER

SN: 45001-UP

4шт.

7

104-Z78-2130

BRACKET,L.H.

SN: 45001-UP

1шт.

7

104-Z78-2140

BRACKET,R.H.

SN: 45001-UP

1шт.

8

103-Z78-2212

BRACKET

SN: 45001-UP

1шт.

9

01010-31440

BOLT

SN: 45001-UP

18шт.

10

01602-01442

WASHER,SPRING

SN: 45001-UP

18шт.

11

104-Z78-2121

PLATE

SN: 45001-UP

2шт.

12

01010-31025

BOLT

SN: 45001-UP

4шт.

13

01602-01030

WASHER,SPRING

SN: 45001-UP

4шт.

14

103-Z78-1140

SEAT,FRONT

SN: 45001-UP

2шт.

15

103-Z78-1150

SEAT,REAR

SN: 45001-UP

2шт.

16

01010-31440

BOLT

SN: 45001-UP

8шт.

17

01010-31445

BOLT

SN: 45001-UP

8шт.

18

01602-01442

WASHER,SPRING

SN: 45001-UP

16шт.

19

104-06-23140

PLATE

SN: 45001-UP

1шт.

20

01010-31025

BOLT

SN: 45001-UP

1шт.

21

01643-31032

WASHER

SN: 45001-UP

1шт.

22

01580-01008

NUT

SN: 45001-UP

1шт.

23

01602-01030

WASHER,SPRING

SN: 45001-UP

1шт.

Выбрано товаров: 0