Запчасти Komatsu D20PL-6 ГИДРАВЛИКА РУЛ. УПРАВЛЕНИЯ СИСТЕМА УПРАВЛЕНИЯ

Схема запчастей Komatsu D20PL-6 - ГИДРАВЛИКА РУЛ. УПРАВЛЕНИЯ СИСТЕМА УПРАВЛЕНИЯ
FIT
1:1
100%

Артикул

Название

Примечание

Количество

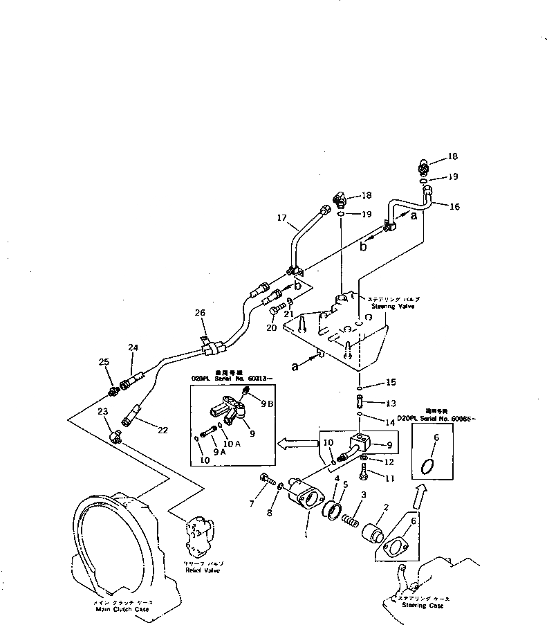
1

103-40-32313

CYLINDER,L.H.

SN: 60086-UP

1шт.

1

103-40-32310

CYLINDER,L.H.

SN: 60001-60085

1шт.

1

103-40-32323

CYLINDER,R.H.

SN: 60086-UP

1шт.

1

103-40-32320

CYLINDER,R.H.

SN: 60001-60085

1шт.

2

103-40-32132

PISTON

SN: 60086-UP

2шт.

2

103-40-32131

PISTON

SN: 60001-60085

2шт.

2

0

PISTON

SN: (60036-60037)

2шт.

2

0

PISTON

SN: (60001-60034)

2шт.

3

234-15-15230

SPRING, (L= 52.0)

SN: 60001-UP

2шт.

4

07000-03050

O-RING

SN: 60001-UP

2шт.

5

07001-03050

RING,BACK-UP

SN: 60001-UP

2шт.

6

07000-02060

O-RING

SN: 60086-UP

2шт.

6

103-40-32120

GASKET

SN: 60001-60085

2шт.

7

01010-51030

BOLT

SN: 60086-UP

4шт.

7

01010-51025

BOLT

SN: 60001-60085

4шт.

8

01602-21030

WASHER,SPRING

SN: 60001-UP

4шт.

9

103-40-33150

BLOCK

SN: 60313-UP

1шт.

9

103-40-33110

TUBE,L.H.

SN: 60001-60312

1шт.

9

103-40-33120

TUBE,R.H.

SN: 60001-60312

1шт.

9A

103-40-22330

SLEEVE

SN: 60313-UP

2шт.

9B

07042-20108

PLUG

SN: 60313-UP

2шт.

10

07000-12010

O-RING

SN: 60001-UP

2шт.

10A

07000-12012

O-RING

SN: 60313-UP

2шт.

11

01010-50850

BOLT

SN: 60001-UP

2шт.

12

01602-20825

WASHER,SPRING

SN: 60001-UP

2шт.

13

113-40-31230

SLEEVE

SN: 60001-UP

2шт.

14

07000-12010

O-RING

SN: 60001-UP

2шт.

15

07000-12012

O-RING

SN: 60001-UP

2шт.

16

103-40-33210

TUBE

SN: 60001-UP

1шт.

17

103-40-33220

TUBE

SN: 60001-UP

1шт.

18

07235-10315

ELBOW

SN: 60001-UP

2шт.

19

07002-02034

O-RING

SN: 60001-UP

2шт.

20

01010-50820

BOLT

SN: 60001-UP

1шт.

21

01602-20825

WASHER,SPRING

SN: 60001-UP

1шт.

22

102-40-43210

HOSE

SN: 60001-UP

1шт.

23

113-40-23130

ELBOW

SN: 60001-UP

1шт.

24

102-40-43220

HOSE

SN: 60001-UP

1шт.

25

102-49-41140

ADAPTER

SN: 60001-UP

1шт.

26

141-01-33250

CLIP

SN: 60001-UP

1шт.

Выбрано товаров: 39