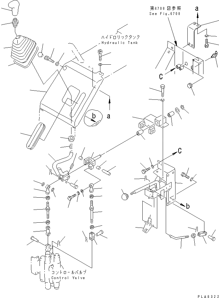
Запчасти Komatsu D20PL-7 РЫЧАГ УПРАВЛЕНИЯ РАБОЧИМ ОБОРУДОВАНИЕМ (/) (С СТАЛЬНАЯ КАБИНА) (ДЛЯ ОДИНОЧН. РЫЧАГ) УПРАВЛ-Е РАБОЧИМ ОБОРУДОВАНИЕМ

Схема запчастей Komatsu D20PL-7 - РЫЧАГ УПРАВЛЕНИЯ РАБОЧИМ ОБОРУДОВАНИЕМ (/) (С СТАЛЬНАЯ КАБИНА)       (ДЛЯ ОДИНОЧН. РЫЧАГ) УПРАВЛ-Е РАБОЧИМ ОБОРУДОВАНИЕМ
1
2
3
4
5
6
7
8
9
9
10
10
10
11
12
12
13
14
15
16
17
17
18
19
20
21
22
23
24
25
26
27
27
28
29
30
31
32
33
34
35
36
37
38
39
40
41
42
43
44
45
46
47
47
48
49
50
51
52
52A
53
53
54
54
55
56
FIT
1:1
100%

Артикул

Название

Примечание

Количество

1

104-43-36362

LEVER

SN: 62454-UP

1шт.

1

104-43-36361

LEVER

SN: 62001-62453

1шт.

2

114-43-48340

SLEEVE

SN: 62001-UP

1шт.

3

201-62-25190

NUT

SN: 62001-UP

1шт.

4

114-43-48330

NIPPLE

SN: 62001-UP

1шт.

5

14X-43-14170

KNOB

SN: 62001-UP

1шт.

6

103-43-36331

BRACKET

SN: 62001-UP

1шт.

7

104-43-36440

BRACKET

SN: 62001-UP

1шт.

8

01010-50840

BOLT

SN: 62001-UP

2шт.

9

01010-50816

BOLT

SN: 62001-UP

6шт.

10

01602-20825

WASHER,SPRING

SN: 62001-UP

8шт.

11

103-43-36130

BRACKET

SN: 62001-UP

1шт.

12

203-43-31420

BUSHING

SN: 62001-UP

2шт.

13

07020-00900

FITTING,GREASE

SN: 62001-UP

1шт.

14

01010-50820

BOLT

SN: 62001-UP

2шт.

15

01602-20825

WASHER,SPRING

SN: 62001-UP

2шт.

16

103-43-36281

YOKE

SN: 62454-UP

1шт.

16

103-43-36280

YOKE

SN: 62001-62453

1шт.

17

203-43-31420

BUSHING

SN: 62001-UP

2шт.

18

01641-21423

WASHER

SN: 62001-UP

1шт.

19

04064-01410

RING,SNAP

SN: 62001-UP

1шт.

20

103-43-36140

PIN

SN: 62001-UP

1шт.

21

04025-00324

PIN,SPRING

SN: 62001-UP

1шт.

22

04248-30810

ROD

SN: 62001-UP

1шт.

23

04250-80847

END,ROD

SN: 62001-UP

1шт.

24

01580-10806

NUT

SN: 62001-UP

1шт.

25

04250-90847

END,L.H. THREAD

SN: 62001-UP

1шт.

26

01508-40805

NUT,L.H. THREAD

SN: 62001-UP

1шт.

27

04254-00823

SPACER

SN: 62001-UP

2шт.

28

04205-10832

PIN

SN: 62001-UP

1шт.

29

04050-12015

PIN,COTTER

SN: 62001-UP

1шт.

30

04205-10825

PIN

SN: 62001-UP

1шт.

31

04050-12015

PIN,COTTER

SN: 62001-UP

1шт.

32

04248-30813

ROD

SN: 62001-UP

1шт.

33

04250-80847

END,ROD

SN: 62001-UP

1шт.

34

01580-10806

NUT

SN: 62001-UP

1шт.

35

1B0-43-16130

YOKE,L.H. THREAD

SN: 62001-UP

1шт.

36

01508-40805

NUT,L.H. THREAD

SN: 62001-UP

1шт.

37

01010-50830

BOLT

SN: 62001-UP

1шт.

38

01602-20825

WASHER,SPRING

SN: 62001-UP

1шт.

39

01641-20812

WASHER

SN: 62001-UP

1шт.

40

04205-10622

PIN

SN: 62001-UP

1шт.

41

04050-11612

PIN,COTTER

SN: 62001-UP

1шт.

42

09304-10835

KNOB

SN: 62001-UP

1шт.

43

103-43-36230

ROD

SN: 62001-UP

1шт.

44

04211-20634

YOKE

SN: 62001-UP

1шт.

45

01580-10605

NUT

SN: 62001-UP

1шт.

46

04205-10618

PIN

SN: 62001-UP

1шт.

47

04050-11612

PIN,COTTER

SN: 62001-UP

2шт.

48

09463-00006

SPRING

SN: 62001-UP

1шт.

49

04050-11612

PIN,COTTER

SN: 62001-UP

2шт.

50

104-43-36311

COVER

SN: 62001-UP

1шт.

51

114-43-48381

GROMMET

SN: 62001-UP

1шт.

52

20T-43-71160

BOOT

SN: 62001-UP

1шт.

52A

20T-43-71360

PLATE

SN: 62001-UP

1шт.

53

01252-30825

BOLT

SN: 62001-UP

2шт.

54

01643-30823

WASHER

SN: 62001-UP

2шт.

55

114-54-43260

PLUG

SN: 62001-UP

1шт.

56

09415-01008

CAP

SN: 62001-UP

1шт.

Выбрано товаров: 59