Запчасти Komatsu D20PLL-7 ТОПЛИВН. БАК. (D) (ДЛЯ F-R ТРАНСМИССИЯ) (ДЛЯ СТАЛЬНАЯ КАБИНА)(№8-) ТОПЛИВН. БАК. AND КОМПОНЕНТЫ

Схема запчастей Komatsu D20PLL-7 - ТОПЛИВН. БАК. (D) (ДЛЯ F-R ТРАНСМИССИЯ)             (ДЛЯ СТАЛЬНАЯ КАБИНА)(№8-) ТОПЛИВН. БАК. AND КОМПОНЕНТЫ
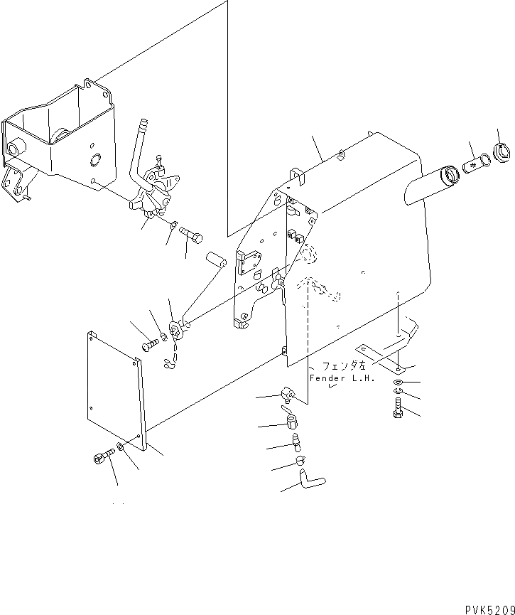
1
2
3
4
5
6
7
8
9
10
11
12
13
14
15
16
17
18
19
20
21
FIT
1:1
100%

Артикул

Название

Примечание

Количество

1

104-04-41222

TANK

SN: 62797-UP

1шт.

1

104-04-41221

TANK

SN: 62697-62796

1шт.

1

104-04-41220

TANK

SN: 62686-62696

1шт.

2

20U-04-21360

CAP

SN: 62454-62796

1шт.

3

20T-06-71381

SENSOR

SN: 62454-62796

1шт.

4

01220-40510

SCREW

SN: 62454-62796

5шт.

5

01601-20513

WASHER

SN: 62454-62796

5шт.

6

07056-10045

STRAINER

SN: 62454-UP

1шт.

7

01010-81240

BOLT

SN: 62454-UP

4шт.

8

01602-21236

WASHER

SN: 62454-UP

4шт.

9

01643-31232

WASHER

SN: 62454-UP

4шт.

10

103-54-34450

PLATE

SN: 62454-UP

2шт.

11

07700-40240

VALVE

SN: 62454-UP

1шт.

12

565-44-13270

ELBOW

SN: 62454-UP

1шт.

13

113-04-22150

NIPPLE

SN: 62454-UP

1шт.

14

07270-01235

TUBE

SN: 62454-UP

1шт.

15

07285-00150

CLIP

SN: 62454-UP

1шт.

16

104-54-39240

COVER

SN: 62454-UP

1шт.

17

01252-30825

BOLT

SN: 62454-UP

4шт.

18

01643-30823

WASHER

SN: 62454-UP

4шт.

19

114-43-48220

LEVER ASS'Y

SN: 62454-UP

1шт.

20

07372-21030

BOLT

SN: 62454-UP

2шт.

21

01602-21030

WASHER

SN: 62454-UP

2шт.

Выбрано товаров: 23