Запчасти Komatsu D20PLL-8 РАБОЧЕЕ ОБОРУДОВАНИЕ УПРАВЛ-Е (KNOB) КАБИНА ОПЕРАТОРА И СИСТЕМА УПРАВЛЕНИЯ

Схема запчастей Komatsu D20PLL-8 - РАБОЧЕЕ ОБОРУДОВАНИЕ УПРАВЛ-Е (KNOB) КАБИНА ОПЕРАТОРА И СИСТЕМА УПРАВЛЕНИЯ
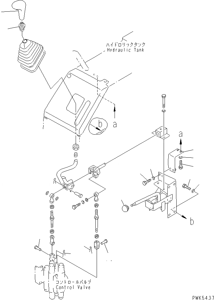
1
2
3
4
5
6
7
8
8
9
10
11
12
13
FIT
1:1
100%

Артикул

Название

Примечание

Количество

1

114-43-48330

NIPPLE

SN: 63001-UP

1шт.

2

14X-43-14171

KNOB

SN: 63001-UP

1шт.

3

01010-80816

BOLT

SN: 63001-UP

4шт.

4

01602-20825

WASHER,SPRING

SN: 63001-UP

4шт.

5

09304-10835

KNOB

SN: 63001-UP

1шт.

6

01010-80820

BOLT

SN: 63001-UP

2шт.

7

01010-80816

BOLT

SN: 63001-UP

2шт.

8

01602-20825

WASHER,SPRING

SN: 63001-UP

4шт.

9

103-43-36260

BRACKET

SN: 63001-UP

1шт.

10

04205-10622

PIN

SN: 63001-UP

1шт.

11

04050-11612

PIN,COTTER

SN: 63001-UP

1шт.

12

04205-10825

PIN

SN: 63001-UP

1шт.

13

04050-12015

PIN,COTTER

SN: 63001-UP

1шт.

Выбрано товаров: 13