Запчасти Komatsu D20Q-5 КОРПУС ТРАНСМИССИИ ОСНОВН. МУФТА И ТРАНСМИССИЯ

Схема запчастей Komatsu D20Q-5 - КОРПУС ТРАНСМИССИИ ОСНОВН. МУФТА И ТРАНСМИССИЯ
FIT
1:1
100%

Артикул

Название

Примечание

Количество

|$0

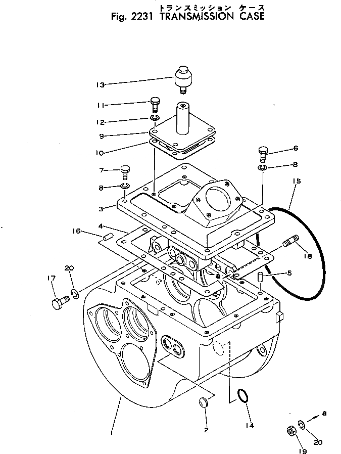
102-14-00020

TRANSMISSION ASS'Y

SN: 45368-UP

1шт.

1

102-14-41111

CASE

SN: 51904-UP

1шт.

1

0

CASE

SN: 45368-51903

1шт.

|$$4

(102-14-41111,07000-02080)

-1шт.

2

07046-02520

PLUG

SN: 45368-UP

2шт.

3

102-14-42111

COVER

SN: 45368-UP

1шт.

4

102-14-41170

GASKET

SN: 45368-UP

1шт.

5

04020-01024

PIN,DOWEL

SN: 45368-UP

2шт.

6

01010-31040

BOLT

SN: 45368-UP

2шт.

7

01010-31030

BOLT

SN: 45368-UP

8шт.

8

01602-01030

WASHER,SPRING

SN: 45368-UP

10шт.

9

102-14-41183

PLATE

SN: .-UP

1шт.

9

0

PLATE

SN: 49245-.

1шт.

9

0

PLATE

SN: 45368-49244

1шт.

10

102-14-11151

GASKET

SN: 45368-UP

1шт.

11

01010-31025

BOLT

SN: 45368-UP

4шт.

12

01602-01030

WASHER,SPRING

SN: 45368-UP

4шт.

13

07030-00252

BREATHER

SN: 45368-UP

1шт.

14

07000-03025

O-RING

SN: 45368-UP

1шт.

15

07000-05220

O-RING

SN: 45368-UP

1шт.

16

04020-01024

PIN,DOWEL

SN: 45368-UP

1шт.

17

01010-31230

BOLT

SN: 45368-UP

6шт.

18

01124-31230

STUD

SN: 45368-UP

1шт.

19

01580-01210

NUT

SN: 45368-UP

1шт.

20

01602-01236

WASHER,SPRING

SN: 45368-UP

7шт.

Выбрано товаров: 25