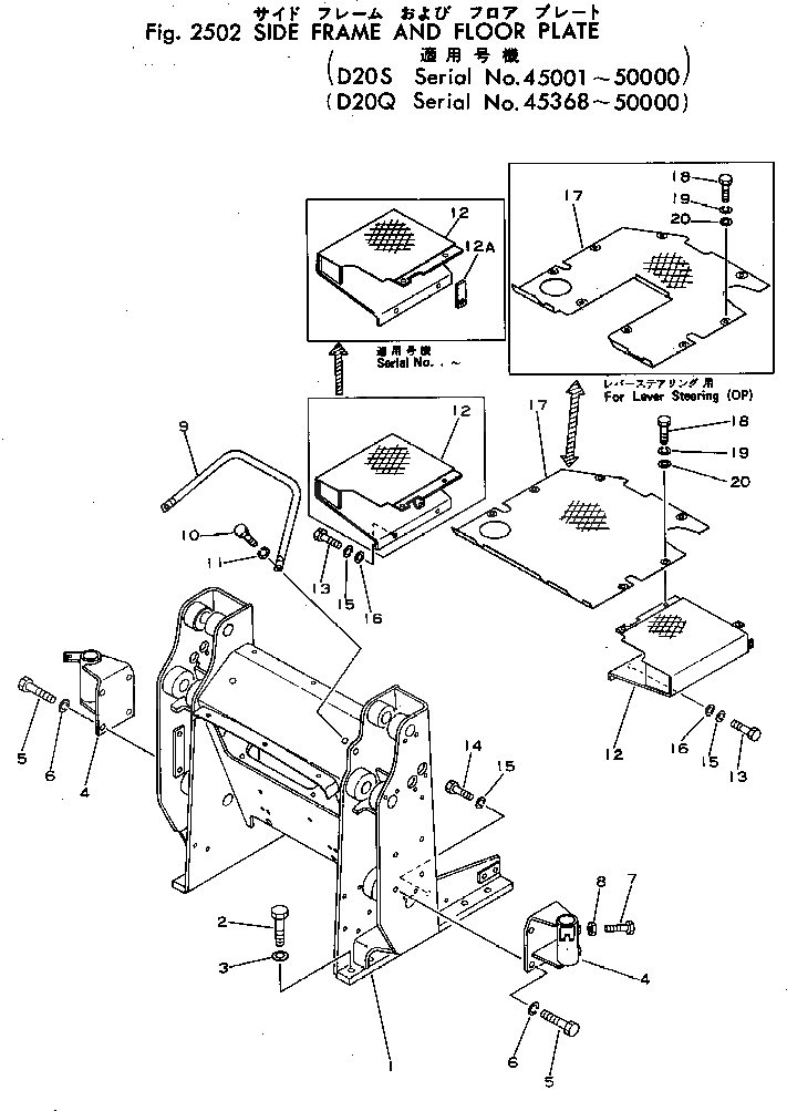
Запчасти Komatsu D20Q-5РАМА И ПОЛ КАБИНЫ(№8-) ЧАСТИ КОРПУСА

Схема запчастей Komatsu D20Q-5 -  РАМА И ПОЛ КАБИНЫ(№8-) ЧАСТИ КОРПУСА
FIT
1:1
100%

Артикул

Название

Примечание

Количество

1

103-70-23112

FRAME,SIDE

SN: 45368-50000

1шт.

1

103-70-29161

FRAME,SIDE (FOR LEVER STEERING)

SN: 45368-50000

1шт.

2

01010-31655

BOLT

SN: 45368-@

12шт.

3

01643-31645

WASHER

SN: 45368-@

12шт.

4

103-Z06-1131

BRACKET,L.H.

SN: 45368-50000

1шт.

4

103-Z06-1140

BRACKET,R.H.

SN: 45368-50000

1шт.

5

01010-31435

BOLT

SN: 45368-@

8шт.

6

01602-01442

WASHER

SN: 45368-@

8шт.

7

01016-31445

BOLT

SN: 45368-@

4шт.

8

01580-01411

NUT

SN: 45368-@

4шт.

9

103-54-21310

HANDLE

SN: 45368-@

1шт.

10

01010-31435

BOLT

SN: 45368-@

2шт.

11

01602-01442

WASHER,SPRING

SN: 45368-@

2шт.

12

103-54-23124

FENDER,FRONT, L.H.

SN: 45446-@

1шт.

12

103-54-23123

FENDER,FRONT, L.H.

SN: 45368-45445

1шт.

12

103-54-23134

FENDER,FRONT, R.H.

SN: 45446-@

1шт.

12

103-54-23133

FENDER,FRONT, R.H.

SN: 45368-45445

1шт.

12A

103-54-23160

PLATE

SN: 45368-@

2шт.

13

01010-31025

BOLT

SN: 45368-@

4шт.

14

01010-31035

BOLT

SN: 45368-@

2шт.

15

01602-01030

WASHER,SPRING

SN: 45368-@

6шт.

16

01643-31032

WASHER

SN: 45368-@

4шт.

17

102-54-43113

PLATE,FLOOR

SN: 45368-50000

1шт.

17

102-54-48111

PLATE,FLOOR (FOR LEVER STEERING)

SN: 45368-50000

1шт.

18

01010-31025

BOLT

SN: 45368-50000

6шт.

18

01010-31025

BOLT,(FOR LEVER STEERING)

SN: 45368-50000

8шт.

19

01602-01030

WASHER,SPRING

SN: 45368-50000

6шт.

19

01602-01030

WASHER,SPRING (FOR LEVER STEERING)

SN: 45368-50000

8шт.

20

01643-31032

WASHER

SN: 45368-50000

6шт.

20

01643-31032

WASHER,(FOR LEVER STEERING)

SN: 45368-50000

8шт.

Выбрано товаров: 30