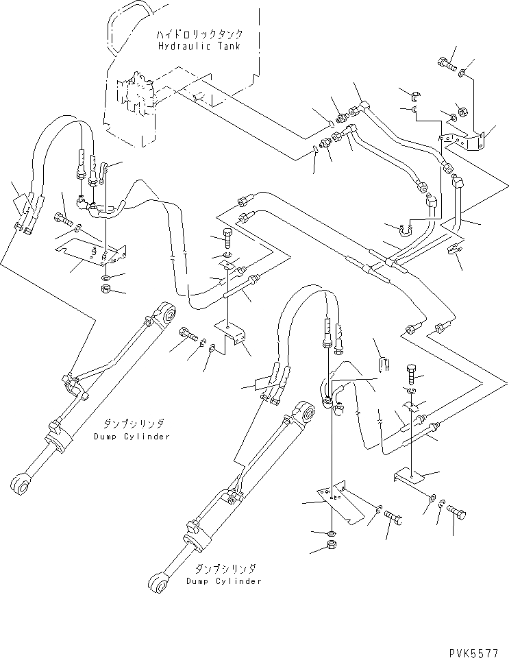
Запчасти Komatsu D20Q-7-M ГИДРОЛИНИЯ (ЦИЛИНДР НАКЛОНА ЛИНИЯ) (ШАССИ) ГИДРАВЛИКА

Схема запчастей Komatsu D20Q-7-M - ГИДРОЛИНИЯ (ЦИЛИНДР НАКЛОНА ЛИНИЯ) (ШАССИ) ГИДРАВЛИКА
1
1
2
2
3
4
5
6
7
8
8
9
9
10
10
11
12
13
14
15
16
17
17
18
18
19
19
20
20
21
21
22
22
23
23
24
25
26
26
27
27
28
28
29
29
30
30
31
31
FIT
1:1
100%

Артикул

Название

Примечание

Количество

1

20T-62-71150

UNION

SN: 61132-UP

2шт.

2

07002-11823

O-RING

SN: 61132-UP

2шт.

3

103-62-41110

TUBE

SN: 61132-UP

1шт.

4

103-62-41120

TUBE

SN: 61132-UP

1шт.

5

103-62-33331

BRACKET

SN: 61132-UP

1шт.

6

01010-81025

BOLT

SN: 61132-UP

2шт.

7

01643-31032

WASHER

SN: 61132-UP

2шт.

8

07283-22236

CLIP

SN: 61132-UP

2шт.

9

01599-01011

NUT

SN: 61132-UP

4шт.

10

01643-31032

WASHER

SN: 61132-UP

4шт.

11

103-62-33131

TUBE

SN: 61132-UP

1шт.

12

103-62-33150

TUBE

SN: 61132-UP

1шт.

13

103-62-23174

TUBE,L.H.

SN: 61132-UP

1шт.

14

103-62-23184

TUBE,R.H.

SN: 61132-UP

1шт.

15

103-62-23193

TUBE,L.H.

SN: 61132-UP

1шт.

16

103-62-23213

TUBE,R.H.

SN: 61132-UP

1шт.

17

103-62-23282

CLAMP

SN: 61132-UP

2шт.

18

01010-81040

BOLT

SN: 61132-UP

4шт.

19

01602-21030

WASHER,SPRING

SN: 61132-UP

4шт.

20

01643-31032

WASHER

SN: 61132-UP

4шт.

21

103-62-22251

CLAMP

SN: 61132-UP

2шт.

22

01010-81035

BOLT

SN: 61132-UP

2шт.

23

01602-21030

WASHER,SPRING

SN: 61132-UP

2шт.

24

103-62-33160

BRACKET,L.H.

SN: 61132-UP

1шт.

25

103-62-33170

BRACKET,R.H.

SN: 61132-UP

1шт.

26

07283-21537

CLIP

SN: 61132-UP

4шт.

27

01598-00809

NUT

SN: 61132-UP

8шт.

28

01643-30823

WASHER

SN: 61132-UP

8шт.

29

01010-81020

BOLT

SN: 61132-UP

4шт.

30

01602-21030

WASHER,SPRING

SN: 61132-UP

4шт.

31

07108-20306

HOSE

SN: 61132-UP

4шт.

Выбрано товаров: 31