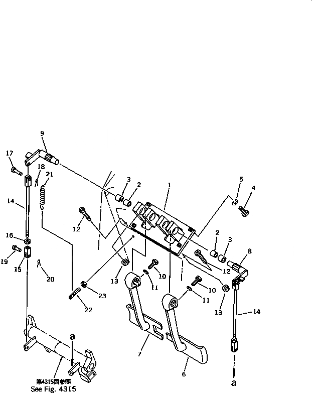
Запчасти Komatsu D20QG-6 РУЛЕВ. УПРАВЛЕНИЕ И ПЕДАЛЬ ТОРМОЗА (ДЛЯ ПЕДАЛЬ РУЛЕВ. УПРАВЛЕНИЕ) СИСТЕМА УПРАВЛЕНИЯ

Схема запчастей Komatsu D20QG-6 - РУЛЕВ. УПРАВЛЕНИЕ И ПЕДАЛЬ ТОРМОЗА (ДЛЯ ПЕДАЛЬ РУЛЕВ. УПРАВЛЕНИЕ) СИСТЕМА УПРАВЛЕНИЯ
FIT
1:1
100%

Артикул

Название

Примечание

Количество

|1

113-43-01070

BRACKET ASS'Y

SN: 60001-UP

1шт.

1

0

BRACKET

SN: 60001-UP

1шт.

2

09350-02520

BUSHING

SN: 60001-UP

2шт.

3

09350-03020

BUSHING

SN: 60001-UP

2шт.

4

01010-51030

BOLT

SN: 60001-UP

2шт.

5

01602-21030

WASHER,SPRING

SN: 60001-UP

2шт.

6

103-43-31110

PEDAL,L.H.

SN: 60001-UP

1шт.

7

103-43-31120

PEDAL,R.H.

SN: 60001-UP

1шт.

8

103-43-31130

LEVER,L.H.

SN: 60001-UP

1шт.

9

103-43-33210

LEVER \,R.H.

SN: 60001-UP

1шт.

10

01010-51030

BOLT

SN: 60001-UP

2шт.

11

01602-21030

WASHER,SPRING

SN: 60001-UP

2шт.

12

113-43-21340

BUMPER

SN: 60001-UP

2шт.

13

01580-11008

NUT

SN: 60001-UP

2шт.

14

04244-41032

ROD

SN: 60001-UP

2шт.

15

04210-21040

YOKE

SN: 60001-UP

2шт.

16

01582-11008

NUT

SN: 60001-UP

2шт.

17

103-43-21170

PIN

SN: 60001-UP

2шт.

18

04050-13020

PIN,COTTER

SN: 60001-UP

2шт.

19

04205-11028

PIN

SN: 60001-UP

2шт.

20

04050-13020

PIN,COTTER

SN: 60001-UP

2шт.

21

103-43-21290

SPRING

SN: 60001-UP

2шт.

22

103-43-21260

BOLT

SN: 60001-UP

2шт.

23

01580-11008

NUT

SN: 60001-UP

2шт.

Выбрано товаров: 24