Запчасти Komatsu D20S-5 ВЕРХН. ЗАЩИТА ОПЦИОННЫЕ КОМПОНЕНТЫ

Схема запчастей Komatsu D20S-5 - ВЕРХН. ЗАЩИТА ОПЦИОННЫЕ КОМПОНЕНТЫ
FIT
1:1
100%

Артикул

Название

Примечание

Количество

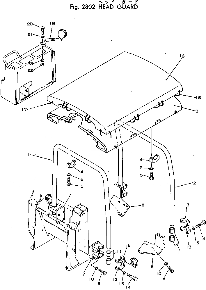
1

103-Z73-1111

POLE,FRONT

SN: 45001-UP

1шт.

2

103-Z73-1151

POLE,REAR

SN: 45001-UP

1шт.

3

113-Z73-1110

ROOF

SN: 45001-UP

1шт.

4

113-Z73-1120

CAP

SN: 45001-UP

4шт.

5

01010-31675

BOLT

SN: 45001-UP

8шт.

6

01643-31645

WASHER

SN: 45001-UP

8шт.

7

103-Z73-1120

BRACKET,FRONT

SN: 45001-UP

2шт.

8

104-Z73-1161

BRACKET,REAR, L.H.

SN: 45001-UP

1шт.

8

104-Z73-1171

BRACKET,REAR, R.H.

SN: 45001-UP

1шт.

9

01010-31440

BOLT

SN: 45001-UP

18шт.

10

01602-01442

WASHER,SPRING

SN: 45001-UP

18шт.

11

141-973-1250

CUSHION

SN: 45001-UP

8шт.

12

103-Z73-1190

CAP

SN: 45001-UP

2шт.

13

104-Z73-1190

CAP

SN: 45001-UP

6шт.

14

01010-31675

BOLT

SN: 45001-UP

16шт.

15

01643-31645

WASHER

SN: 45001-UP

16шт.

16

101-91-31140

SHEET

SN: 45001-UP

1шт.

17

131-906-1220

ROPE, 8.5M

SN: 45001-UP

1шт.

18

131-906-1230

ROPE, 0.7M

SN: 45001-UP

2шт.

19

104-06-23140

PLATE

SN: 45001-UP

1шт.

20

01010-31025

BOLT

SN: 45001-UP

1шт.

21

01643-31032

WASHER

SN: 45001-UP

1шт.

22

01580-01008

NUT

SN: 45001-UP

1шт.

23

01602-01030

WASHER,SPRING

SN: 45001-UP

1шт.

Выбрано товаров: 24