Запчасти Komatsu D20S-7-M ТЯГОВ. ЛЕБЕДКА (ТОРМОЗ.) РАБОЧЕЕ ОБОРУДОВАНИЕ

Схема запчастей Komatsu D20S-7-M - ТЯГОВ. ЛЕБЕДКА (ТОРМОЗ.) РАБОЧЕЕ ОБОРУДОВАНИЕ
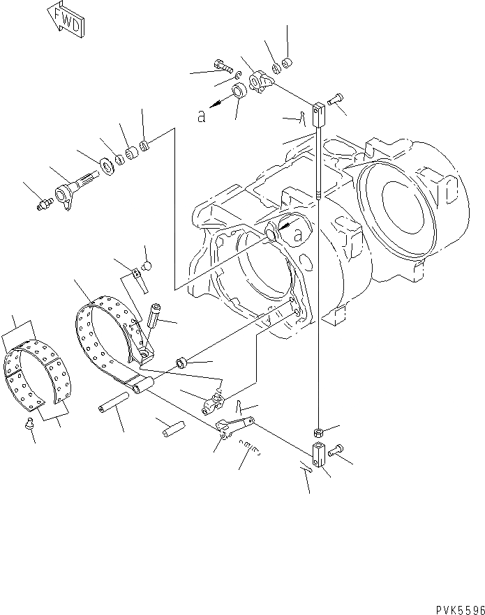
1
2
3
4
5
6
7
8
9
10
11
12
13
14
15
16
17
18
18
19
19
20
21
22
23
24
25
26
27
28
28
29
30
FIT
1:1
100%

Артикул

Название

Примечание

Количество

|1

101-Z61-2111

BRAKE BAND ASS'Y

SN: 61132-UP

1шт.

1

0

BAND,BRAKE

SN: 61132-UP

1шт.

2

101-Z61-2131

LINING

SN: 61132-UP

2шт.

3

101-Z61-2141

LINING

SN: 61132-UP

2шт.

4

101-33-21221

SPRING

SN: 61132-UP

1шт.

5

04400-00514

RIVET

SN: 61132-UP

2шт.

6

04412-10510

RIVET

SN: 61132-UP

32шт.

7

101-33-11310

BOLT

SN: 61132-UP

1шт.

8

112-961-2280

NUT

SN: 61132-UP

1шт.

9

112-961-2260

SPRING

SN: 61132-UP

1шт.

10

101-Z61-2260

LEVER

SN: 61132-UP

1шт.

11

04050-13040

PIN,COTTER

SN: 61132-UP

1шт.

12

101-Z61-2210

PIN

SN: 61132-UP

1шт.

13

101-Z61-2220

COLLAR

SN: 61132-UP

1шт.

14

124-960-2630

PIN

SN: 61132-UP

1шт.

15

04210-21040

YOKE

SN: 61206-UP

1шт.

|15

04211-21055

YOKE

SN: 61132-61205

1шт.

16

01580-11008

NUT

SN: 61132-UP

1шт.

17

04244-51021

ROD

SN: 61132-UP

1шт.

18

04205-11030

PIN

SN: 61132-UP

2шт.

19

04050-13015

PIN,COTTER

SN: 61132-UP

2шт.

20

101-Z61-2240

LEVER

SN: 61132-UP

1шт.

21

01602-21236

WASHER,SPRING

SN: 61132-UP

1шт.

22

01010-81245

BOLT

SN: 61132-UP

1шт.

23

101-Z61-2250

SHAFT

SN: 61132-UP

1шт.

24

101-Z61-2230

COLLAR

SN: 61132-UP

1шт.

25

07020-00000

FITTING,GREASE

SN: 61132-UP

1шт.

26

01640-23045

WASHER

SN: 61132-UP

1шт.

27

06120-02820

BEARING,NEEDLE

SN: 61132-UP

1шт.

28

06122-02804

SEAL,BEARING

SN: 61132-UP

2шт.

29

06120-02016

BEARING,NEEDLE

SN: 61132-UP

1шт.

30

06122-02004

SEAL,BEARING

SN: 61132-UP

1шт.

Выбрано товаров: 32