Запчасти Komatsu D20S-7-M FВОЗД. LEAD РАБОЧЕЕ ОБОРУДОВАНИЕ

Схема запчастей Komatsu D20S-7-M - FВОЗД. LEAD РАБОЧЕЕ ОБОРУДОВАНИЕ
FIT
1:1
100%

Артикул

Название

Примечание

Количество

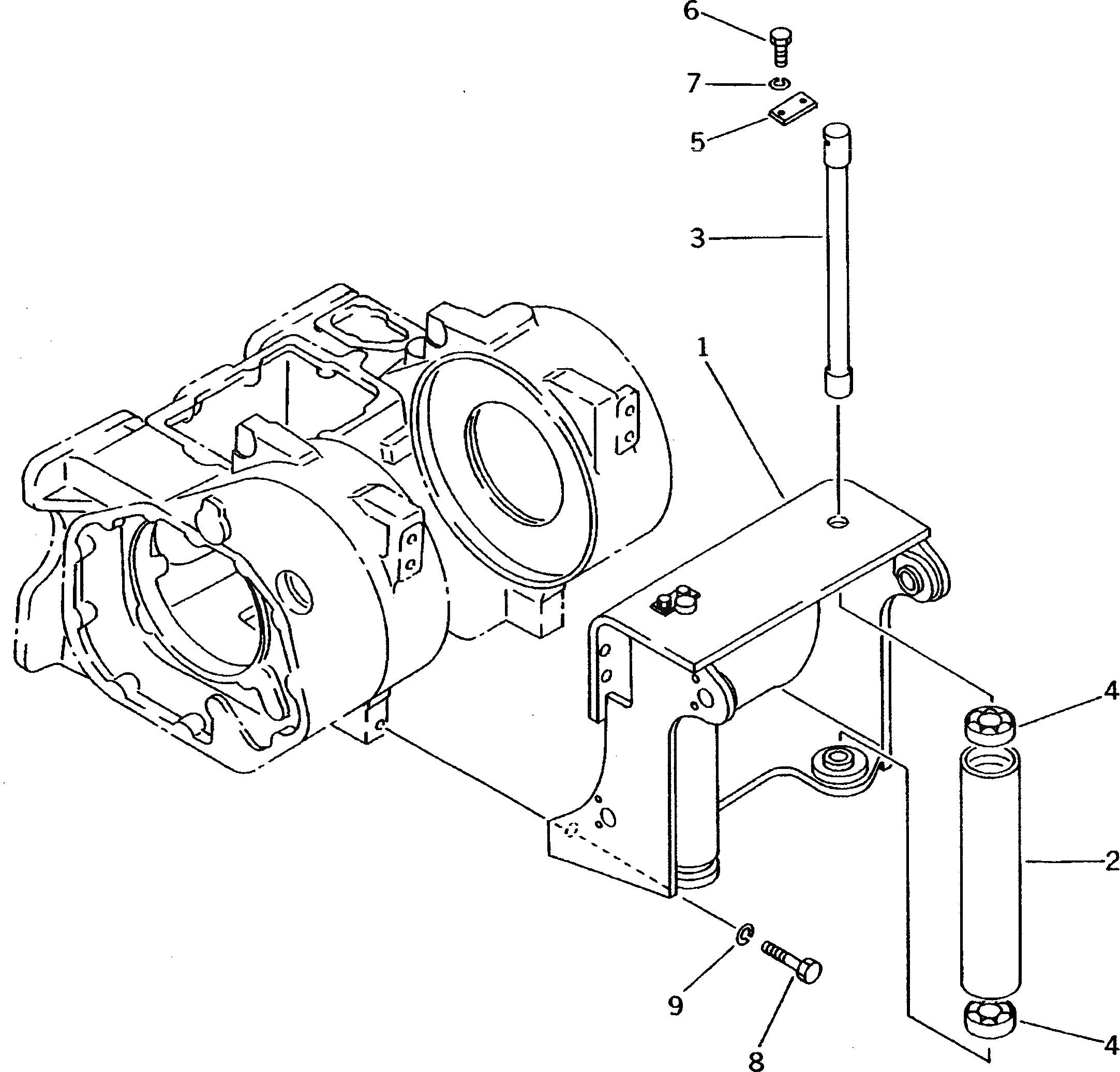
1

101-Z61-4210

FRAME

SN: 61132-UP

1шт.

2

101-Z61-4140

ROLLER

SN: 61132-UP

4шт.

3

101-Z61-4150

SHAFT

SN: 61132-UP

4шт.

4

06044-06206

BEARING,BALL

SN: 61132-UP

8шт.

5

04082-00110

LOCK

SN: 61132-UP

4шт.

6

01010-81020

BOLT

SN: 61132-UP

8шт.

7

01602-21030

WASHER,SPRING

SN: 61132-UP

8шт.

8

01010-81635

BOLT

SN: 61132-UP

6шт.

9

01643-31645

WASHER

SN: 61132-UP

6шт.

Выбрано товаров: 9