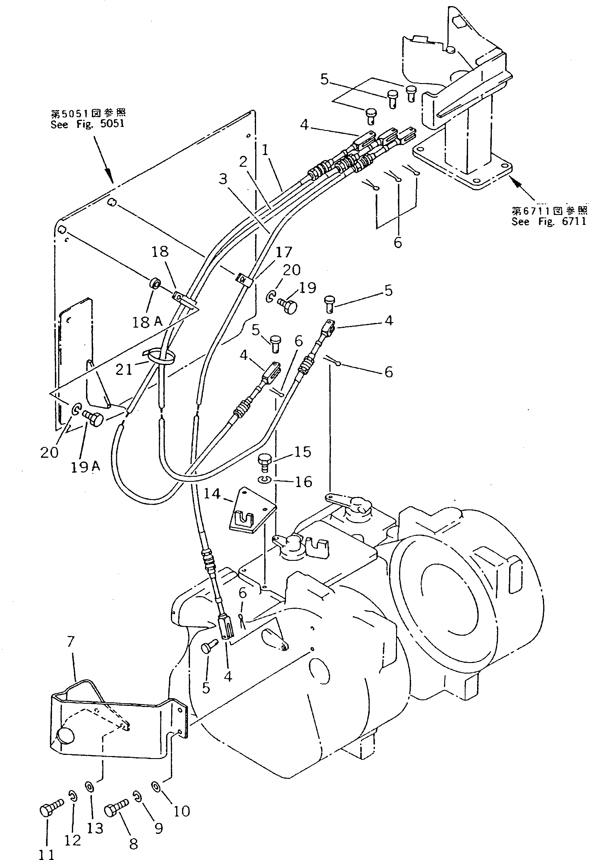
Запчасти Komatsu D20S-7 МЕХ-М УПРАВЛ-Я РАБОЧ. ОБОРУД-EM (ДЛЯ ТЯГОВ. ЛЕБЕДКИ) УПРАВЛ-Е РАБОЧИМ ОБОРУДОВАНИЕМ

Схема запчастей Komatsu D20S-7 - МЕХ-М УПРАВЛ-Я РАБОЧ. ОБОРУД-EM (ДЛЯ ТЯГОВ. ЛЕБЕДКИ) УПРАВЛ-Е РАБОЧИМ ОБОРУДОВАНИЕМ
FIT
1:1
100%

Артикул

Название

Примечание

Количество

1

101-Z61-5470

CABLE

SN: 61001-UP

1шт.

2

130-961-5690

CABLE

SN: 61001-UP

1шт.

3

101-961-5140

CABLE,(FOR CLUTCH)

SN: 61001-UP

1шт.

4

04211-20844

YOKE

SN: 61001-UP

6шт.

5

04205-10822

PIN

SN: 61001-UP

6шт.

6

04050-12012

PIN,COTTER

SN: 61001-UP

6шт.

7

101-Z61-5450

COVER

SN: 61001-UP

1шт.

8

01010-51240

BOLT

SN: 61001-UP

2шт.

9

01602-21236

WASHER,SPRING

SN: 61001-UP

2шт.

10

01643-31232

WASHER

SN: 61001-UP

2шт.

11

01010-51025

BOLT

SN: 61001-UP

2шт.

12

01602-21030

WASHER,SPRING

SN: 61001-UP

2шт.

13

01643-21032

WASHER

SN: 61001-UP

2шт.

14

101-Z61-5421

BRACKET

SN: 61001-UP

1шт.

15

01010-51035

BOLT

SN: 61001-UP

2шт.

16

01602-21030

WASHER,SPRING

SN: 61001-UP

2шт.

17

04434-01208

CLIP

SN: 61001-UP

1шт.

18

04435-01208

CLIP

SN: 61001-UP

1шт.

18A

103-21-31260

BOSS

SN: 61001-UP

1шт.

19

01010-50816

BOLT

SN: 61001-UP

1шт.

19A

01010-50835

BOLT

SN: 61001-UP

1шт.

20

01602-20825

WASHER,SPRING

SN: 61001-UP

2шт.

21

08034-00519

BAND

SN: 61001-UP

1шт.

Выбрано товаров: 23