Запчасти Komatsu D21A-5 ГИДРАВЛ МАСЛОПРОВОДЯЩАЯ ЛИНИЯ (КЛАПАН TO/FROM ГИДРОЦИЛИНДР ПОДЪЕМА) (СПЕЦ-Я TBG)(№78-) ОПЦИОННЫЕ КОМПОНЕНТЫ (СПЕЦ. APPLICATION ЧАСТИ)

Схема запчастей Komatsu D21A-5 - ГИДРАВЛ МАСЛОПРОВОДЯЩАЯ ЛИНИЯ (КЛАПАН TO/FROM ГИДРОЦИЛИНДР ПОДЪЕМА) (СПЕЦ-Я TBG)(№78-) ОПЦИОННЫЕ КОМПОНЕНТЫ (СПЕЦ. APPLICATION ЧАСТИ)
FIT
1:1
100%

Артикул

Название

Примечание

Количество

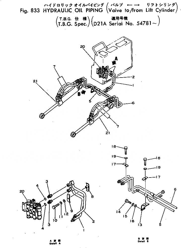
1

103-62-22371

TUBE

SN: 54781-UP

1шт.

2

103-62-22361

TUBE

SN: 54781-UP

1шт.

3

10E-60-16141

NIPPLE

SN: 54781-UP

2шт.

4

07002-12034

O-RING

SN: 54781-UP

2шт.

5

104-62-22221

TUBE

SN: 54781-UP

1шт.

6

104-62-22211

TUBE

SN: 54781-UP

1шт.

7

07123-00305

HOSE

SN: 54781-UP

4шт.

8

103-62-22220

CLIP

SN: 54781-UP

1шт.

9

103-62-22230

CLIP

SN: 54781-UP

1шт.

10

01010-31025

BOLT

SN: 54781-UP

1шт.

11

01602-01030

WASHER

SN: 54781-UP

1шт.

12

01643-31032

WASHER

SN: 54781-UP

1шт.

13

103-62-22261

CLAMP,L.H.

SN: 54781-UP

1шт.

13

103-62-22270

CLAMP,R.H.

SN: 54781-UP

1шт.

14

01010-31030

BOLT

SN: 54781-UP

4шт.

15

01602-01030

WASHER

SN: 54781-UP

4шт.

16

01643-31032

WASHER

SN: 54781-UP

4шт.

17

103-62-22251

CLAMP

SN: 54781-UP

4шт.

18

01010-31035

BOLT

SN: 54781-UP

4шт.

19

01602-01030

WASHER

SN: 54781-UP

4шт.

20

700-23-11001

VALVE ASS'Y

SN: 54781-UP

1шт.

21

101-63-13100

CYLINDER ASS'Y,L.H.

SN: 54781-UP

1шт.

21

101-63-13200

CYLINDER ASS'Y,R.H.

SN: 54781-UP

1шт.

Выбрано товаров: 23