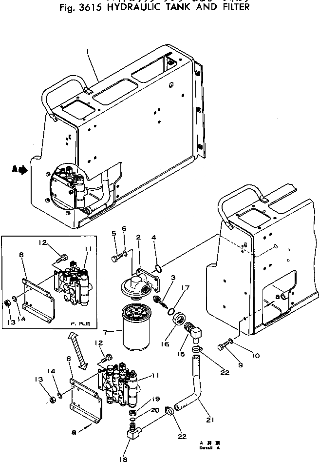
Запчасти Komatsu D21A-5 ГИДР. БАК. AND ФИЛЬТР. УПРАВЛ-Е РАБОЧИМ ОБОРУДОВАНИЕМ

Схема запчастей Komatsu D21A-5 - ГИДР. БАК. AND ФИЛЬТР. УПРАВЛ-Е РАБОЧИМ ОБОРУДОВАНИЕМ
FIT
1:1
100%

Артикул

Название

Примечание

Количество

1

103-54-24315

CASE

SN: 47474-UP

1шт.

1

103-54-24314

CASE

SN: 45053-47473

1шт.

1

103-54-24313

CASE

SN: 45005-45052

1шт.

2

103-60-23250

BASE

SN: 45005-UP

1шт.

3

103-60-23260

VALVE

SN: 45005-UP

1шт.

4

07000-03032

O-RING

SN: 45005-UP

1шт.

5

01010-31025

BOLT

SN: 45005-UP

3шт.

6

01602-01030

WASHER

SN: 45005-UP

3шт.

7

103-60-23240

CARTRIDGE

SN: 45005-UP

1шт.

8

103-60-22111

BRACKET

SN: 45005-UP

1шт.

9

01010-30816

BOLT

SN: 45005-UP

4шт.

10

01602-00825

WASHER

SN: 45005-UP

4шт.

11

700-23-11001

VALVE ASS'Y

SN: 50001-UP

1шт.

11

700-23-11000

VALVE ASS'Y

SN: 45005-50000

1шт.

12

01010-30816

BOLT

SN: 45005-UP

3шт.

13

01580-00806

NUT

SN: 45005-UP

3шт.

14

01602-00825

WASHER

SN: 45005-UP

3шт.

15

103-60-23151

ELBOW

SN: 45005-UP

1шт.

16

113-60-23120

NUT

SN: 45005-UP

1шт.

17

07002-03334

O-RING

SN: 45005-UP

1шт.

18

103-60-23121

NIPPLE

SN: 45005-UP

1шт.

19

103-60-23170

NUT

SN: 45005-UP

1шт.

20

07002-02034

O-RING

SN: 45005-UP

1шт.

21

103-60-23140

HOSE

SN: 45005-UP

1шт.

22

07281-00359

CLAMP

SN: 45005-UP

2шт.

Выбрано товаров: 25