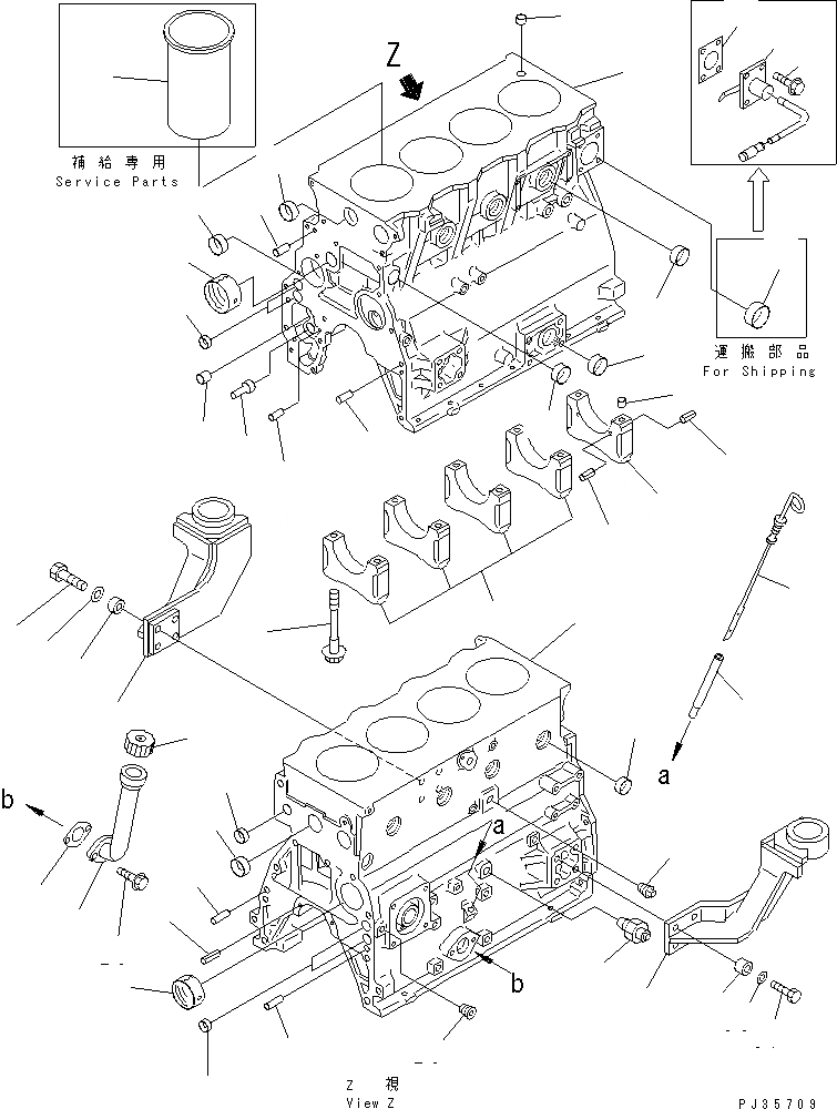
Запчасти Komatsu 4D95S-W-1G-A БЛОК ЦИЛИНДРОВ (МОРОЗОУСТОЙЧИВ. СПЕЦИФИКАЦИЯ.)(№-) БЛОК ЦИЛИНДРОВ

Схема запчастей Komatsu 4D95S-W-1G-A - БЛОК ЦИЛИНДРОВ (МОРОЗОУСТОЙЧИВ. СПЕЦИФИКАЦИЯ.)(№-) БЛОК ЦИЛИНДРОВ
1
1
2
3
4
5
6
7
7
7
8
9
10
11
11
12
12
13
14
15
15
16
16
16
17
18
18
18
19
20
21
22
23
24
25
26
27
28
29
30
31
32
33
34
35
36
37
37
38
38
39
1
1
2
3
4
5
6
7
7
7
8
9
10
11
11
12
12
13
14
15
15
16
16
16
17
18
18
18
19
20
21
22
23
24
25
26
27
28
29
30
31
32
33
34
35
36
37
37
38
38
39
FIT
1:1
100%

Артикул

Название

Примечание

Количество

|$0

6204-21-1102

CYLINDER BLOCK ASS'Y

SN: 44033-UP

1шт.

1

0

BLOCK,CYLINDER

SN: 44033-UP

1шт.

2

6204-21-1410

BUSHING,CAMSHAFT

SN: 44033-UP

1шт.

3

6206-21-1420

BUSHING,CAMSHAFT

SN: 44033-UP

2шт.

4

0

CAP,MAIN METAL, NO.1,2,3,4

SN: 44033-UP

4шт.

5

0

CAP,MAIN METAL, NO.5

SN: 44033-UP

1шт.

6

6141-21-1530

RING,DOWEL

SN: 44033-UP

2шт.

7

04025-00408

PIN,SPRING

SN: 44033-UP

6шт.

8

6204-21-1610

BOLT,MAIN CAP

SN: 44033-UP

10шт.

9

6204-51-1711

BUSHING,OIL PUMP

SN: 44033-UP

1шт.

10

6204-51-1620

SHAFT,OIL PUMP

SN: 44033-UP

1шт.

11

07046-41810

PLUG

SN: 44033-UP

4шт.

12

04020-00820

PIN,DOWEL

SN: 44033-UP

2шт.

13

6136-52-1620

PIN,DOWEL

SN: 44033-UP

1шт.

14

07046-42216

PLUG

SN: 44033-UP

1шт.

15

04020-01228

PIN,DOWEL

SN: 44033-UP

2шт.

16

07046-43016

PLUG

SN: 44033-UP

7шт.

17

07046-44016

PLUG,(FOR SHIPPING)

SN: 44033-UP

1шт.

18

07046-42516

PLUG

SN: 44033-UP

5шт.

19

07042-10312

PLUG

SN: 44033-UP

1шт.

20

07043-50108

PLUG

SN: 44033-UP

6шт.

21

6140-21-1130

BUSHING,DOWEL

SN: 44033-UP

2шт.

22

600-815-6590

HEATER,WATER

SN: 44033-UP

1шт.

23

6206-61-8810

GASKET (K2)

SN: 44033-UP

1шт.

24

01435-21025

BOLT

SN: 44033-UP

4шт.

25

07046-23016

PLUG

SN: 44033-UP

1шт.

|$26

6202-22-7100

FILLER ASS'Y

SN: 44033-UP

1шт.

26

6202-22-7110

FILLER

SN: 44033-UP

1шт.

27

6136-21-7120

CAP ASS'Y

SN: 44033-UP

1шт.

28

6132-11-4820

GASKET (K2)

SN: 44033-UP

1шт.

29

01435-20820

BOLT

SN: 44033-UP

2шт.

30

08073-00505

SWITCH

SN: 44033-UP

1шт.

31

6202-21-5410

GUIDE,OIL GAUGE

SN: 44033-UP

1шт.

32

6202-21-5320

GAUGE,OIL

SN: 44033-UP

1шт.

33

6204-21-3710

SUPPORT,L.H.

SN: 44033-UP

1шт.

34

6204-21-3720

SUPPORT,R.H.

SN: 44033-UP

1шт.

35

195-01-14540

COLLAR

SN: 44033-UP

4шт.

36

144-874-7470

BOSS

SN: 44033-UP

4шт.

37

01010-51055

BOLT

SN: 44033-UP

8шт.

38

01643-31032

WASHER

SN: 44033-UP

8шт.

39

6207-21-2110

LINER (MARK A),CYLINDER

SN: 44033-UP

-2шт.

39

6207-21-2120

LINER (MARK B),CYLINDER

SN: 44033-UP

-2шт.

|$0

6204-21-1102

CYLINDER BLOCK ASS'Y

SN: 44033-UP

1шт.

1

0

BLOCK,CYLINDER

SN: 44033-UP

1шт.

2

6204-21-1410

BUSHING,CAMSHAFT

SN: 44033-UP

1шт.

3

6206-21-1420

BUSHING,CAMSHAFT

SN: 44033-UP

2шт.

4

0

CAP,MAIN METAL, NO.1,2,3,4

SN: 44033-UP

4шт.

5

0

CAP,MAIN METAL, NO.5

SN: 44033-UP

1шт.

6

6141-21-1530

RING,DOWEL

SN: 44033-UP

2шт.

7

04025-00408

PIN,SPRING

SN: 44033-UP

6шт.

8

6204-21-1610

BOLT,MAIN CAP

SN: 44033-UP

10шт.

9

6204-51-1711

BUSHING,OIL PUMP

SN: 44033-UP

1шт.

10

6204-51-1620

SHAFT,OIL PUMP

SN: 44033-UP

1шт.

11

07046-41810

PLUG

SN: 44033-UP

4шт.

12

04020-00820

PIN,DOWEL

SN: 44033-UP

2шт.

13

6136-52-1620

PIN,DOWEL

SN: 44033-UP

1шт.

14

07046-42216

PLUG

SN: 44033-UP

1шт.

15

04020-01228

PIN,DOWEL

SN: 44033-UP

2шт.

16

07046-43016

PLUG

SN: 44033-UP

7шт.

17

07046-44016

PLUG,(FOR SHIPPING)

SN: 44033-UP

1шт.

18

07046-42516

PLUG

SN: 44033-UP

5шт.

19

07042-10312

PLUG

SN: 44033-UP

1шт.

20

07043-50108

PLUG

SN: 44033-UP

6шт.

21

6140-21-1130

BUSHING,DOWEL

SN: 44033-UP

2шт.

22

600-815-6590

HEATER,WATER

SN: 44033-UP

1шт.

23

6206-61-8810

GASKET (K2)

SN: 44033-UP

1шт.

24

01435-21025

BOLT

SN: 44033-UP

4шт.

25

07046-23016

PLUG

SN: 44033-UP

1шт.

|$26

6202-22-7100

FILLER ASS'Y

SN: 44033-UP

1шт.

26

6202-22-7110

FILLER

SN: 44033-UP

1шт.

27

6136-21-7120

CAP ASS'Y

SN: 44033-UP

1шт.

28

6132-11-4820

GASKET (K2)

SN: 44033-UP

1шт.

29

01435-20820

BOLT

SN: 44033-UP

2шт.

30

08073-00505

SWITCH

SN: 44033-UP

1шт.

31

6202-21-5410

GUIDE,OIL GAUGE

SN: 44033-UP

1шт.

32

6202-21-5320

GAUGE,OIL

SN: 44033-UP

1шт.

33

6204-21-3710

SUPPORT,L.H.

SN: 44033-UP

1шт.

34

6204-21-3720

SUPPORT,R.H.

SN: 44033-UP

1шт.

35

195-01-14540

COLLAR

SN: 44033-UP

4шт.

36

144-874-7470

BOSS

SN: 44033-UP

4шт.

37

01010-51055

BOLT

SN: 44033-UP

8шт.

38

01643-31032

WASHER

SN: 44033-UP

8шт.

39

6207-21-2110

LINER (MARK A),CYLINDER

SN: 44033-UP

-2шт.

39

6207-21-2120

LINER (MARK B),CYLINDER

SN: 44033-UP

-2шт.

Выбрано товаров: 84