Запчасти Komatsu D21A-7-M РЫЧАГ УПРАВЛ-Я ТРАНСМИССИЕЙ (/) (D) (ДЛЯ F-R ТРАНСМИССИЯ) (ДЛЯ СТАЛЬНАЯ КАБИНА)(№899-) ТОПЛИВН. БАК. AND КОМПОНЕНТЫ

Схема запчастей Komatsu D21A-7-M - РЫЧАГ УПРАВЛ-Я ТРАНСМИССИЕЙ (/) (D) (ДЛЯ F-R ТРАНСМИССИЯ) (ДЛЯ СТАЛЬНАЯ КАБИНА)(№899-) ТОПЛИВН. БАК. AND КОМПОНЕНТЫ
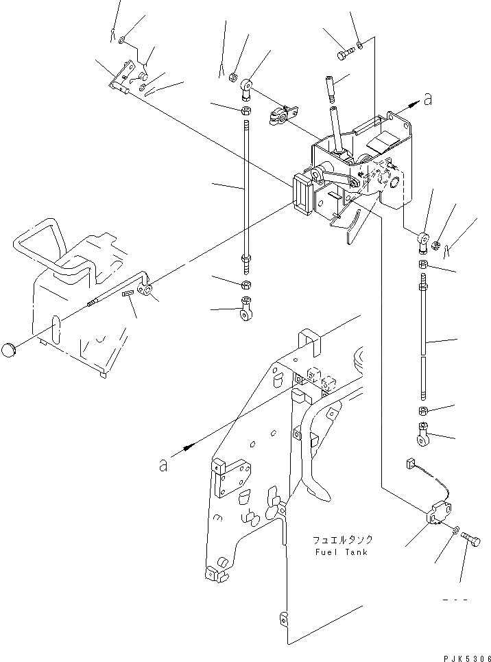
1
2
3
4
5
6
7
8
9
10
11
12
13
14
15
16
17
18
19
19
20
20
20A
20B
20C
21
22
23
FIT
1:1
100%

Артикул

Название

Примечание

Количество

|$$1

SERIAL NO. 80199 INDICATES D21A-7. THE OTHER MACHINES ARE AS FOLLOWS.

-1шт.

|$$2

D20A-7 = 80089

-1шт.

|$$3

D20A-7B = 80060

-1шт.

|$$4

D21A-7B = 80143

-1шт.

1

04250-80847

END

SN: 80199-UP

1шт.

2

01580-10806

NUT

SN: 80199-UP

1шт.

3

01590-30809

NUT

SN: 80199-UP

1шт.

4

04050-12015

PIN

SN: 80199-UP

1шт.

5

04248-30836

ROD

SN: 80199-UP

1шт.

6

04250-90847

END,ROD¤ L.H. THREAD

SN: 80199-UP

1шт.

7

01508-40805

NUT

SN: 80199-UP

1шт.

8

04250-90847

END,ROD¤ L.H. THREAD

SN: 80199-UP

1шт.

9

01508-40805

NUT

SN: 80199-UP

1шт.

10

01590-30809

NUT

SN: 80199-UP

1шт.

11

04050-12015

PIN

SN: 80199-UP

1шт.

12

04248-30829

ROD

SN: 80199-UP

1шт.

13

04250-80847

END

SN: 80199-UP

1шт.

14

01580-10806

NUT

SN: 80199-UP

1шт.

15

114-43-51660

LEVER

SN: 80199-UP

1шт.

16

104-43-48340

LEVER

SN: 80199-UP

1шт.

17

04025-00324

PIN

SN: 80199-UP

1шт.

18

09463-00006

SPRING

SN: 78604-UP

1шт.

19

01641-20608

WASHER

SN: 78604-UP

2шт.

20

04050-11610

PIN

SN: 78604-UP

2шт.

20A

08076-50400

SWITCH

SN: 80199-UP

1шт.

20B

01010-81030

BOLT

SN: 80199-UP

2шт.

20C

01643-31032

WASHER

SN: 80199-UP

2шт.

21

01010-81020

BOLT

SN: 80199-UP

4шт.

22

01643-31032

WASHER

SN: 80199-UP

4шт.

23

104-43-48230

EXTENSION

SN: 80199-UP

1шт.

Выбрано товаров: 30