Запчасти Komatsu D21A-7 РЫЧАГ УПРАВЛ-Я ПОДАЧЕЙ ТОПЛИВА (ДЛЯ MONO РЫЧАГ РУЛЕВ. УПРАВЛЕНИЕ)(С СТАЛЬНАЯ КАБИНА) СИСТЕМА УПРАВЛЕНИЯ

Схема запчастей Komatsu D21A-7 - РЫЧАГ УПРАВЛ-Я ПОДАЧЕЙ ТОПЛИВА (ДЛЯ MONO РЫЧАГ РУЛЕВ. УПРАВЛЕНИЕ)(С СТАЛЬНАЯ КАБИНА) СИСТЕМА УПРАВЛЕНИЯ
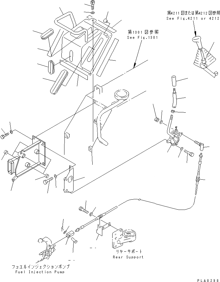
1
2
3
4
5
6
6
7
8
9
10
10
11
12
13
14
15
16
17
18
19
20
21
22
23
24
25
26
27
28
29
30
31
32
32
32
32
FIT
1:1
100%

Артикул

Название

Примечание

Количество

1

104-43-41250

LEVER ASS'Y

SN: 78604-UP

1шт.

|1

114-43-48220

LEVER ASS'Y

SN: 75001-78603

1шт.

2

203-43-44360

KNOB

SN: 75001-UP

1шт.

3

07372-21030

BOLT

SN: 75001-UP

2шт.

4

01602-21030

WASHER,SPRING

SN: 75001-UP

2шт.

5

114-43-44310

BRACKET

SN: 75001-UP

1шт.

6

363-43-27250

BEARING

SN: 75001-UP

6шт.

7

114-43-48770

BRACKET

SN: 75001-UP

1шт.

8

01010-51025

BOLT

SN: 75001-UP

2шт.

9

01010-51020

BOLT

SN: 75001-UP

2шт.

10

01643-31032

WASHER

SN: 75001-UP

4шт.

11

104-43-38222

COVER

SN: 75001-UP

1шт.

12

114-43-48231

GROMMET

SN: 75001-UP

1шт.

13

114-43-48250

GROMMET

SN: 75001-UP

1шт.

14

114-43-48260

GROMMET

SN: 75001-UP

1шт.

15

01252-30825

BOLT

SN: 75001-UP

2шт.

16

01643-30823

WASHER

SN: 75001-UP

2шт.

17

114-54-43260

PLUG

SN: 75001-UP

1шт.

18

103-43-35270

CABLE

SN: 78604-UP

1шт.

|18

104-43-41161

BRACKET

SN: 75001-78063

1шт.

19

103-43-25160

END,ROD

SN: 75001-UP

1шт.

20

01580-10504

NUT

SN: 75001-UP

1шт.

21

01601-20513

WASHER,SPRING

SN: 75001-UP

1шт.

22

04211-20500

YOKE

SN: 75001-UP

1шт.

23

04205-10516

PIN

SN: 75001-UP

1шт.

24

01641-20508

WASHER

SN: 75001-UP

1шт.

25

04050-11208

PIN,COTTER

SN: 75001-UP

1шт.

26

104-43-41161

BRACKET

SN: 78604-UP

1шт.

|26

103-43-35180

BRACKET

SN: 75001-78603

1шт.

27

01010-51020

BOLT

SN: 75001-UP

2шт.

28

01602-21030

WASHER,SPRING

SN: 75001-UP

2шт.

29

104-43-38510

EXTENSION

SN: 75001-UP

1шт.

30

104-43-38520

NUT

SN: 75001-UP

1шт.

31

114-X11-2590

SEAL

SN: 75001-UP

1шт.

32

114-X11-2550

SEAL

SN: 75001-UP

1шт.

Выбрано товаров: 35