Запчасти Komatsu D21A-7 РАБОЧЕЕ ОБОРУДОВАНИЕ УПРАВЛ-Е (KNOB) (ДЛЯ PAT DOZER)(№78-898) КАБИНА ОПЕРАТОРА И СИСТЕМА УПРАВЛЕНИЯ

Схема запчастей Komatsu D21A-7 - РАБОЧЕЕ ОБОРУДОВАНИЕ УПРАВЛ-Е (KNOB) (ДЛЯ PAT DOZER)(№78-898) КАБИНА ОПЕРАТОРА И СИСТЕМА УПРАВЛЕНИЯ
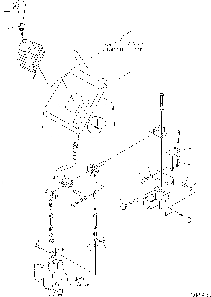
1
2
3
4
5
6
7
8
8
9
10
11
12
13
FIT
1:1
100%

Артикул

Название

Примечание

Количество

|$$1

SERIAL NO. 80198 INDICATES D21A-7. THE OTHER MACHINES ARE AS FOLLOWS.

-1шт.

|$$2

D20A-7 = 80088

-1шт.

|$$3

D20A-7B = 80059

-1шт.

|$$4

D21A-7B = 80142

-1шт.

1

114-43-48330

NIPPLE

SN: 78604-80198

1шт.

2

14X-43-14162

KNOB,SWITCH

SN: 78604-80198

1шт.

3

01010-80816

BOLT

SN: 78604-80198

4шт.

4

01602-20825

WASHER,SPRING

SN: 78604-80198

4шт.

5

09304-10835

KNOB

SN: 78604-80198

1шт.

6

01010-80820

BOLT

SN: 78604-80198

2шт.

7

01010-80816

BOLT

SN: 78604-80198

2шт.

8

01602-20825

WASHER,SPRING

SN: 78604-80198

4шт.

9

103-43-36260

BRACKET

SN: 78604-80198

1шт.

10

04205-10622

PIN

SN: 78604-80198

1шт.

11

04050-11612

PIN,COTTER

SN: 78604-80198

1шт.

12

04205-10825

PIN

SN: 78604-80198

1шт.

13

04050-12015

PIN,COTTER

SN: 78604-80198

1шт.

Выбрано товаров: 17